GM Service Manual Online
For 1990-2009 cars only
Makes
🢒
Chevrolet
🢒
2005
🢒
Blazer - 2WD
🢒 Automatic Transmission Starting
Automatic Transmission Starting
Automatic Transmission Starting
Master Electrical Component List
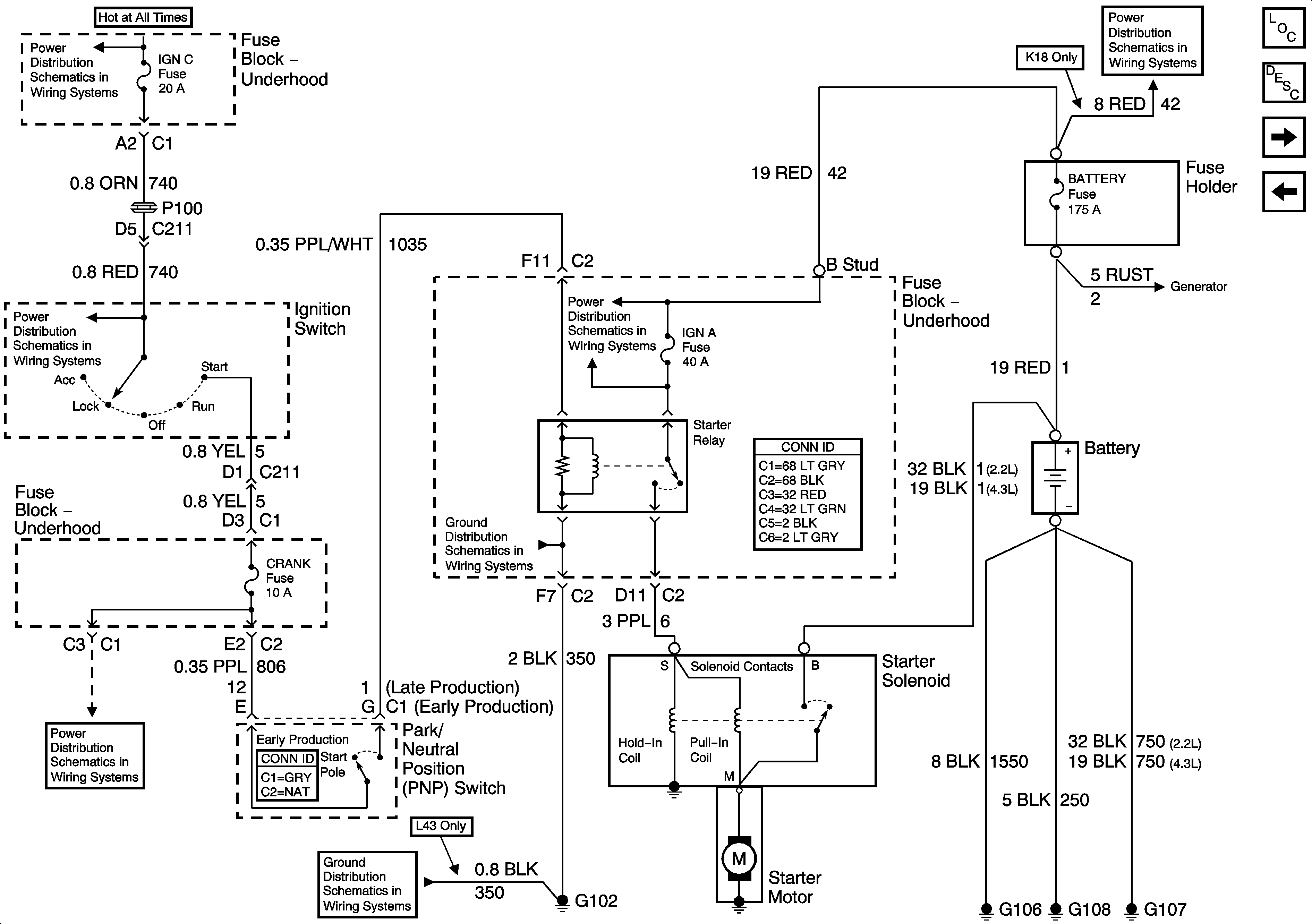
Starting System Description and Operation
Engine Charging - 2.2L
Manual Transmission Starting
B+ Bus Bar
Ign RUN and START Bus Bar
CRANK and CLSTR Fuses
G102 - Except Export
G102 - Except Export
Ign RUN and START Bus Bar
Ign RUN and START Bus Bar