GM Service Manual Online
For 1990-2009 cars only
Makes
🢒
Chevrolet
🢒
2005
🢒
Blazer - 2WD
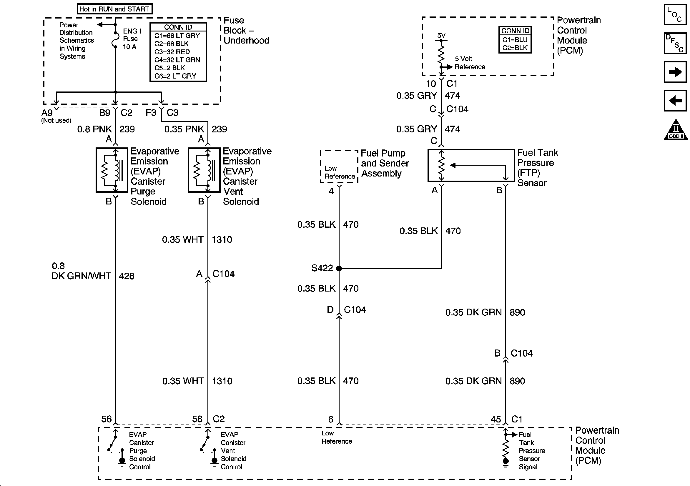
🢒 Fuel and Evap Controls
Fuel and Evap Controls
Fuel and EVAP Controls
Master Electrical Component List
Evaporative Emission Control System Description
Device Controls
Fuel Injectors and Fuel Pump Controls
OBD II Symbol Description Notice
Ign RUN and START Bus Bar