GM Service Manual Online
For 1990-2009 cars only
Makes
🢒
Chevrolet
🢒
2005
🢒
Blazer - 2WD
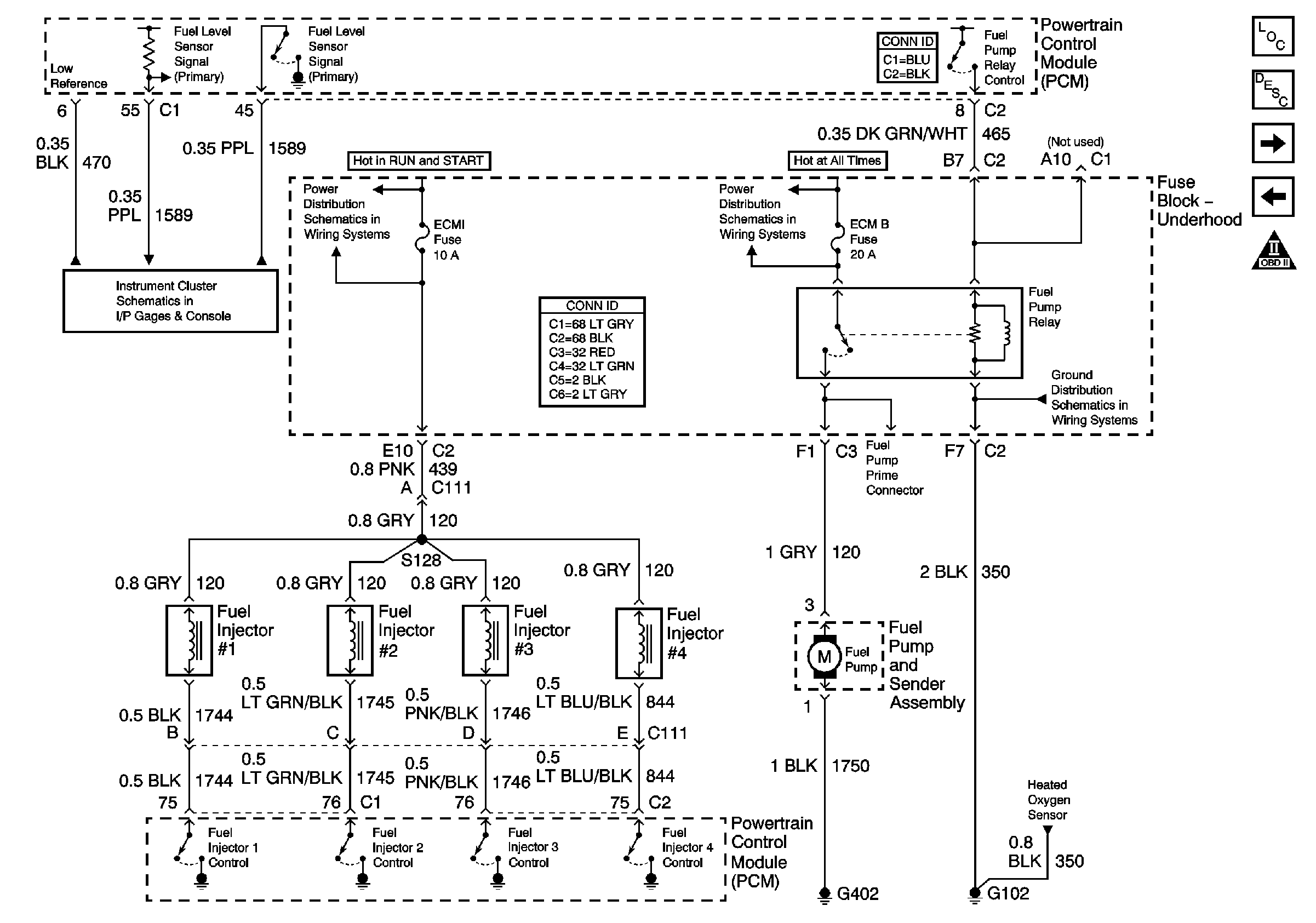
🢒 Fuel Injectors and Fuel Pump Controls
Fuel Injectors and Fuel Pump Controls
Fuel Injectors and Fuel Pump Controls
Master Electrical Component List
Fuel System Description
Fuel and Evap Controls
Ignition Controls
OBD II Symbol Description Notice
Fuel Level Sensor Signal
ECM I Fuse
ECM B, HORN, RR DEFOG, HTD MIR Fuses and Fuel Pump, Horn, Rear Window Defogger Relays
G102 - Except Export