GM Service Manual Online
For 1990-2009 cars only
Makes
🢒
Chevrolet
🢒
2005
🢒
Blazer - 2WD
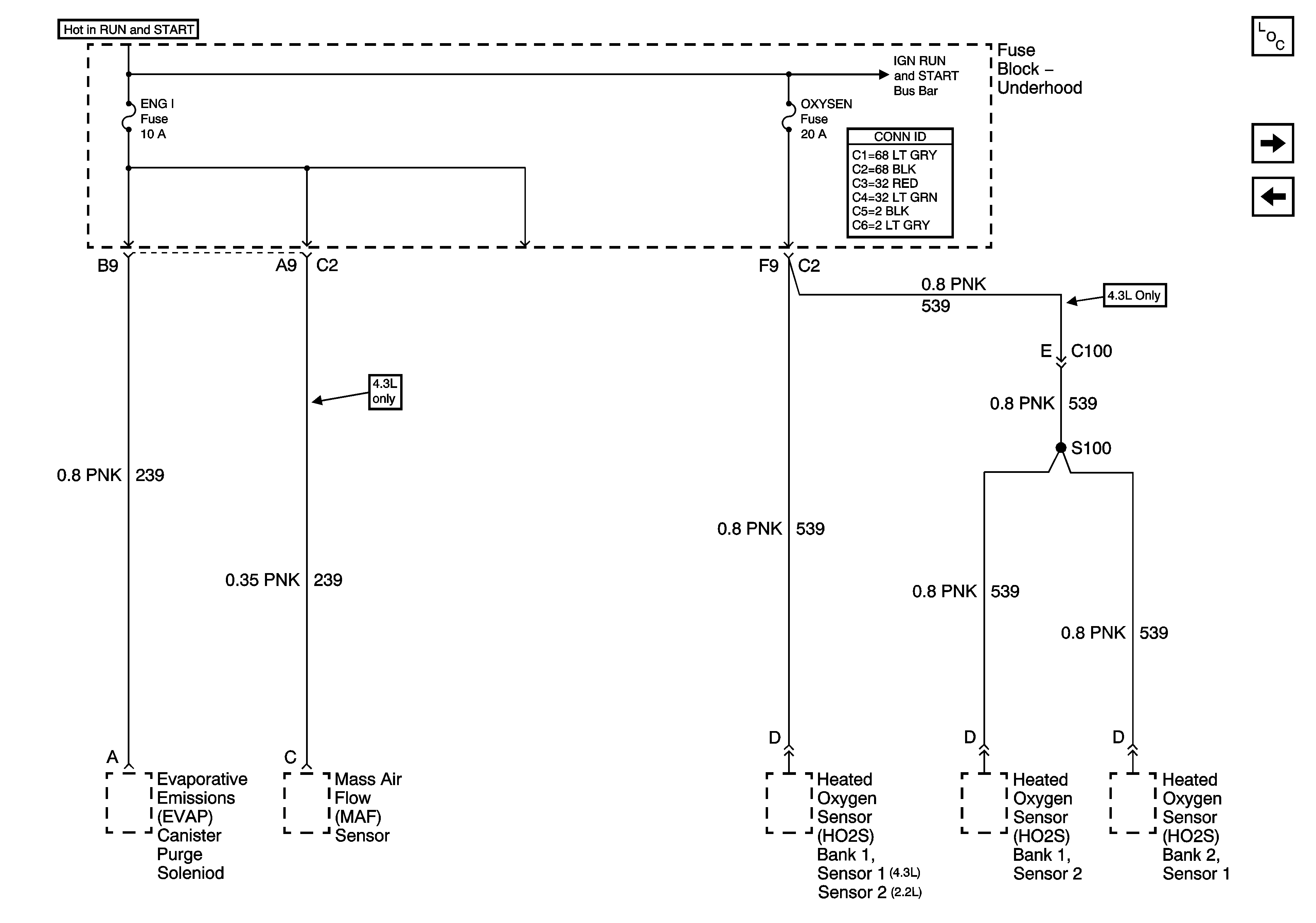
🢒 ENG I and OXYSEN Fuses
ENG I and OXYSEN Fuses
ENG I and OXYSEN Fuses
Master Electrical Component List
ECM I Fuse
BTSI Fuse Power - Automatic Transmission
Ign RUN and START Bus Bar