GM Service Manual Online
For 1990-2009 cars only
Makes
🢒
Chevrolet
🢒
2005
🢒
Blazer - 2WD
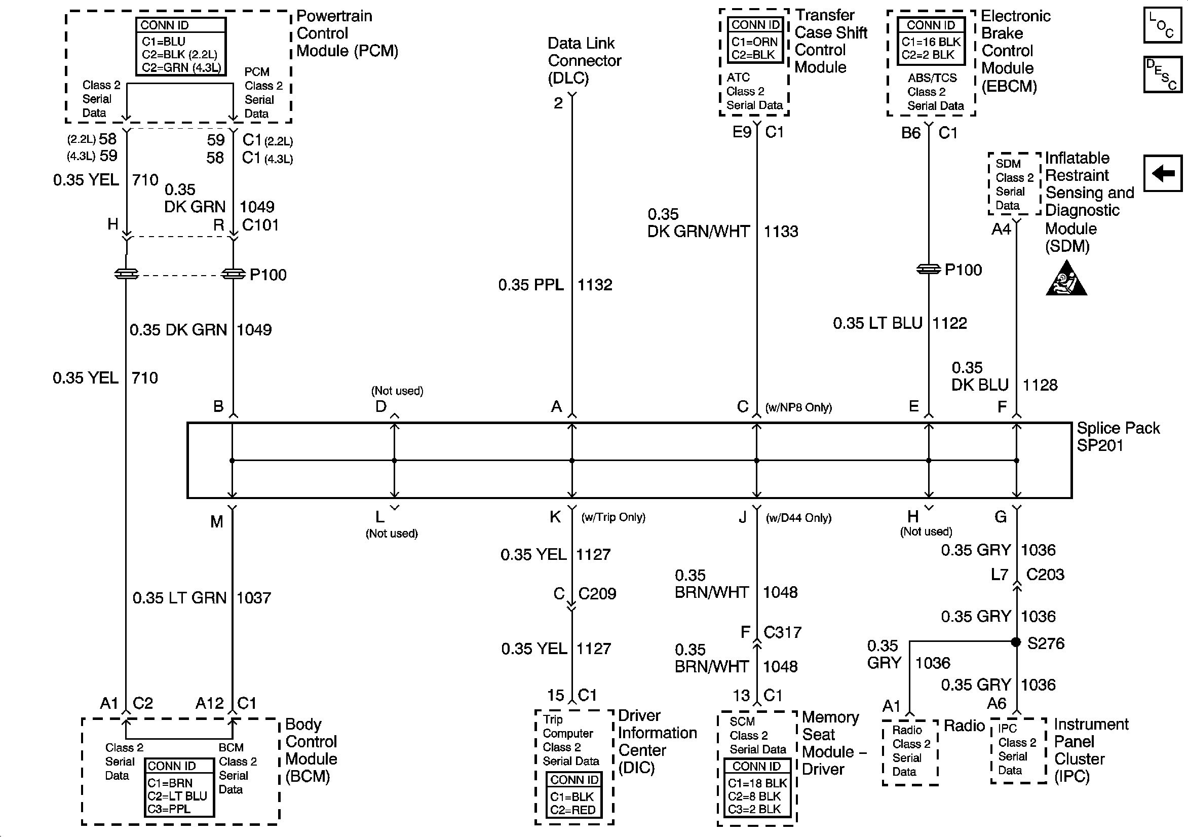
🢒 Class 2 Serial Data
Class 2 Serial Data
Class 2 Serial Data
Master Electrical Component List
Data Link Communications Description and Operation
Power, Ground, and Transfer Case Shift Control Module
SIR Caution for Zoning