GM Service Manual Online
For 1990-2009 cars only
Makes
🢒
Chevrolet
🢒
2005
🢒
Blazer - 2WD
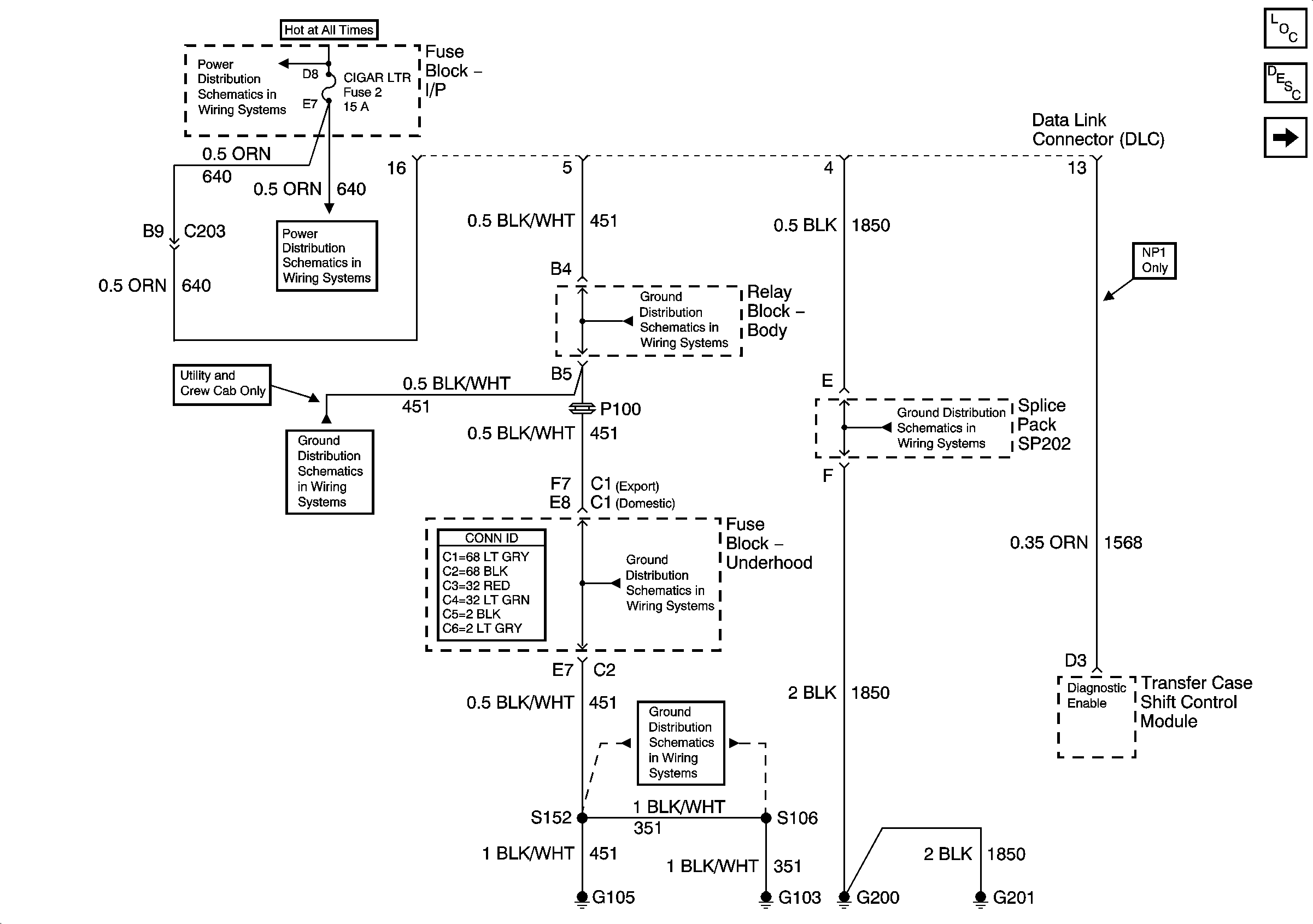
🢒 Power, Ground, and Transfer Case Shift Control Module
Power, Ground, and Transfer Case Shift Control Module
Power, Ground, and Transfer Case Shift Control Module
Master Electrical Component List
Data Link Communications Description and Operation
Class 2 Serial Data
B+ Bus Bar
INT BATT, PWR LKS, AMPF, CTSY LP and CIGAR LTR Fuses
G104 and G117
G104 and G117
G104 and G117
G104 and G117
G200, G201, G207, and G300- Pickup and Crew Cab