GM Service Manual Online
For 1990-2009 cars only
Makes
🢒
Chevrolet
🢒
2005
🢒
Blazer - 2WD
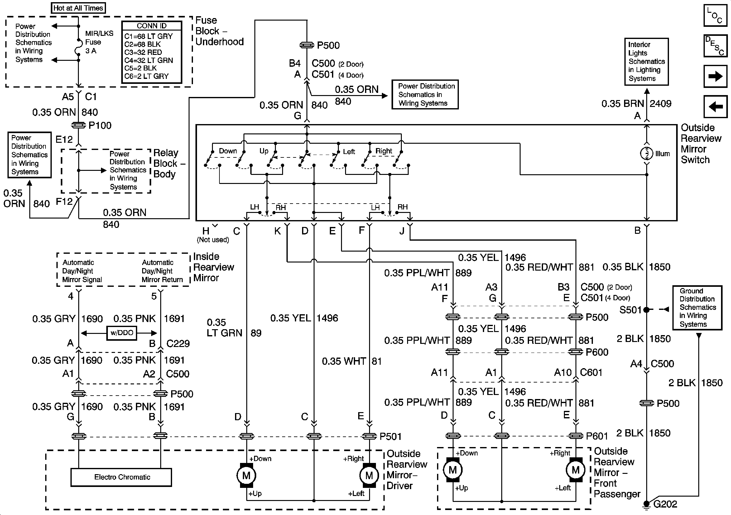
🢒 Outside Rearview Mirror Switch
Outside Rearview Mirror Switch
Outside Rearview Mirror Switch
Master Electrical Component List
Outside Mirror Description and Operation Power Mirrors
Folding Mirrors - Export Only
Heated Mirrors
MIR/LKS, FOG LP Fuses and DRL, Headlamp Power Relays
MIR/LKS, FOG LP Fuses and DRL, Headlamp Power Relays
MIR/LKS, FOG LP Fuses and DRL, Headlamp Power Relays
MIR/LKS, FOG LP Fuses and DRL, Headlamp Power Relays
Headlamp Switched Interior Lamps
G202 - Pickup Except Crew Cab