GM Service Manual Online
For 1990-2009 cars only
Makes
🢒
Chevrolet
🢒
2005
🢒
Blazer - 2WD
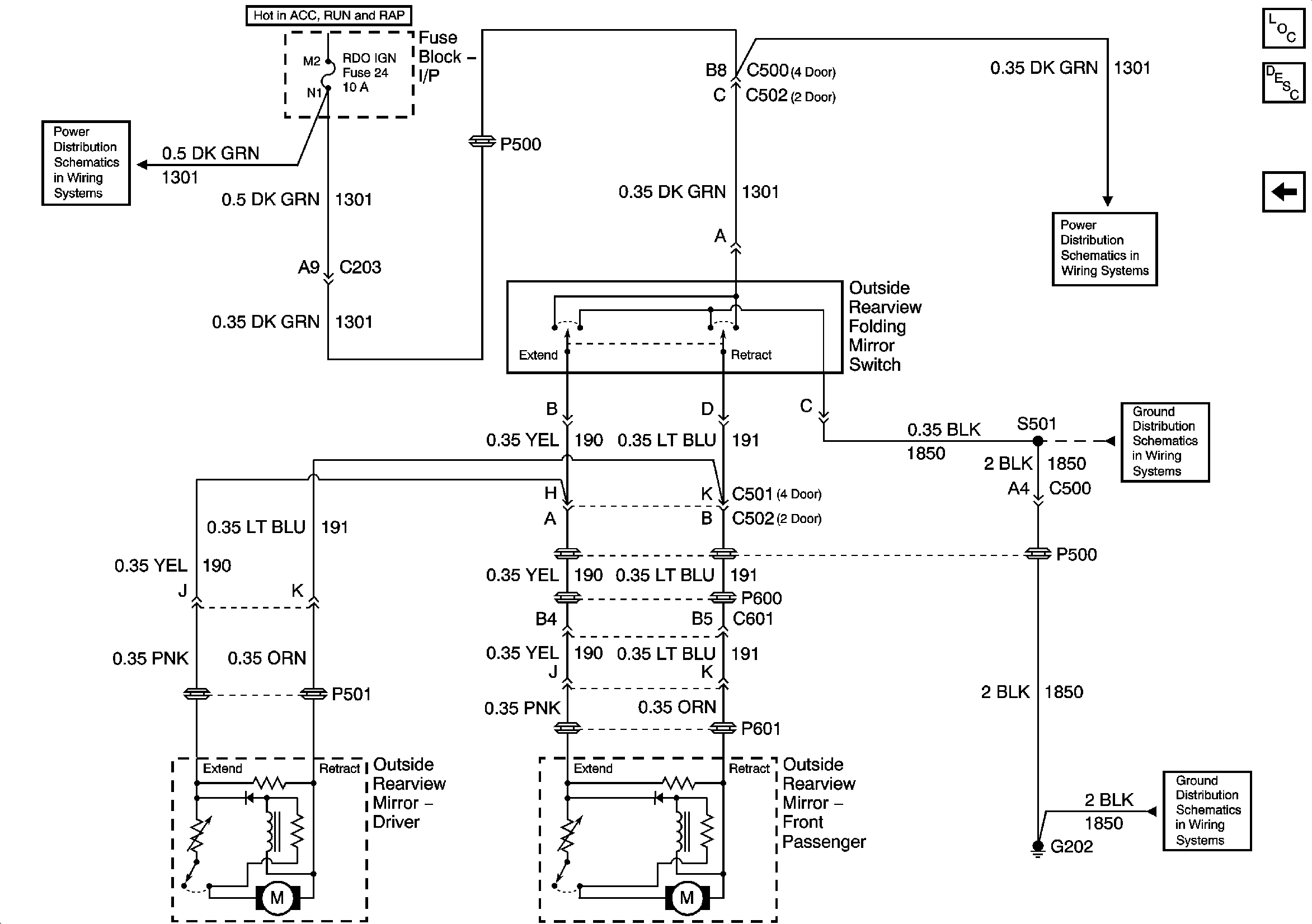
🢒 Folding Mirrors - Export Only
Folding Mirrors - Export Only
Folding Mirrors-- Export Only
Master Electrical Component List
Outside Mirror Description and Operation Folding Mirrors
Outside Rearview Mirror Switch
RDO IGN and STR WHL RDO IGN Fuses
RDO IGN and STR WHL RDO IGN Fuses
S501 - Utility
G202 - Utility and Crew Cab