GM Service Manual Online
For 1990-2009 cars only
Makes
🢒
Chevrolet
🢒
2000
🢒
Blazer - 4WD - RHD
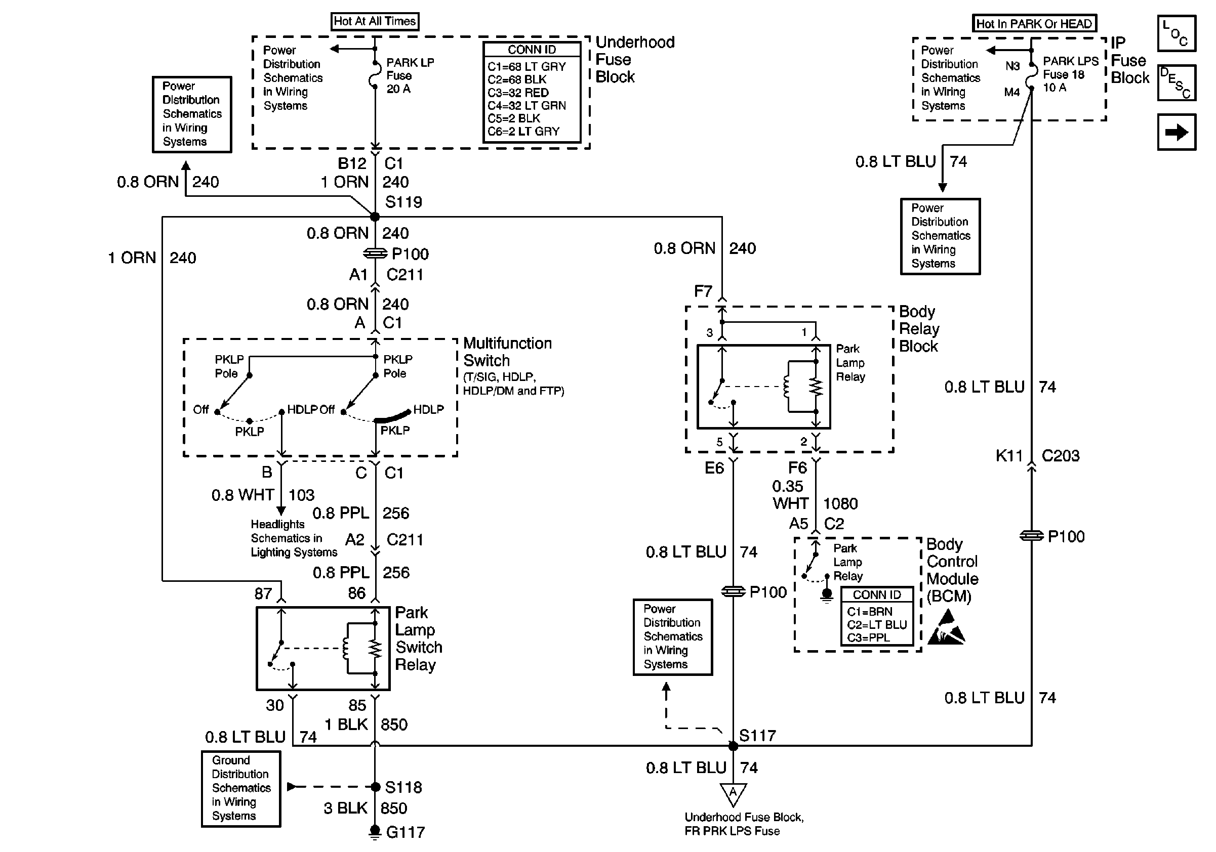
🢒 Power and Headlamp Switch
Power and Headlamp Switch
Power and Headlamp Switch
Lighting Systems Component Views
Exterior Lights Circuit Description
FR PRK LPS, LR PRK LP, RR PRK LP, and TRL PRK LP Fuses
PARK LP, FR PRK, LR PRK, RR PRK, and TRL PRK Fuses
B+ Bus Bar
Power and Grounding Connector End Views
ILLUM and PARK LP Fuses
PARK LP, FR PRK, LR PRK, RR PRK, and TRL PRK Fuses
Power, Headlamp Switch, and Multifunction Switch
G117
PARK LP, FR PRK, LR PRK, RR PRK, and TRL PRK Fuses
FR PRK LPS, LR PRK LP, RR PRK LP, and TRL PRK LP Fuses
Handling ESD Sensitive Parts Notice