GM Service Manual Online
For 1990-2009 cars only
Makes
🢒
Chevrolet
🢒
2000
🢒
Blazer - 4WD - RHD
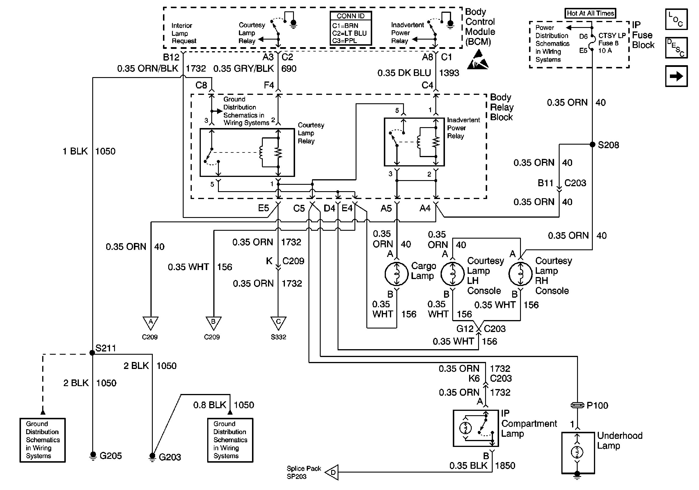
🢒 CTSY LP Fuse and Body Control Module (BCM)
CTSY LP Fuse and Body Control Module (BCM)
CTSY LP Fuse and Body Control Module (BCM)
Lighting Systems Component Views
Interior Lights Circuit Description
Body Control Module (BCM) and Grounds
Body Control System Connector End Views
Handling ESD Sensitive Parts Notice
STUD 2, INT BAT, CIGAR LTR, CTSY LP and PWR LKS Fuses
G203 and G205
G203 and G205
G203 and G205
Body Control Module (BCM) and Grounds
Body Control Module (BCM) and Grounds
Body Control Module (BCM) and Grounds
Body Control Module (BCM) and Grounds