GM Service Manual Online
For 1990-2009 cars only
Makes
🢒
Chevrolet
🢒
2000
🢒
Blazer - 4WD - RHD
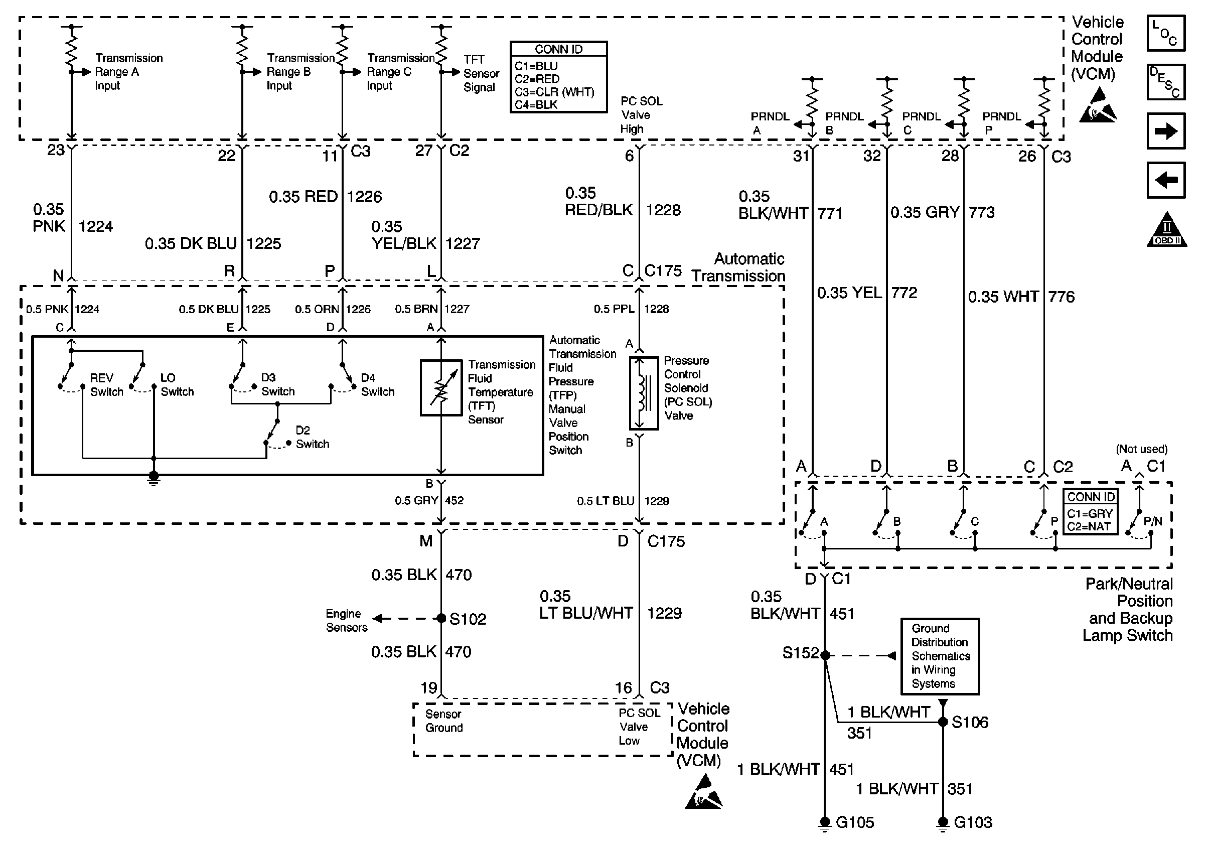
🢒 Automatic Transmission and PNP Switch Inputs
Automatic Transmission and PNP Switch Inputs
Automatic Transmission and PNP Switch Inputs
Engine Controls Components
Vehicle Control Module Description
A/C Compressor Controls
Automatic Transmission Valve Controls
OBD II Symbol Description Notice
VCM Connector End Views
Handling ESD Sensitive Parts Notice
Engine Sensors
Handling ESD Sensitive Parts Notice
G103 and G105
Shift Lock Control Connector End Views