GM Service Manual Online
For 1990-2009 cars only
Makes
🢒
Chevrolet
🢒
2000
🢒
Blazer - 4WD - RHD
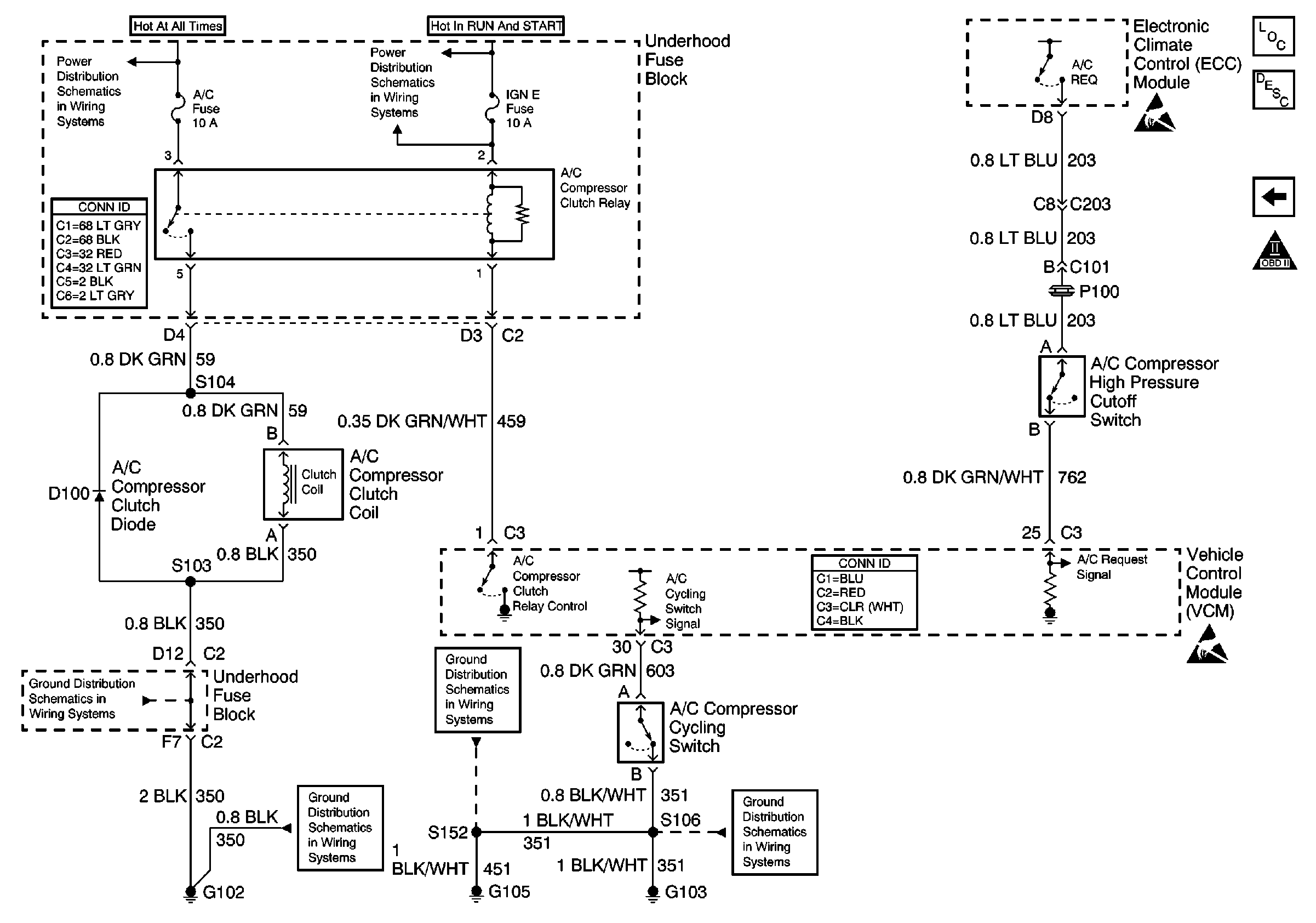
🢒 A/C Compressor Controls
A/C Compressor Controls
A/C Compressor Controls
Engine Controls Components
Vehicle Control Module Description
Automatic Transmission and PNP Switch Inputs
OBD II Symbol Description Notice
B+ Bus Bar
Power and Grounding Connector End Views
IGN E, GAUGES, and SIR Fuses
Handling ESD Sensitive Parts Notice
G102
G102
G103 and G105
G103 and G105
VCM Connector End Views
Handling ESD Sensitive Parts Notice