GM Service Manual Online
For 1990-2009 cars only
Makes
🢒
Chevrolet
🢒
2000
🢒
Blazer - 4WD - RHD
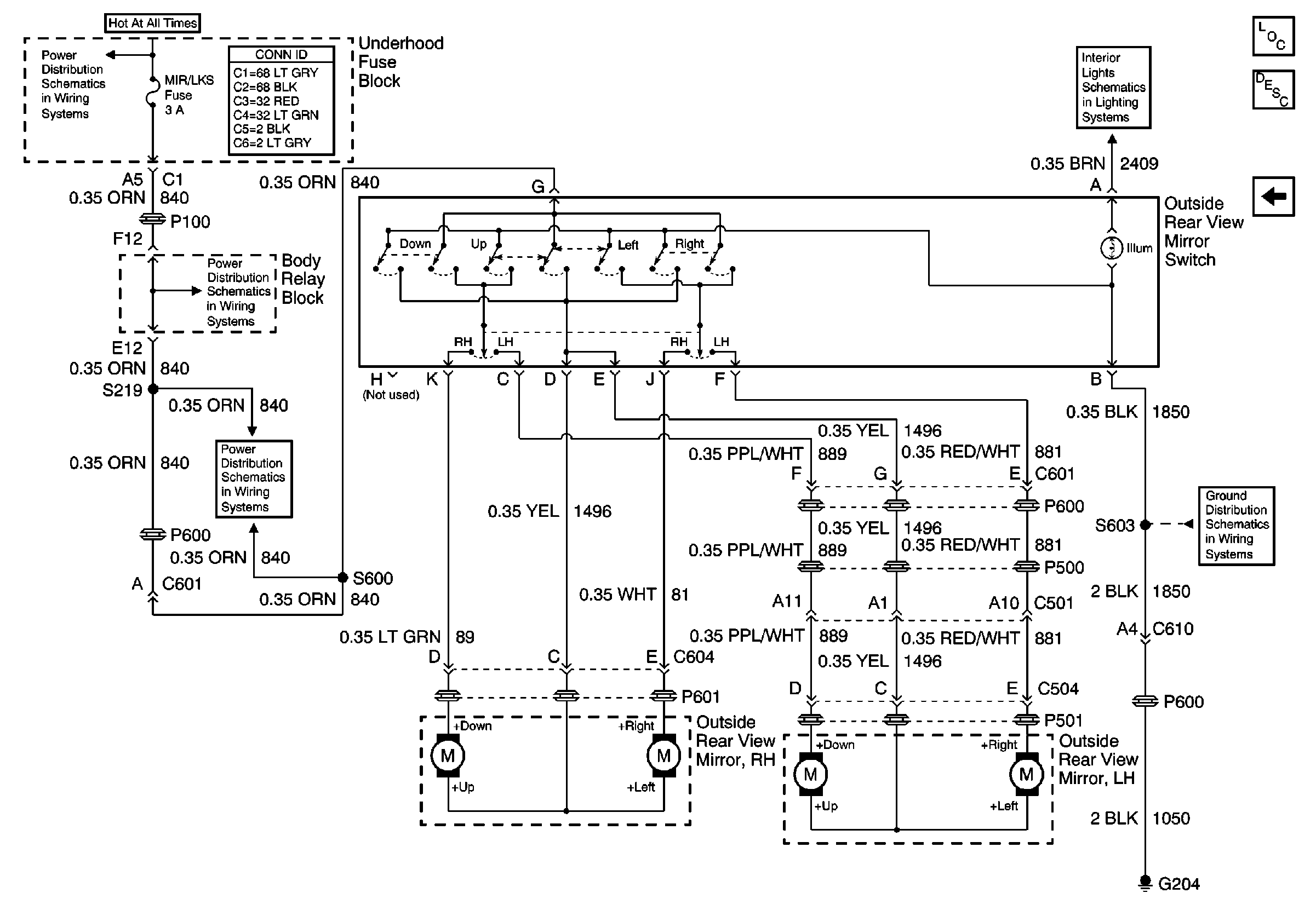
🢒 Outside Rear View Mirror Controls
Outside Rear View Mirror Controls
Outside Rear View Mirror Controls
Power Door Systems Components
Outside Mirrors Circuit Description
Heated Mirrors
Power and Grounding Connector End Views
IGN E, GAUGES, and SIR Fuses
IGN E, GAUGES, and SIR Fuses
IGN E, GAUGES, and SIR Fuses
Power and Ground
G202 and G204