GM Service Manual Online
For 1990-2009 cars only
Makes
🢒
Chevrolet
🢒
2000
🢒
Blazer - 4WD - RHD
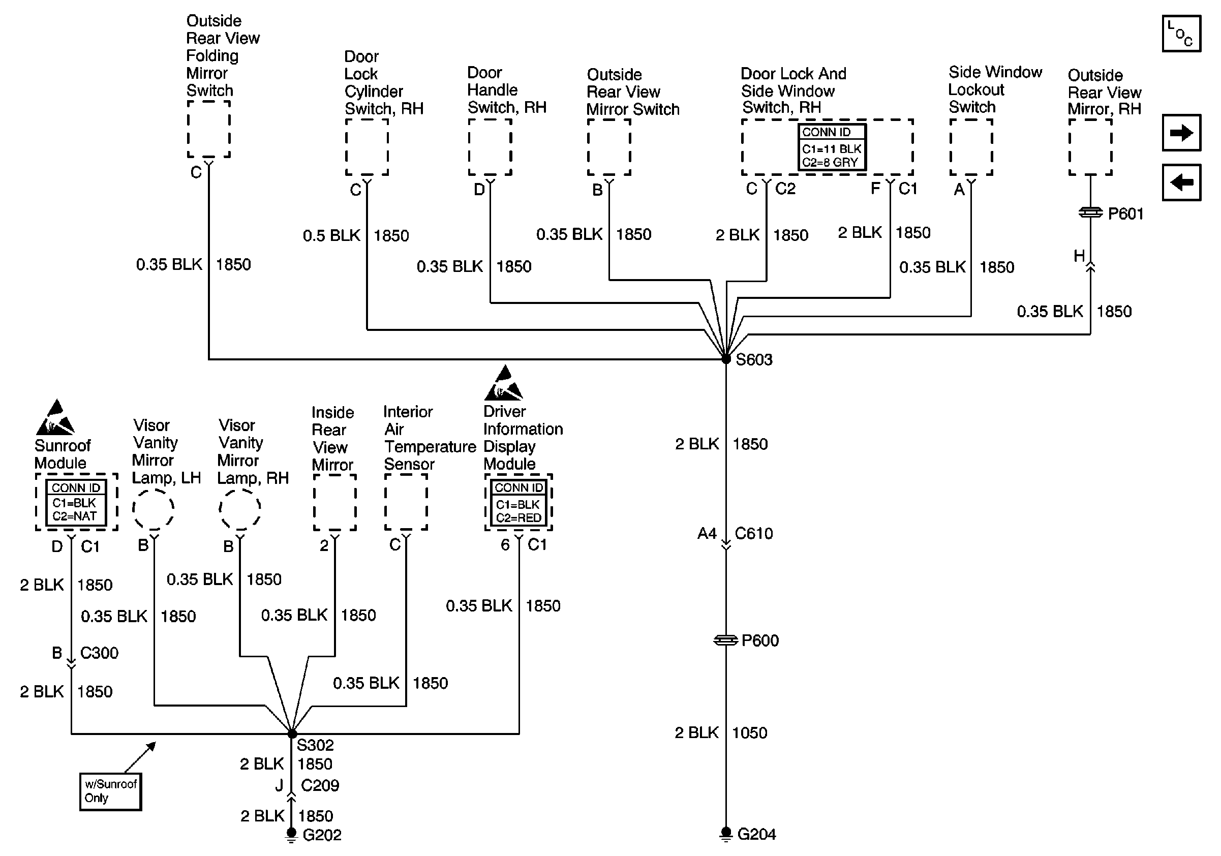
🢒 G202 and G204
G202 and G204
G202 and G204
Power and Grounding Components
G200 and G201
G203 and G205
Handling ESD Sensitive Parts Notice
Power Roof Systems Connector End Views
Handling ESD Sensitive Parts Notice
Driver Information Systems Connector End Views
Power Door Systems Connector End Views