GM Service Manual Online
For 1990-2009 cars only
Makes
🢒
Chevrolet
🢒
2000
🢒
Blazer - 4WD - RHD
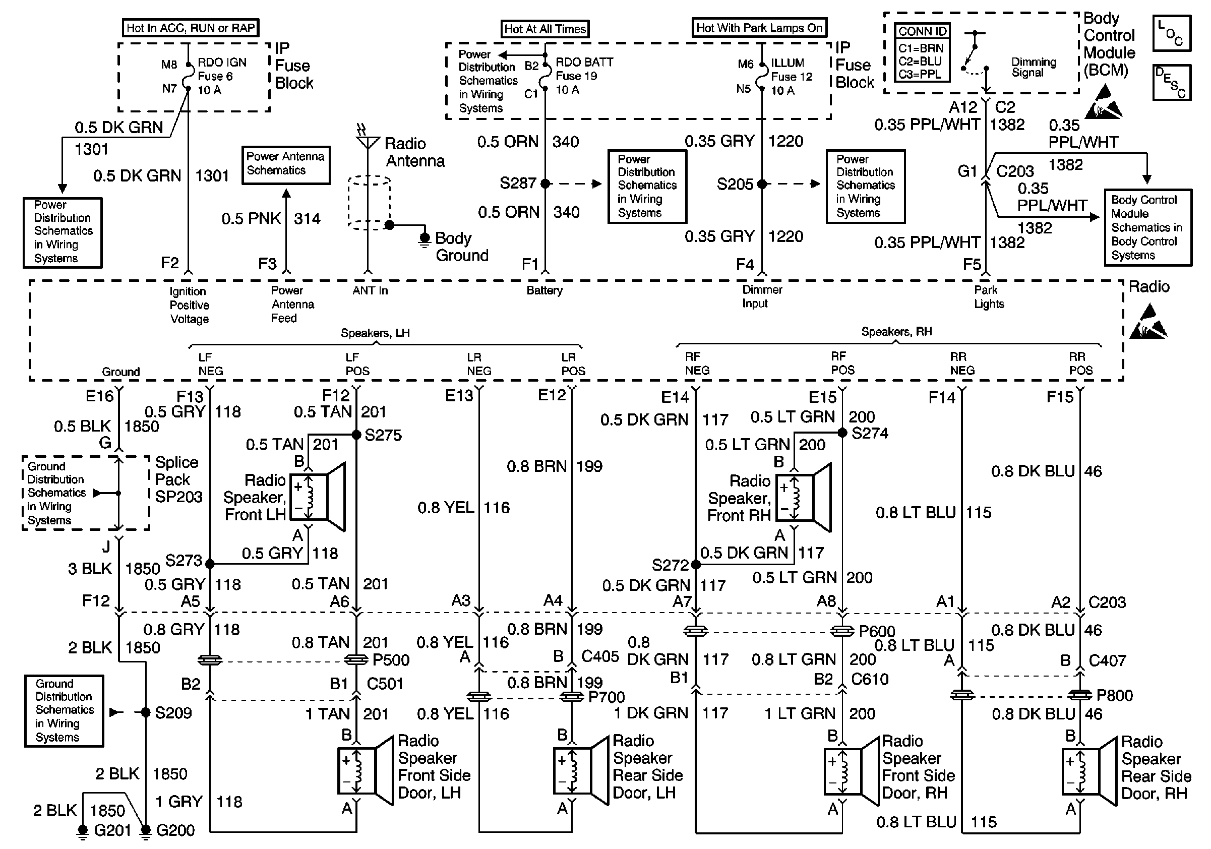
🢒 Radio/Audio System Schematics
Radio/Audio System Schematics
Entertainment Components
Radio/Audio System Circuit Description
RDO IGN, FRT WPR, RR WIPER, ABS, CRUISE, and W/W PUMP Fuses
SP203
G200 and G201
Power Antenna Schematics
RDO BAT and AUX PWR Fuses
RDO BAT and AUX PWR Fuses
ILLUM and PARK LP Fuses
Body Control System Connector End Views
Handling ESD Sensitive Parts Notice
VCM and Data Link Connector (DLC)
Handling ESD Sensitive Parts Notice