GM Service Manual Online
For 1990-2009 cars only
Makes
🢒
Chevrolet
🢒
2000
🢒
Blazer - 4WD - RHD
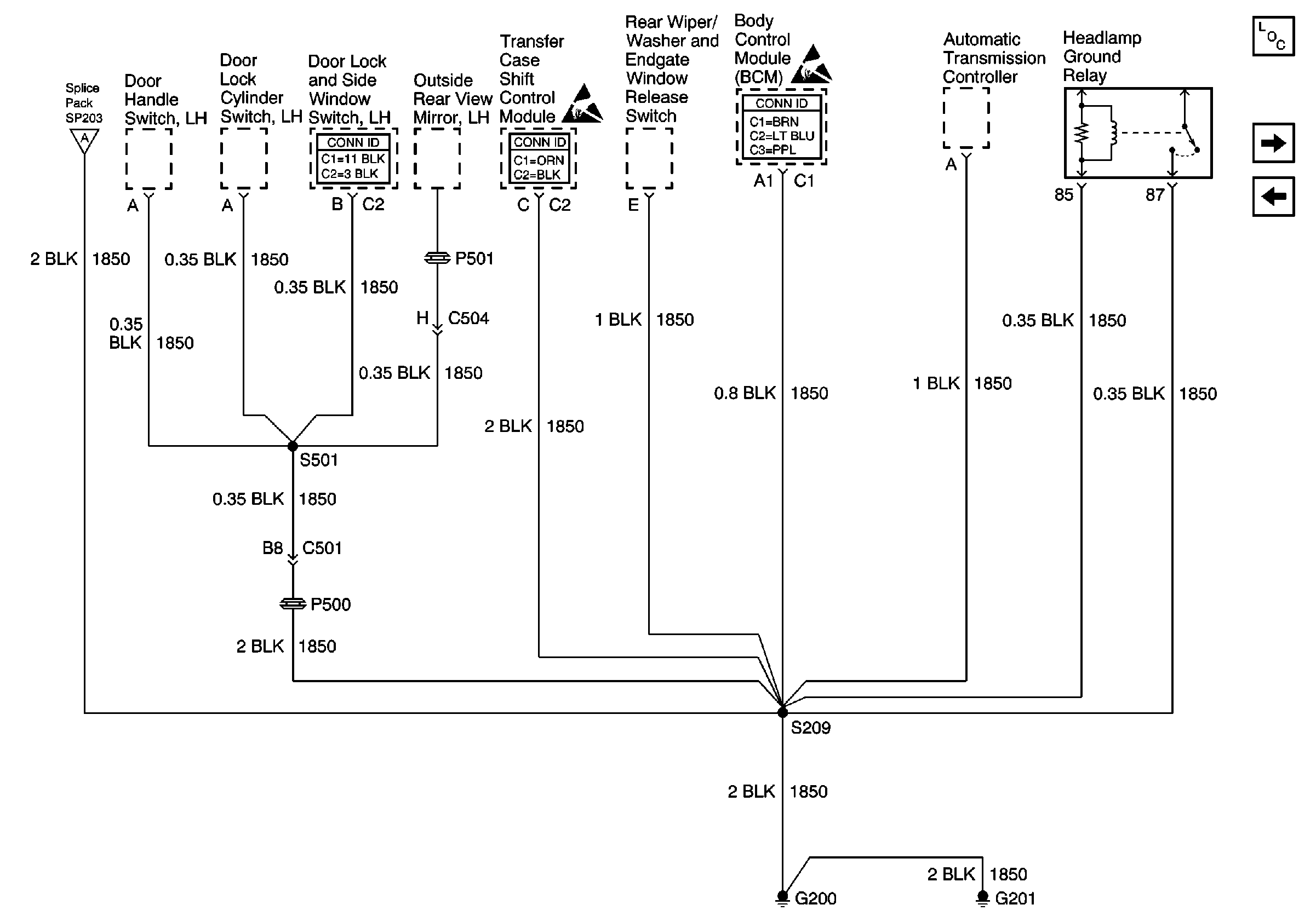
🢒 G200 and G201
G200 and G201
G200 and G201
Power and Grounding Components
SP203
G202 and G204
SP203
Power Door Systems Connector End Views
Transfer Case Control Connector End Views
Handling ESD Sensitive Parts Notice
Body Control System Connector End Views
Handling ESD Sensitive Parts Notice