GM Service Manual Online
For 1990-2009 cars only
Makes
🢒
Chevrolet
🢒
2001
🢒
Blazer - 4WD - RHD
🢒
Body and Accessories
🢒
Wiring Systems
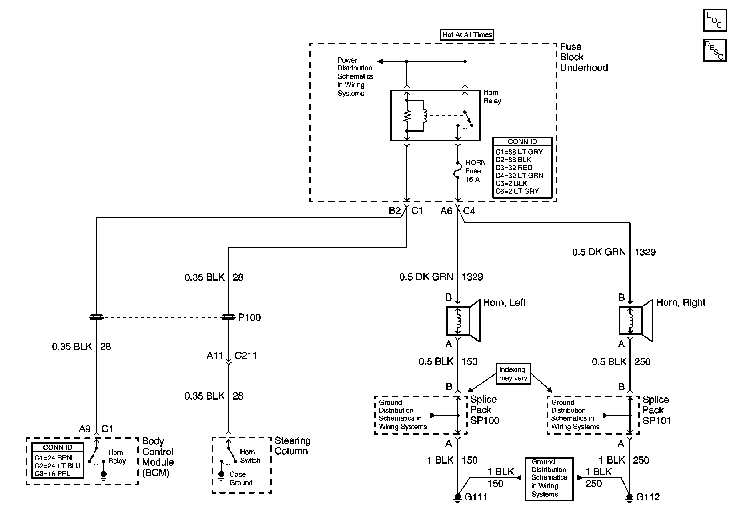
🢒 Horn Schematics
Master Electrical Component List
Horns System Description and Operation Desc. and Operation
B+ Bus Bar
G111 and G112
G111 and G112
G111 and G112