GM Service Manual Online
For 1990-2009 cars only
Figure 1:

G111 and G112


Object Number: 680552  Size: FS
Master Electrical Component List
G104, G106, G107, G108 and G118
Figure 2:

G104, G106, G107, G108 and G118


Object Number: 680554  Size: FS
Master Electrical Component List
G117
G111 and G112
SIR Handling Caution
SIR Handling Caution
Figure 3:

G117


Object Number: 680556  Size: FS
Master Electrical Component List
G102
G104, G106, G107, G108 and G118
Figure 4:

G102


Object Number: 680557  Size: FS
Master Electrical Component List
G103 and G105
G117
Figure 5:

G103 and G105


Object Number: 681017  Size: FS
Master Electrical Component List
SP203
G102
Figure 6:

SP203


Object Number: 680559  Size: FS
Master Electrical Component List
G200 and G201
G103 and G105
G200 and G201
Figure 7:

G200 and G201


Object Number: 680560  Size: FS
Master Electrical Component List
G202 and G204
SP203
SP203
Figure 8:

G202 and G204


Object Number: 680562  Size: FS
Master Electrical Component List
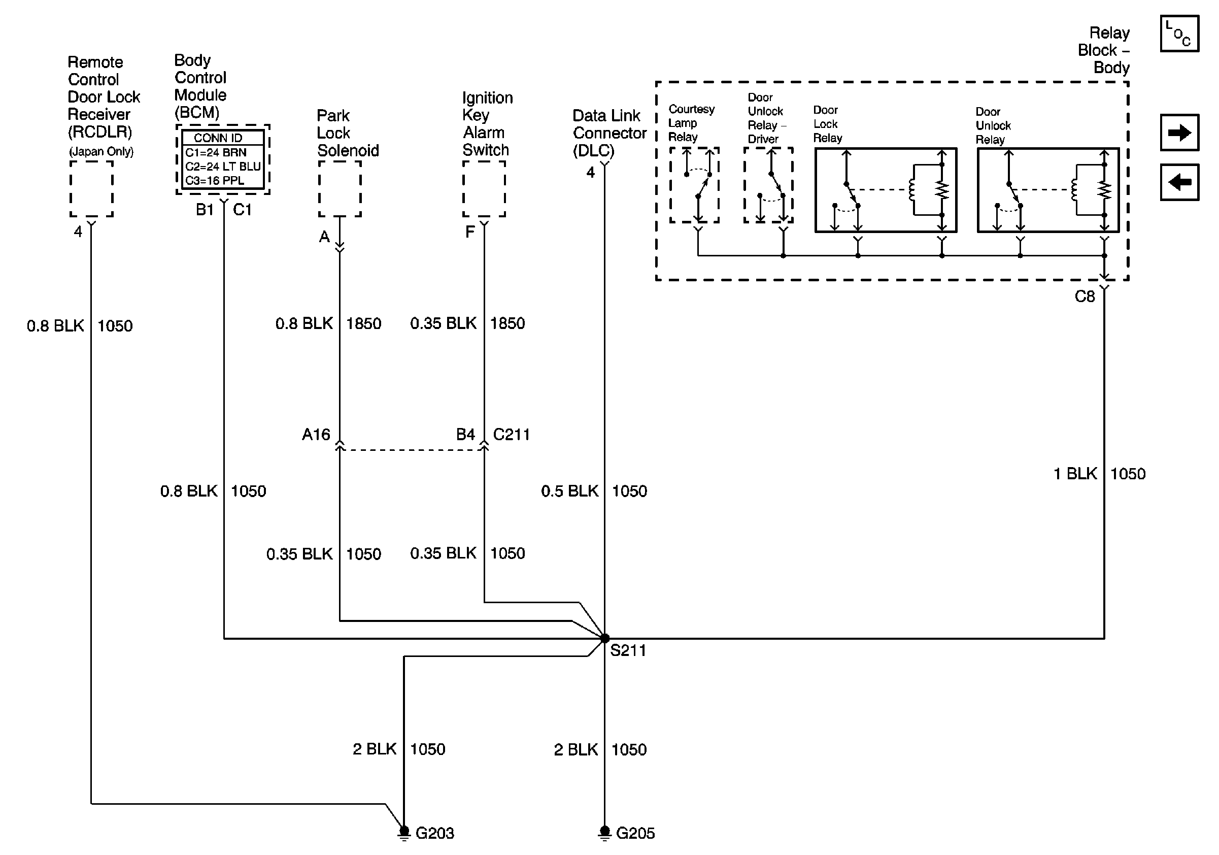
G203 and G205
G200 and G201
Figure 9:

G203 and G205


Object Number: 680563  Size: FS
Master Electrical Component List
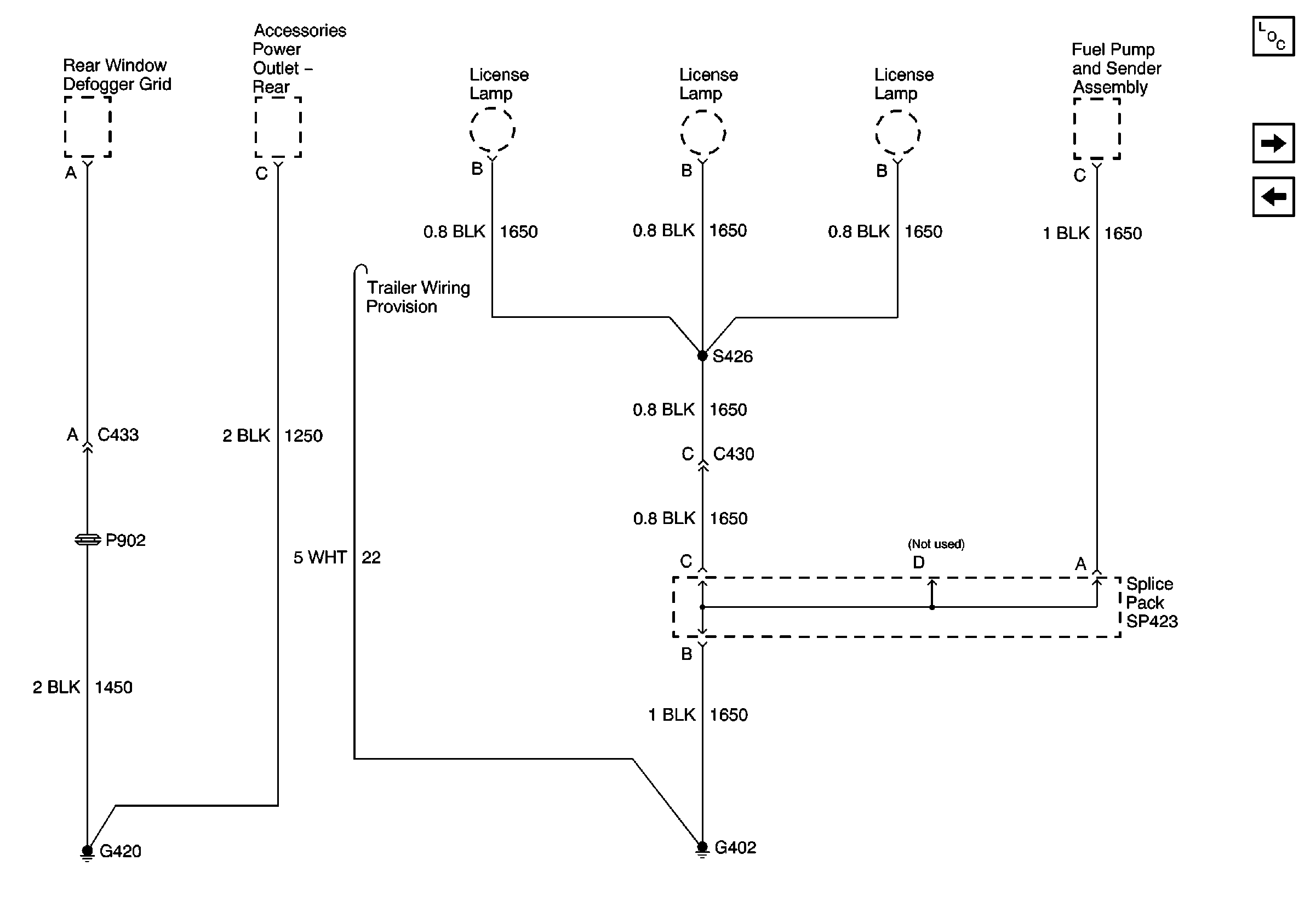
G402 and G420
G202 and G204
Figure 10:

G402 and G420


Object Number: 680566  Size: FS
Master Electrical Component List
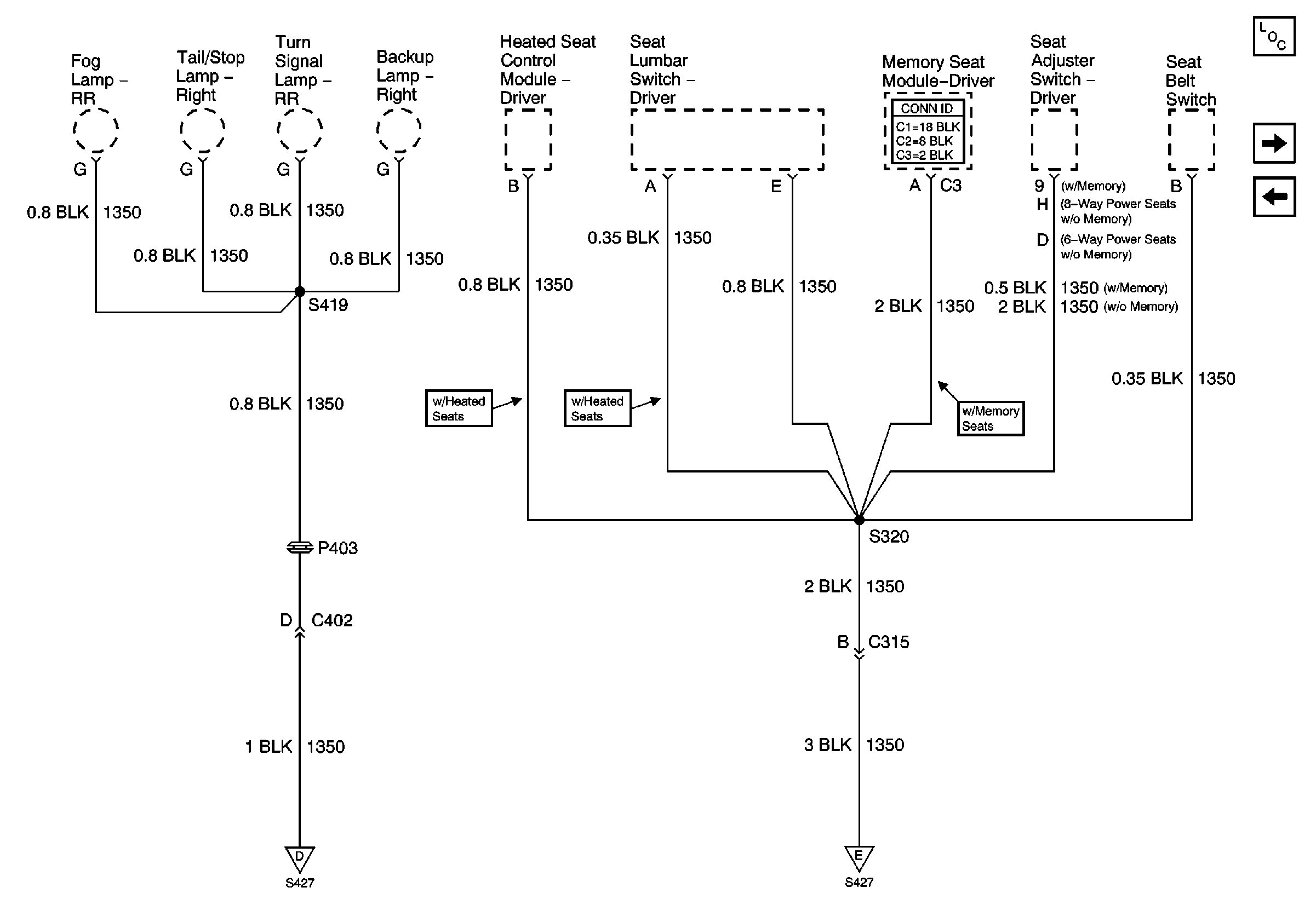
S320 and S420
G203 and G205
Figure 11:

S320 and S420


Object Number: 680567  Size: FS
Master Electrical Component List
S313 and S419
G402 and G420
G450
G450
Figure 12:

S313 and S419


Object Number: 680568  Size: FS
Master Electrical Component List
G450
S320 and S420
G450
G450
Figure 13:

G450


Object Number: 680570  Size: FS
Master Electrical Component List
S313 and S419
S313 and S419
S320 and S420
S313 and S419
S320 and S420