GM Service Manual Online
For 1990-2009 cars only
Makes
🢒
Chevrolet
🢒
2001
🢒
Blazer - 4WD - RHD
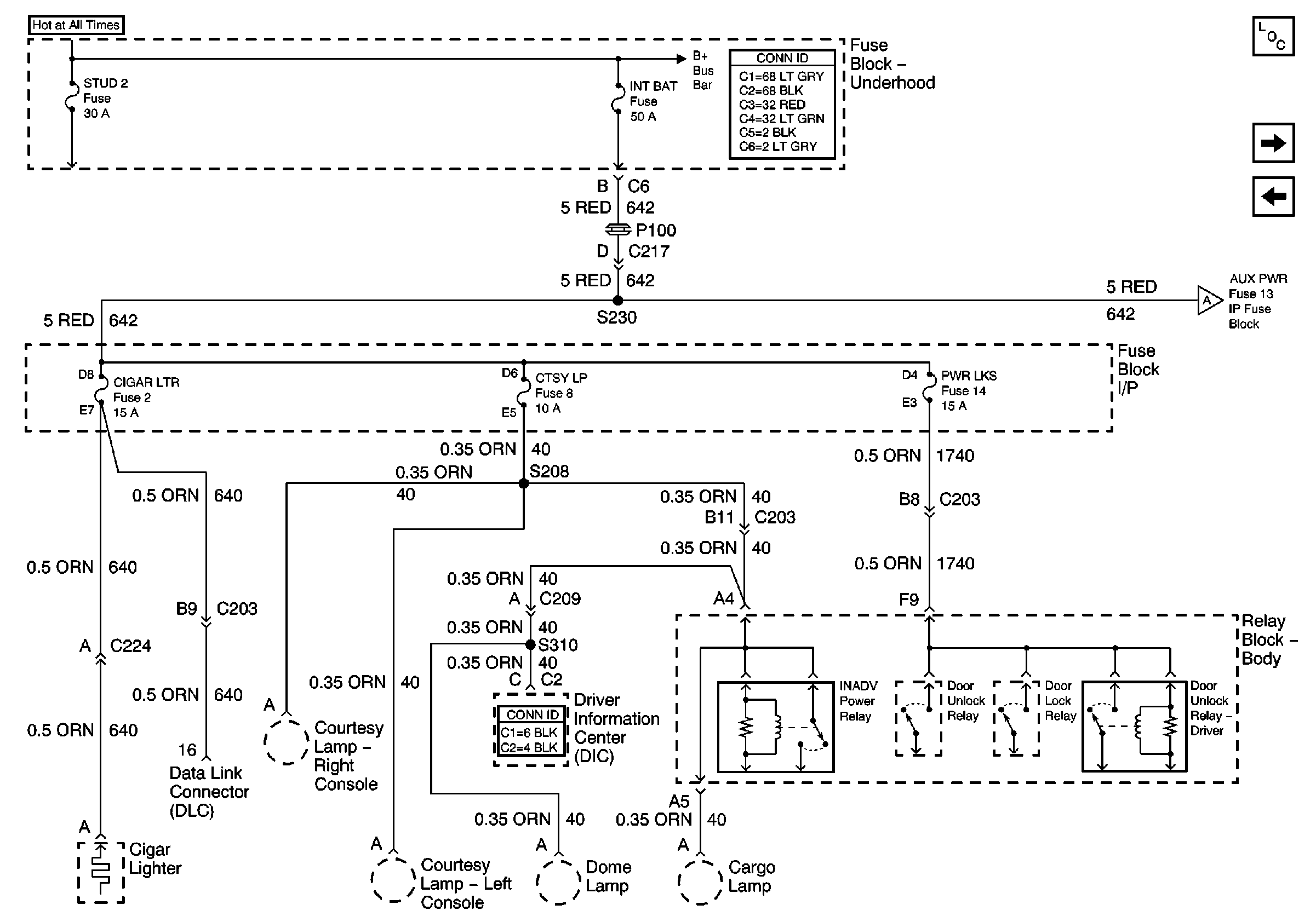
🢒 STUD 2, INT BAT, CIGAR LTR, CTSY LP and PWR LKS Fuses
STUD 2, INT BAT, CIGAR LTR, CTSY LP and PWR LKS Fuses
STUD 2, INT BAT, CIGAR LTR, CTSY LP and PWR LKS Fuses
Master Electrical Component List
RDO BAT and AUX PWR Fuses
MIR/LKS, LH HDLP and RH HDLP Fuses
RDO BAT and AUX PWR Fuses
B+ Bus Bar