GM Service Manual Online
For 1990-2009 cars only
Makes
🢒
Chevrolet
🢒
2001
🢒
Blazer - 4WD - RHD
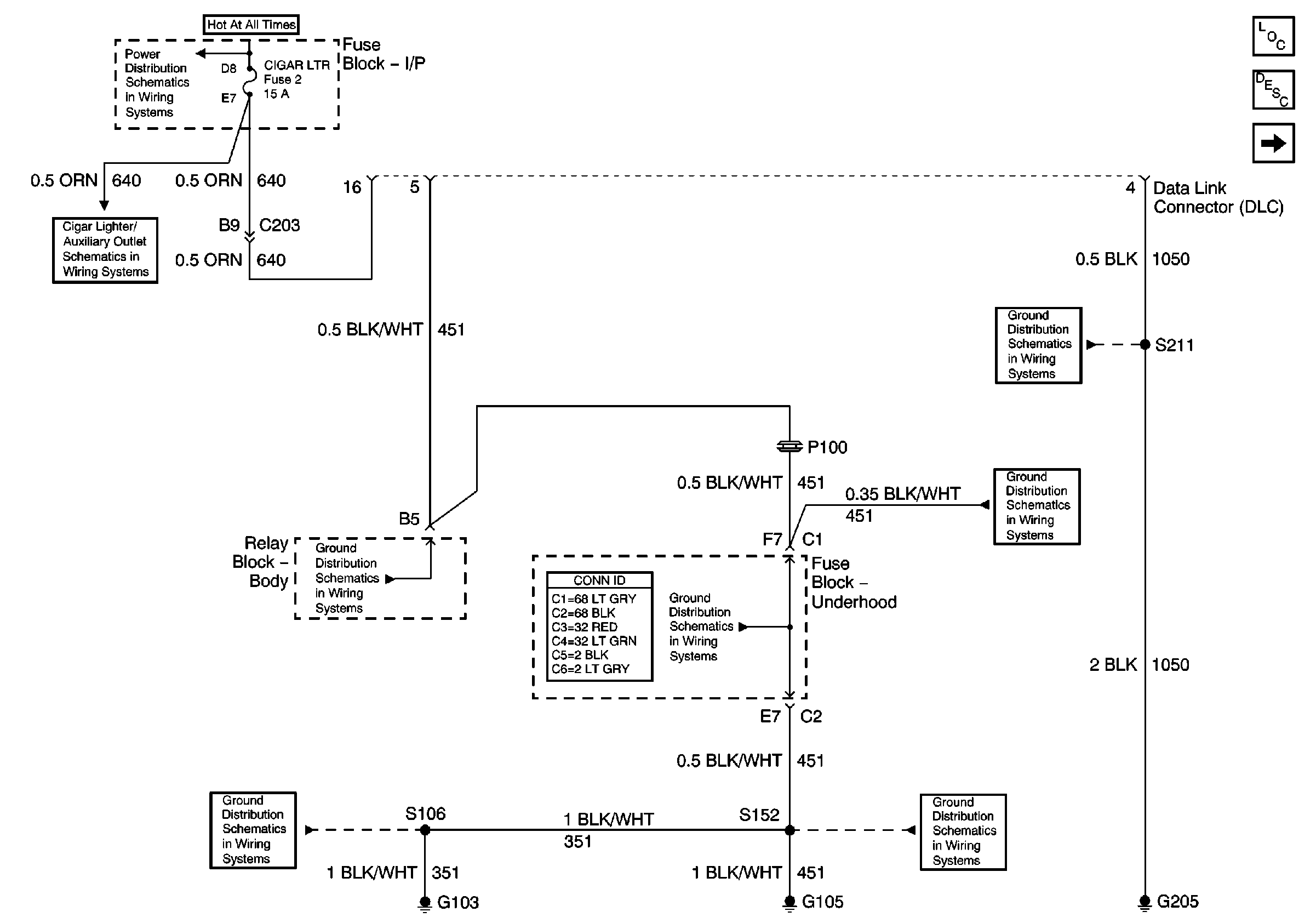
🢒 Power and Grounds G103, G105 and G205
Power and Grounds G103, G105 and G205
Power and Grounds G103, G105 and G205
Master Electrical Component List
Data Link Communications Description and Operation
Splice Pack SP201 and Modules
STUD 2, INT BAT, CIGAR LTR, CTSY LP and PWR LKS Fuses
Cigar Lighter/Auxiliary Outlets Schematics
G103 and G105
G103 and G105
G103 and G105
G203 and G205
G103 and G105
G103 and G105