GM Service Manual Online
For 1990-2009 cars only
Makes
🢒
Chevrolet
🢒
2001
🢒
Blazer - 4WD - RHD
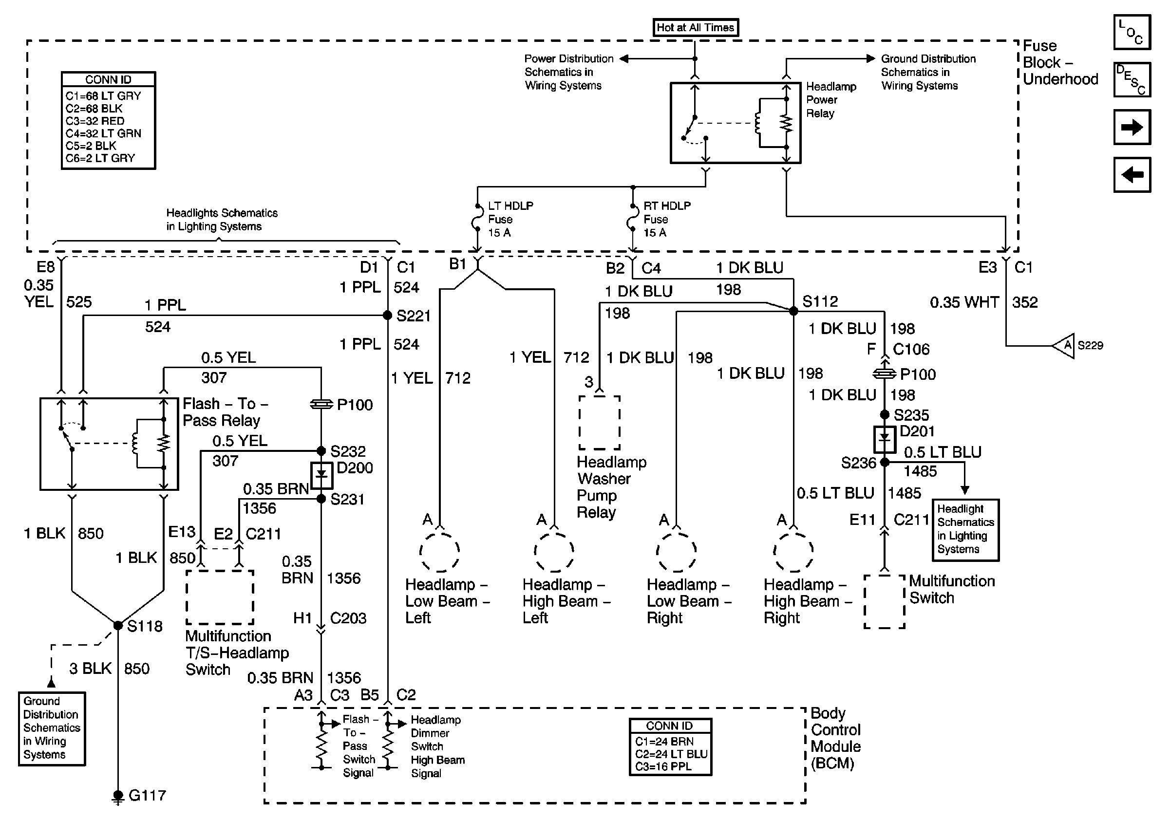
🢒 Headlamp Power and Flash-to-Pass Relays
Headlamp Power and Flash-to-Pass Relays
Headlamp Power and Flash-to-Pass Relays
Master Electrical Component List
Body Control System Description and Operation
Instrument Panel Cluster (IPC), LT TURN and RT TURN Fuses
VCM and Data Link Connector (DLC)
Power, Flash To Pass, and BCM
MIR/LKS, LH HDLP and RH HDLP Fuses
G102
Headlights
Power, Headlamp Switch, and Multifunction Switch
G117