GM Service Manual Online
For 1990-2009 cars only
Makes
🢒
Chevrolet
🢒
2001
🢒
Blazer - 4WD - RHD
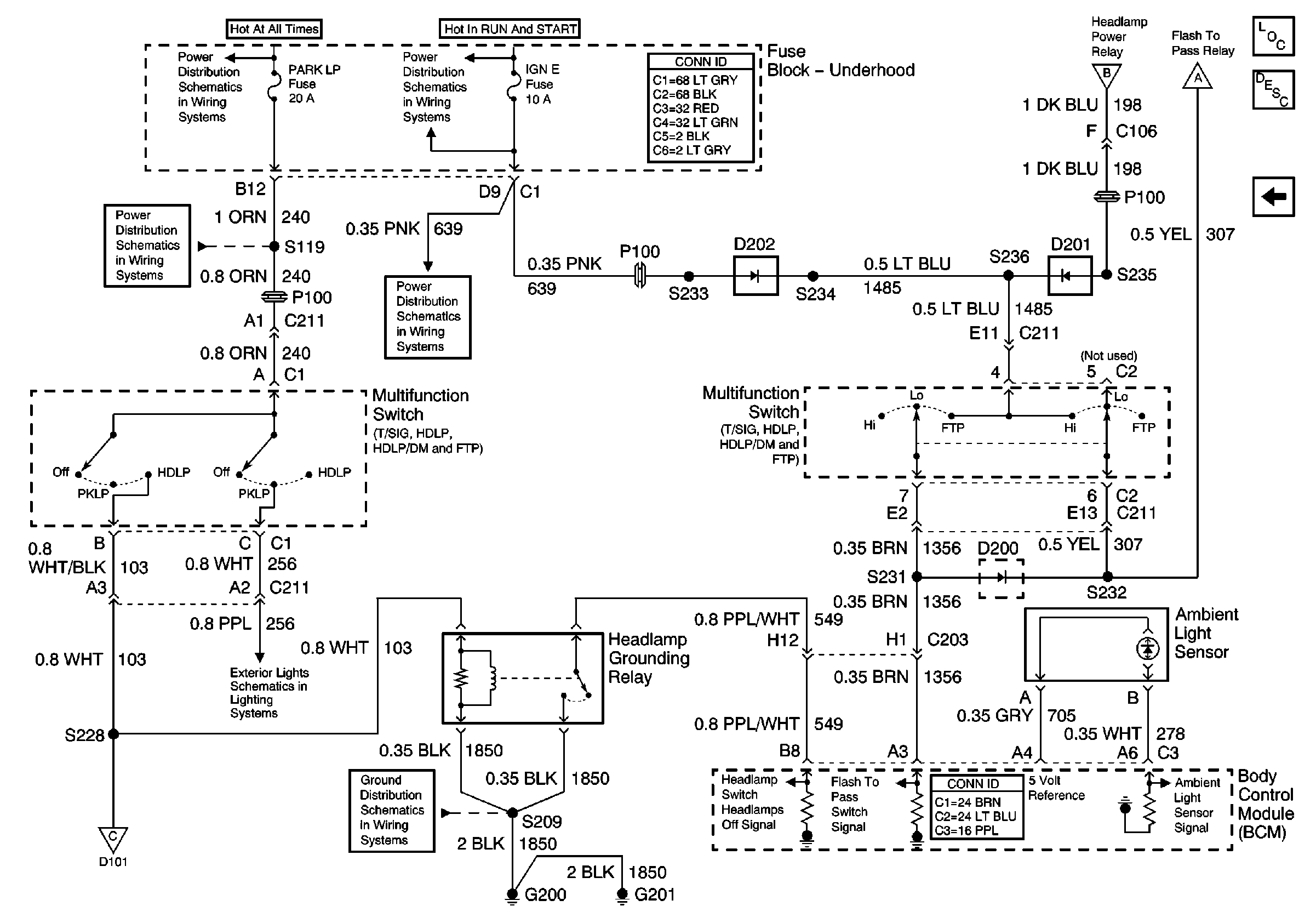
🢒 Power, Headlamp Switch, and Multifunction Switch
Power, Headlamp Switch, and Multifunction Switch
Power, Headlamp Switch, and Multifunction Switch
Master Electrical Component List
Exterior Lighting Systems Description and Operation
Power, Flash To Pass, and BCM
B+ Bus Bar
IGN E, GAUGES, and SIR Fuses
Power, Flash To Pass, and BCM
PARK LP, FR PRK, LR PRK, RR PRK, and TRL PRK Fuses
IGN E, GAUGES, and SIR Fuses
Power, Flash To Pass, and BCM
Power and Headlamp Switch
G200 and G201