GM Service Manual Online
For 1990-2009 cars only
Makes
🢒
Chevrolet
🢒
2001
🢒
Blazer - 4WD - RHD
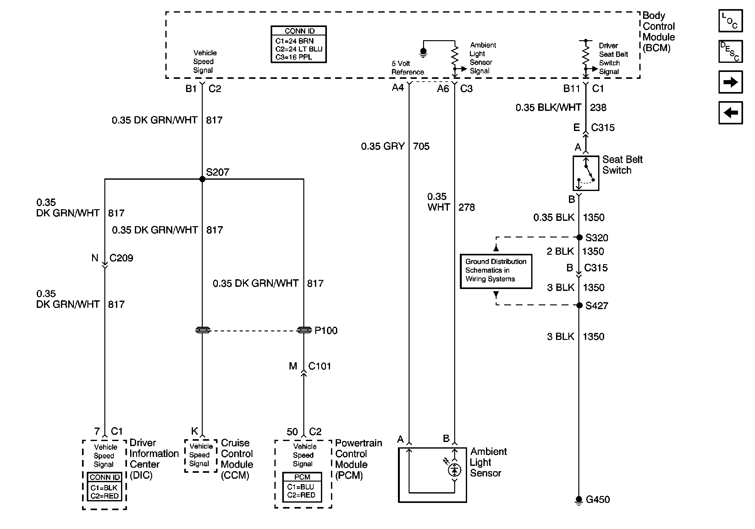
🢒 PCM/VCM, Ambient Light Sensor and Seat Belt Switch
PCM/VCM, Ambient Light Sensor and Seat Belt Switch
PCM/VCM, Ambient Light Sensor and Seat Belt Switch
Master Electrical Component List
Body Control System Description and Operation
Passlock ™ Sensor, Liftglass Relay and RAP Relay
Front Jamb Switch and Door Handle Switches
G450