GM Service Manual Online
For 1990-2009 cars only
Makes
🢒
Chevrolet
🢒
2001
🢒
Blazer - 4WD - RHD
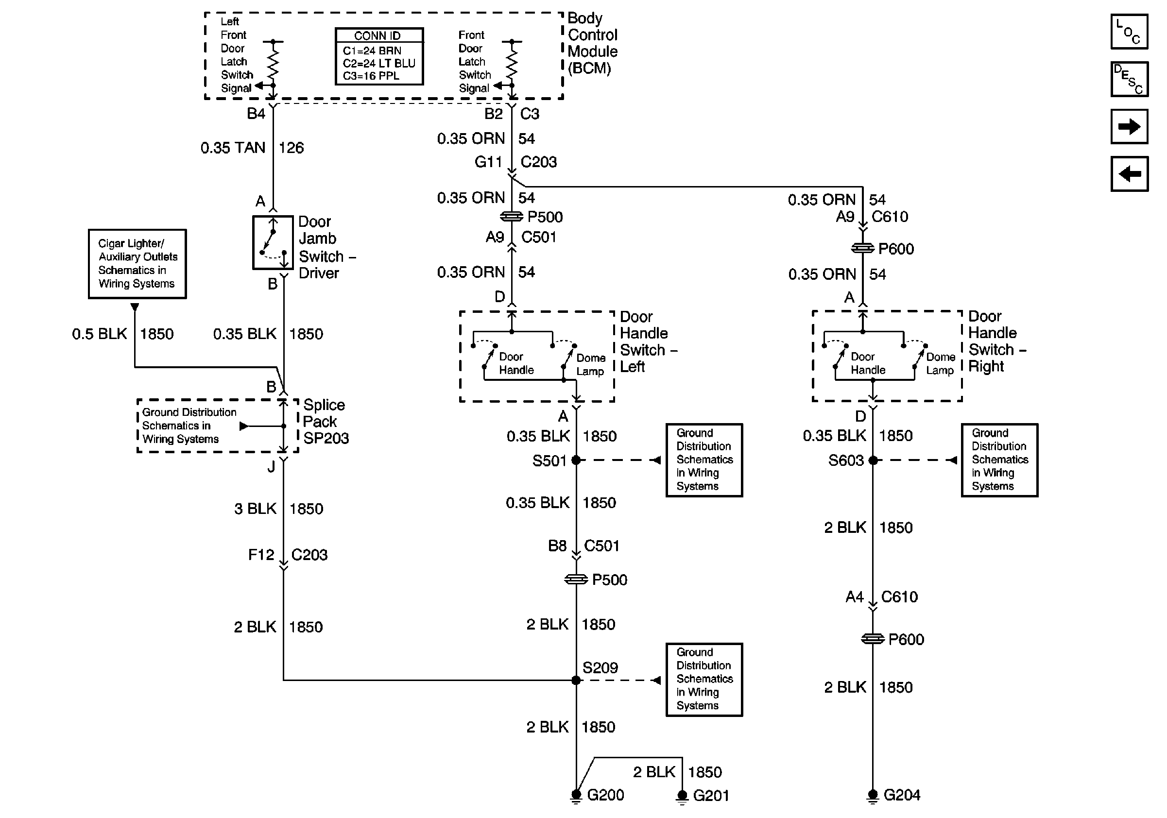
🢒 Front Jamb Switch and Door Handle Switches
Front Jamb Switch and Door Handle Switches
Front Jamb Switch and Door Handle Switches
Master Electrical Component List
Body Control System Description and Operation
PCM/VCM, Ambient Light Sensor and Seat Belt Switch
Rear Jamb Switches, Door Handle Switch and Ignition Key Alarm Switch
Cigar Lighter/Auxiliary Outlets Schematics
SP203
G200 and G201
G200 and G201
G202 and G204