GM Service Manual Online
For 1990-2009 cars only
Makes
🢒
Chevrolet
🢒
2001
🢒
Blazer - 4WD - RHD
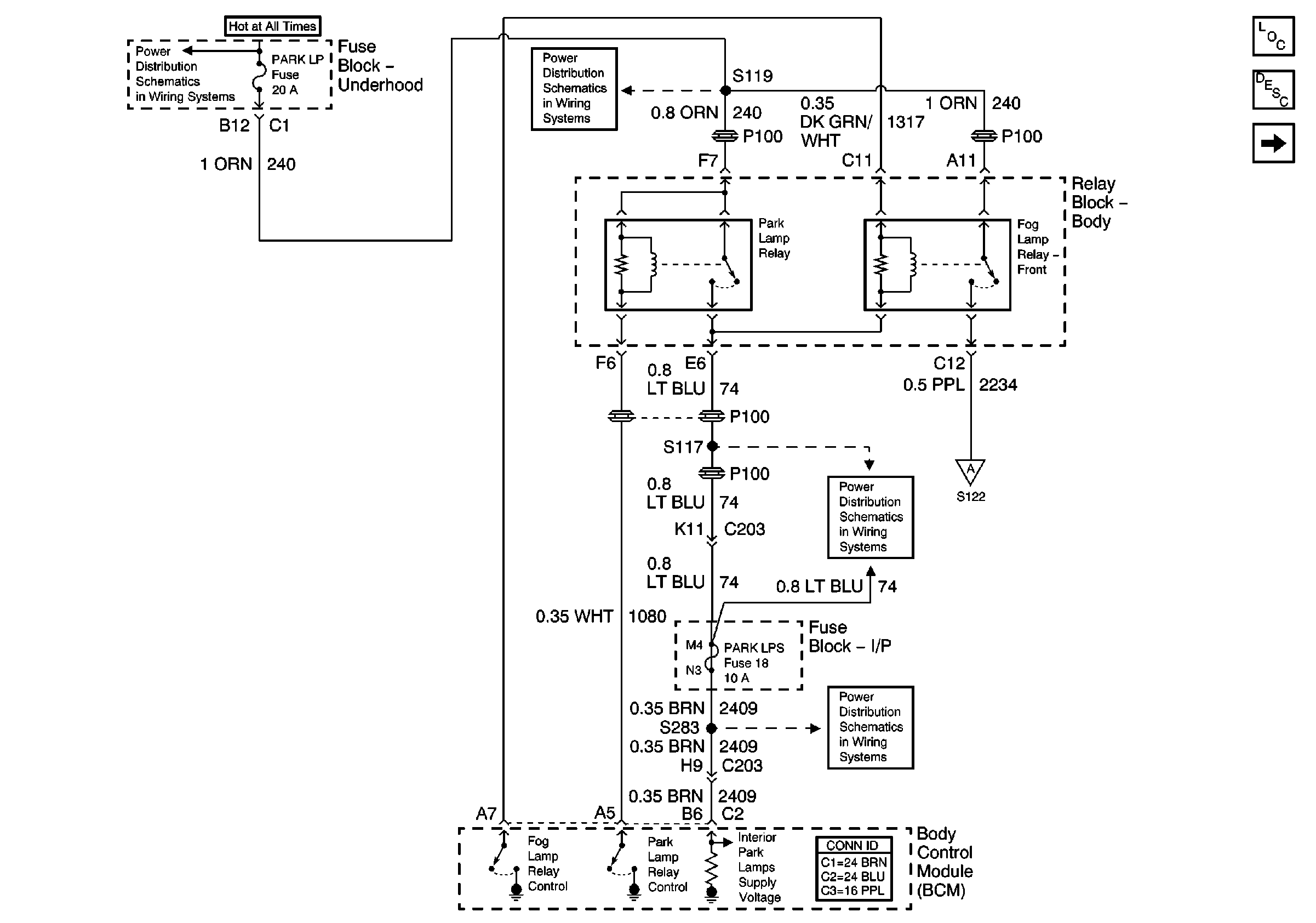
🢒 Fog Lamp Relay, Front
Fog Lamp Relay, Front
Fog Lamp Relay, Front
Master Electrical Component List
Exterior Lighting Systems Description and Operation
Fog Lamps - LF/RF, and Fog Lamp Switch - Front
B+ Bus Bar
PARK LP, FR PRK, LR PRK, RR PRK, and TRL PRK Fuses
Fog Lamps - LF/RF, and Fog Lamp Switch - Front
ILLUM and PARK LP Fuses
ILLUM and PARK LP Fuses