GM Service Manual Online
For 1990-2009 cars only
Makes
🢒
Chevrolet
🢒
2001
🢒
Blazer - 4WD - RHD
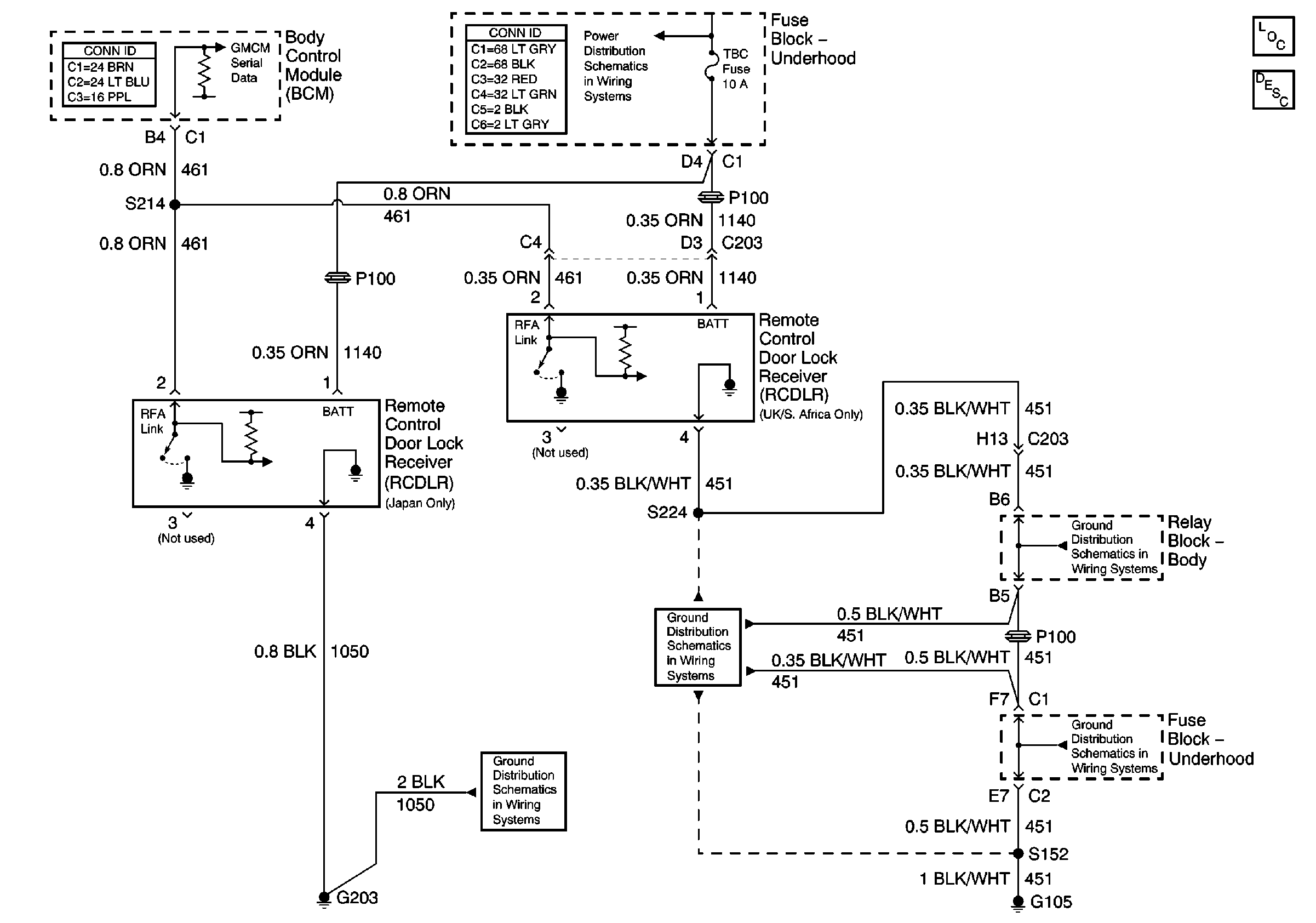
🢒 Keyless Entry Schematics
Keyless Entry Schematics
Master Electrical Component List
Keyless Entry System Description and Operation
B+ Bus Bar
G203 and G205
G103 and G105
G103 and G105
G103 and G105