GM Service Manual Online
For 1990-2009 cars only
Makes
🢒
Chevrolet
🢒
2001
🢒
Blazer - 4WD - RHD
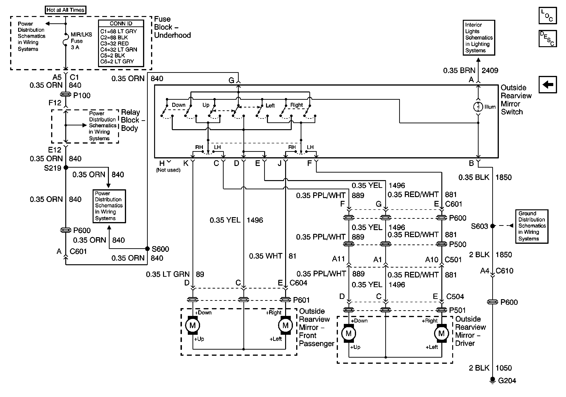
🢒 Outside Rear View Mirror Controls
Outside Rear View Mirror Controls
Outside Rear View Mirror Controls
Master Electrical Component List
Outside Mirror Description and Operation Power Mirrors
Heated Mirrors
B+ Bus Bar
MIR/LKS, LH HDLP and RH HDLP Fuses
MIR/LKS, LH HDLP and RH HDLP Fuses
Power and Ground
G202 and G204