GM Service Manual Online
For 1990-2009 cars only
Makes
🢒
Chevrolet
🢒
2002
🢒
Blazer - 4WD - RHD
🢒
Body and Accessories
🢒
Roof
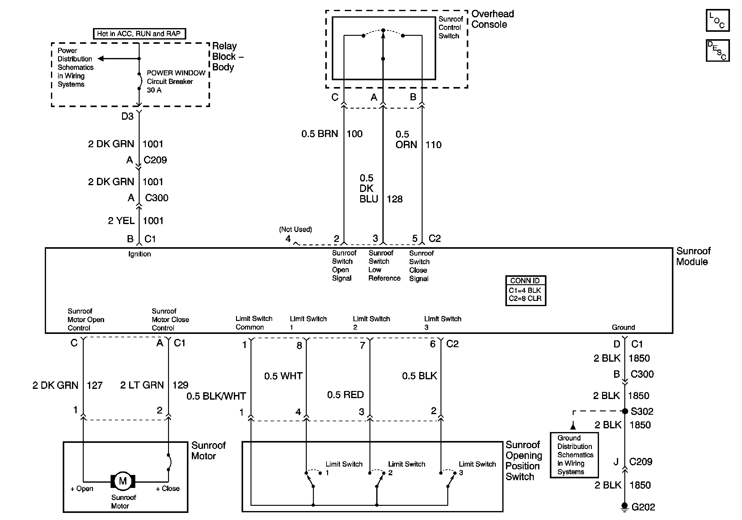
🢒 Sunroof Schematics
Master Electrical Component List
Sunroof Description and Operation
Ign START, RUN and ACC Bus Bar
G202 and G204