GM Service Manual Online
For 1990-2009 cars only
Makes
🢒
Chevrolet
🢒
2002
🢒
Blazer - 4WD - RHD
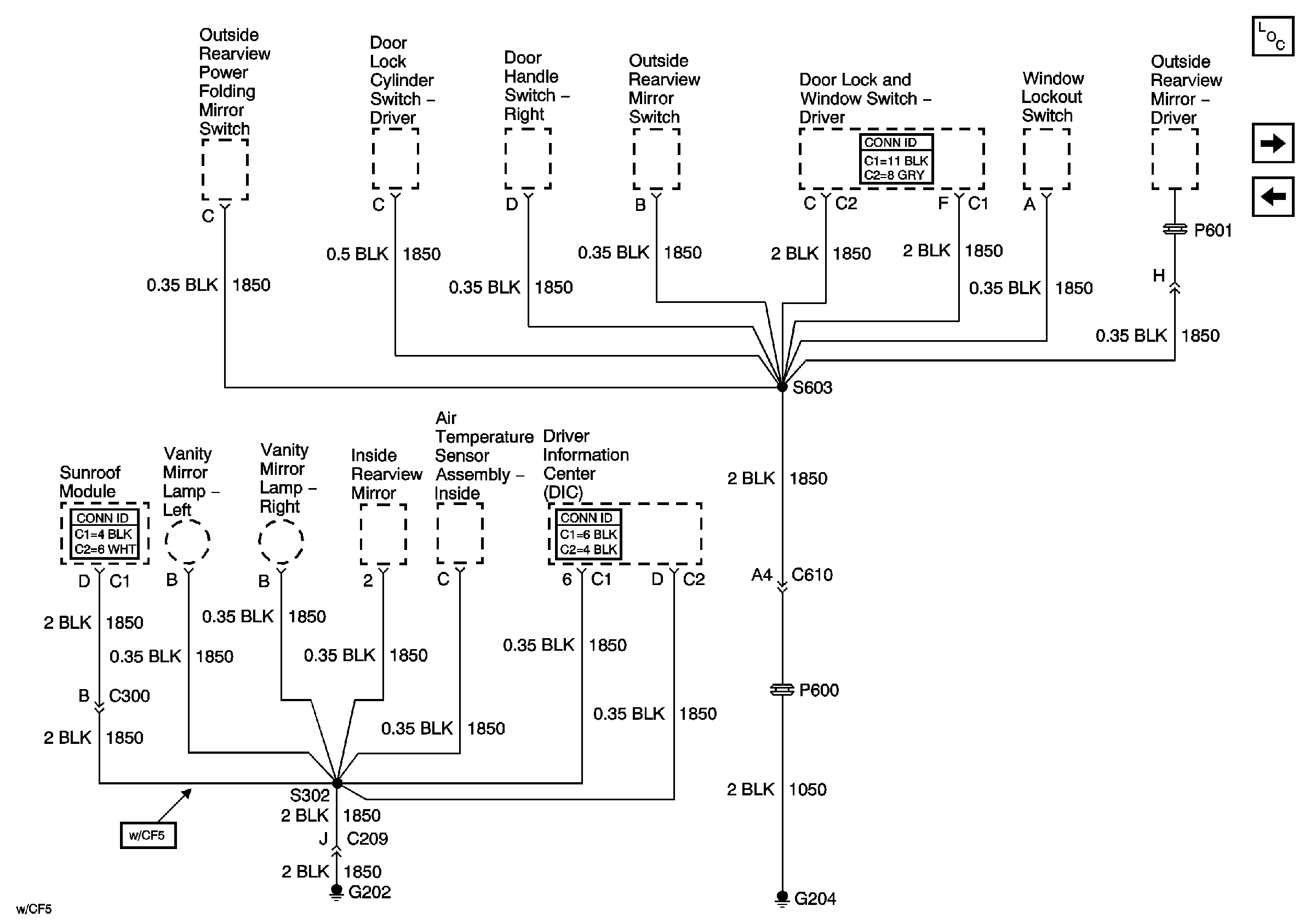
🢒 G202 and G204
G202 and G204
G202 and G204
Master Electrical Component List
G203 and G205
G200 and G201