GM Service Manual Online
For 1990-2009 cars only
Makes
🢒
Chevrolet
🢒
2002
🢒
Blazer - 4WD - RHD
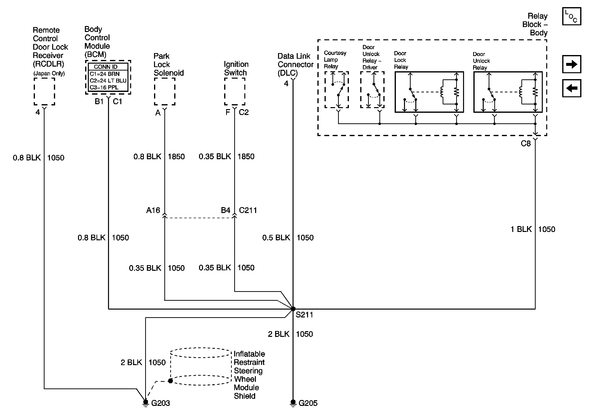
🢒 G203 and G205
G203 and G205
G203 and G205
Master Electrical Component List
G402 and G420
G202 and G204