GM Service Manual Online
For 1990-2009 cars only
Makes
🢒
Chevrolet
🢒
2002
🢒
Blazer - 4WD - RHD
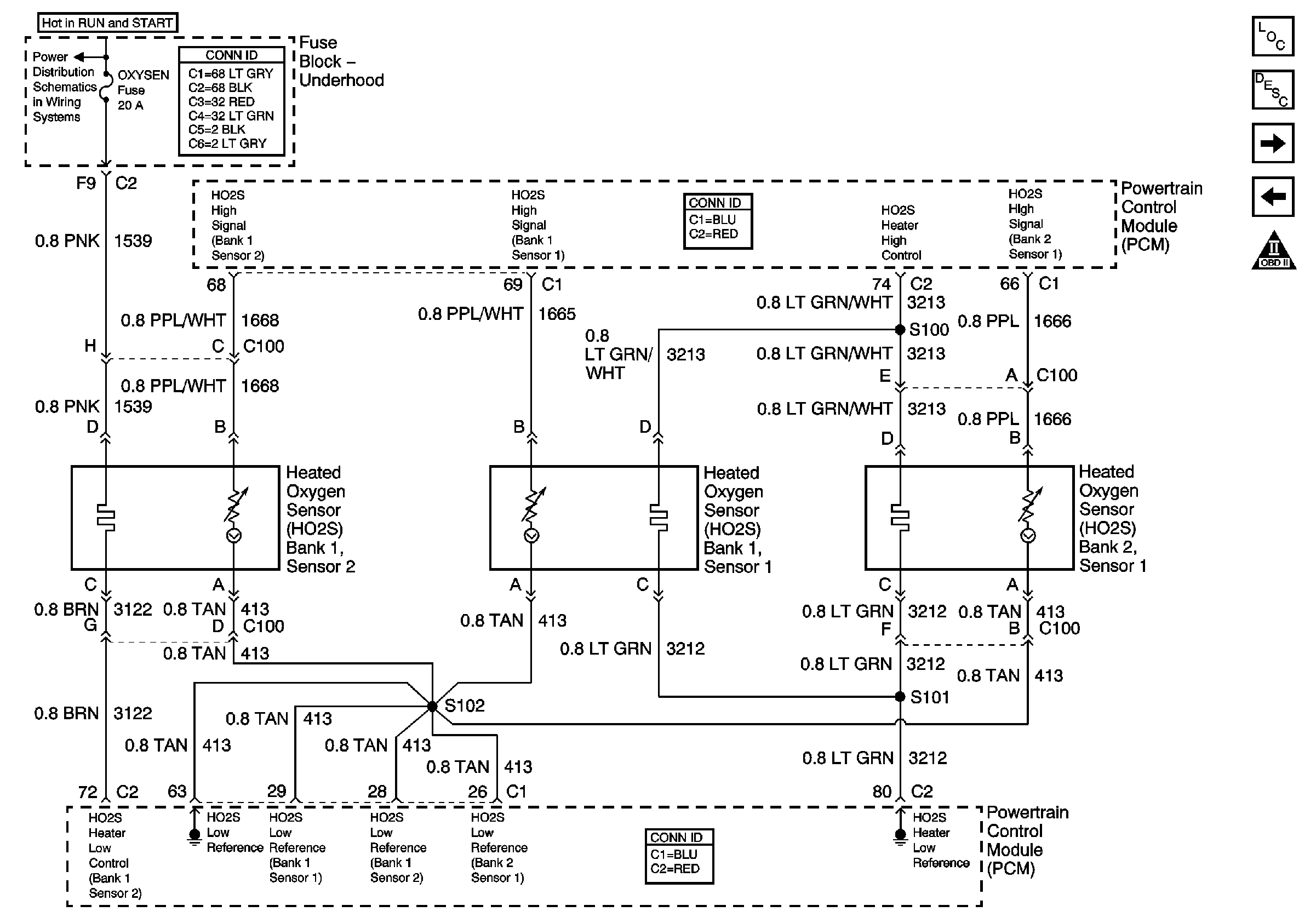
🢒 Engine Data Sensors - HO2S
Engine Data Sensors - HO2S
Engine Data Sensors - HO2S
Master Electrical Component List
Powertrain Control Module Description
Ignition Controls
Engine Data Sensors - MAF and VSS
OBD II Symbol Description Notice
Ign START, RUN and ACC Bus Bar