GM Service Manual Online
For 1990-2009 cars only
Makes
🢒
Chevrolet
🢒
2002
🢒
Blazer - 4WD - RHD
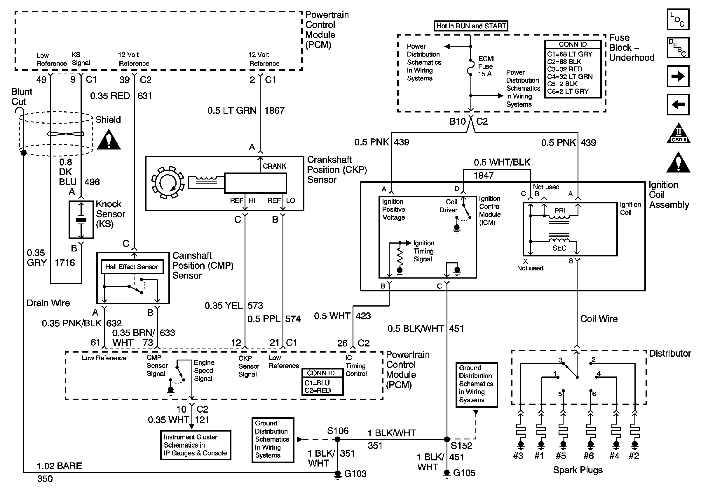
🢒 Ignition Controls
Ignition Controls
Ignition Controls
Master Electrical Component List
Distributor Ignition (DI) System Description
Fuel Controls - Fuel Pump Controls
Engine Data Sensors - HO2S
OBD II Symbol Description Notice
Engine Controls Schematic Icons
Engine Controls Schematic Icons
Ground and PCM
G103 and G105
Ign START, RUN and ACC Bus Bar
ECM I Fuse
G103 and G105