GM Service Manual Online
For 1990-2009 cars only
Makes
🢒
Chevrolet
🢒
2002
🢒
Blazer - 4WD - RHD
🢒 Fuel Controls - EVAP Controls
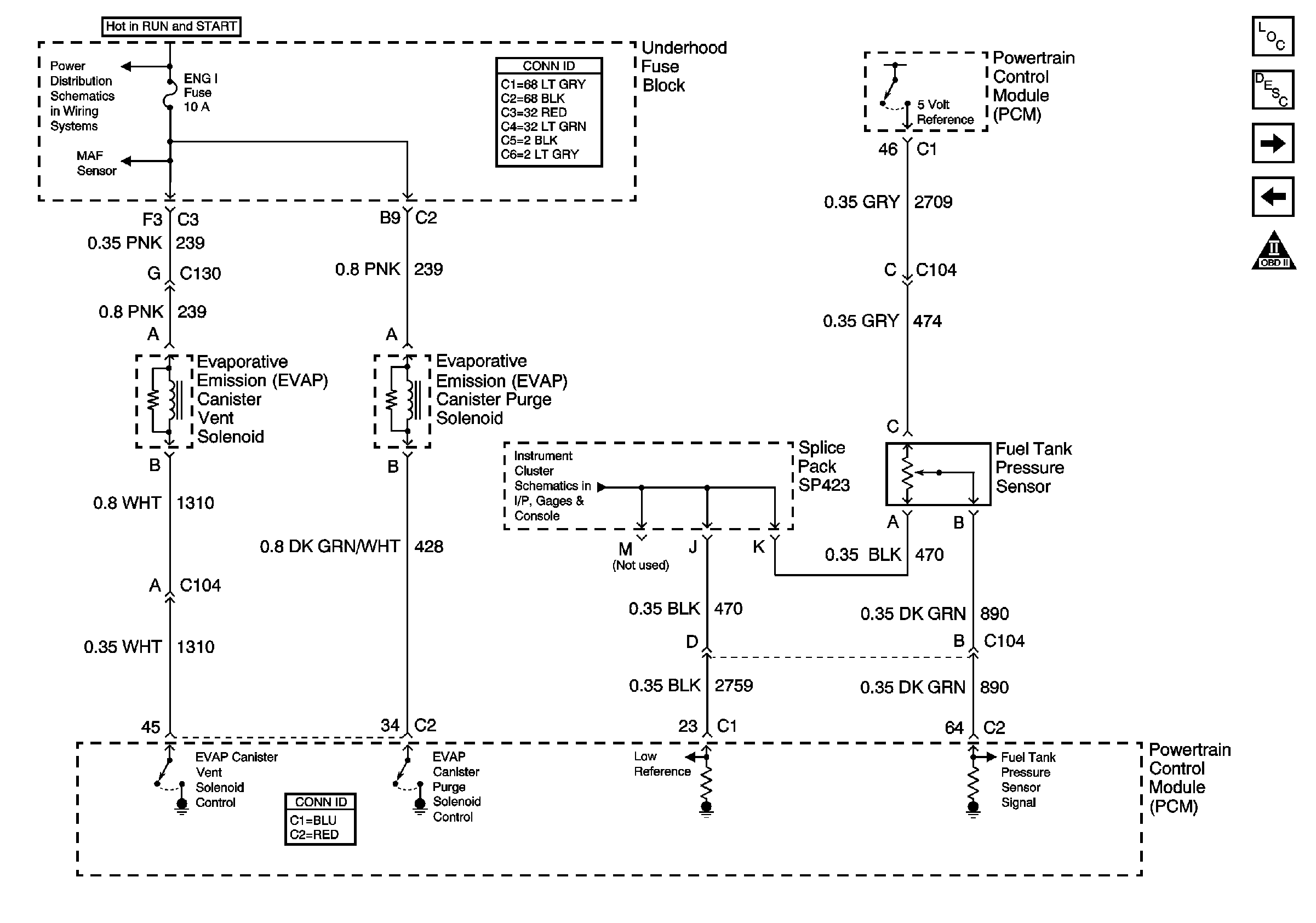
Fuel Controls - EVAP Controls
Fuel Controls - EVAP Controls
Master Electrical Component List
Evaporative Emission Control System Description
Device Controls and Controlled/Monitored Subsystem References and Transmission Controls - M/T
Fuel Controls - Fuel Injectors
OBD II Symbol Description Notice
Ign START, RUN and ACC Bus Bar
Engine Data Sensors - MAF and VSS
Ground and PCM