GM Service Manual Online
For 1990-2009 cars only
Makes
🢒
Chevrolet
🢒
2002
🢒
Blazer - 4WD - RHD
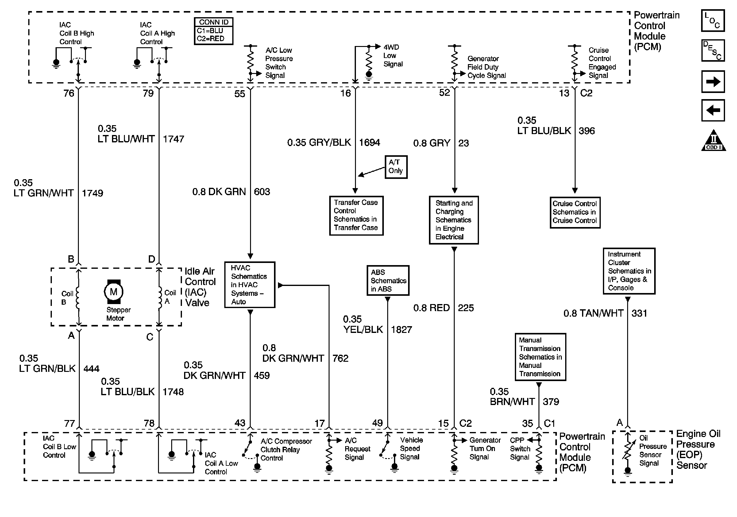
🢒 Device Controls and Controlled/Monitored Subsystem References and Transmission Controls - M/T
Device Controls and Controlled/Monitored Subsystem References and Transmission Controls - M/T
Device Controls and Controlled/Monitored Subsystem References and Transmission Controls - M/T
Master Electrical Component List
Powertrain Control Module Description
Transmission Controls - A/T
Fuel Controls - EVAP Controls
OBD II Symbol Description Notice
Transfer Case Shift Control Switch
Charging
Cruise Control Schematics
A/C Low and High Pressure Switches, A/C Compressor Clutch , D100, Ground, HVAC Module and PCM
EBCM Power and Ground
S/T RHD Manual Transmission Schematics
Ground and PCM