GM Service Manual Online
For 1990-2009 cars only
Makes
🢒
Chevrolet
🢒
2002
🢒
Blazer - 4WD - RHD
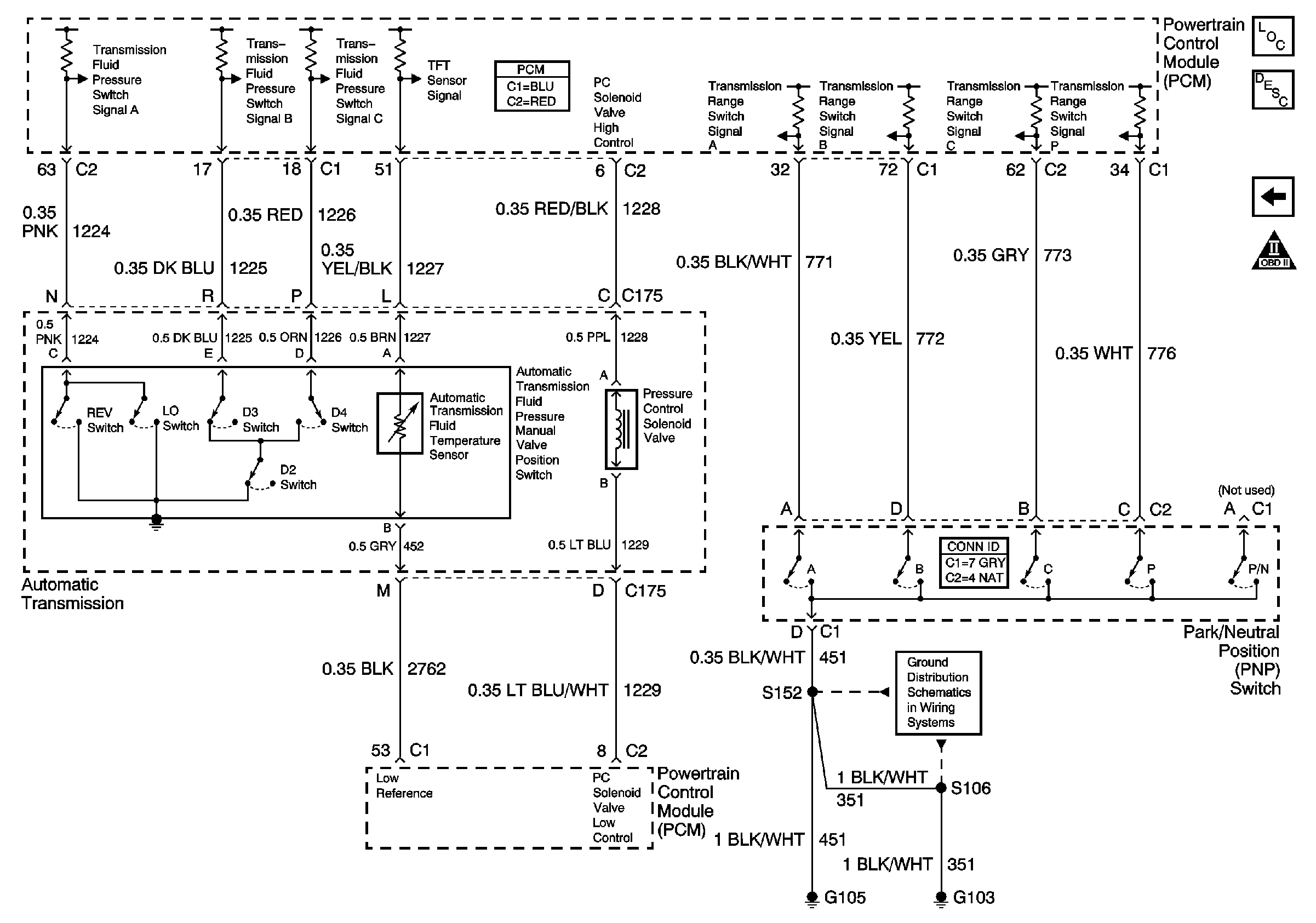
🢒 TFT Sensor, TFP Manual Valve Position Switch and PC SOL Valve
TFT Sensor, TFP Manual Valve Position Switch and PC SOL Valve
TFT Sensor, TFP Manual Valve Position Switch and PC SOL Valve
Master Electrical Component List
Transmission Component and System Description
TCC SOL, TCC PWM SOL, 3-2 SS, 2-3 SS and 1-2 SS Valves
OBD II Symbol Description Notice
G103 and G105