GM Service Manual Online
For 1990-2009 cars only
Makes
🢒
Chevrolet
🢒
2002
🢒
Blazer - 4WD - RHD
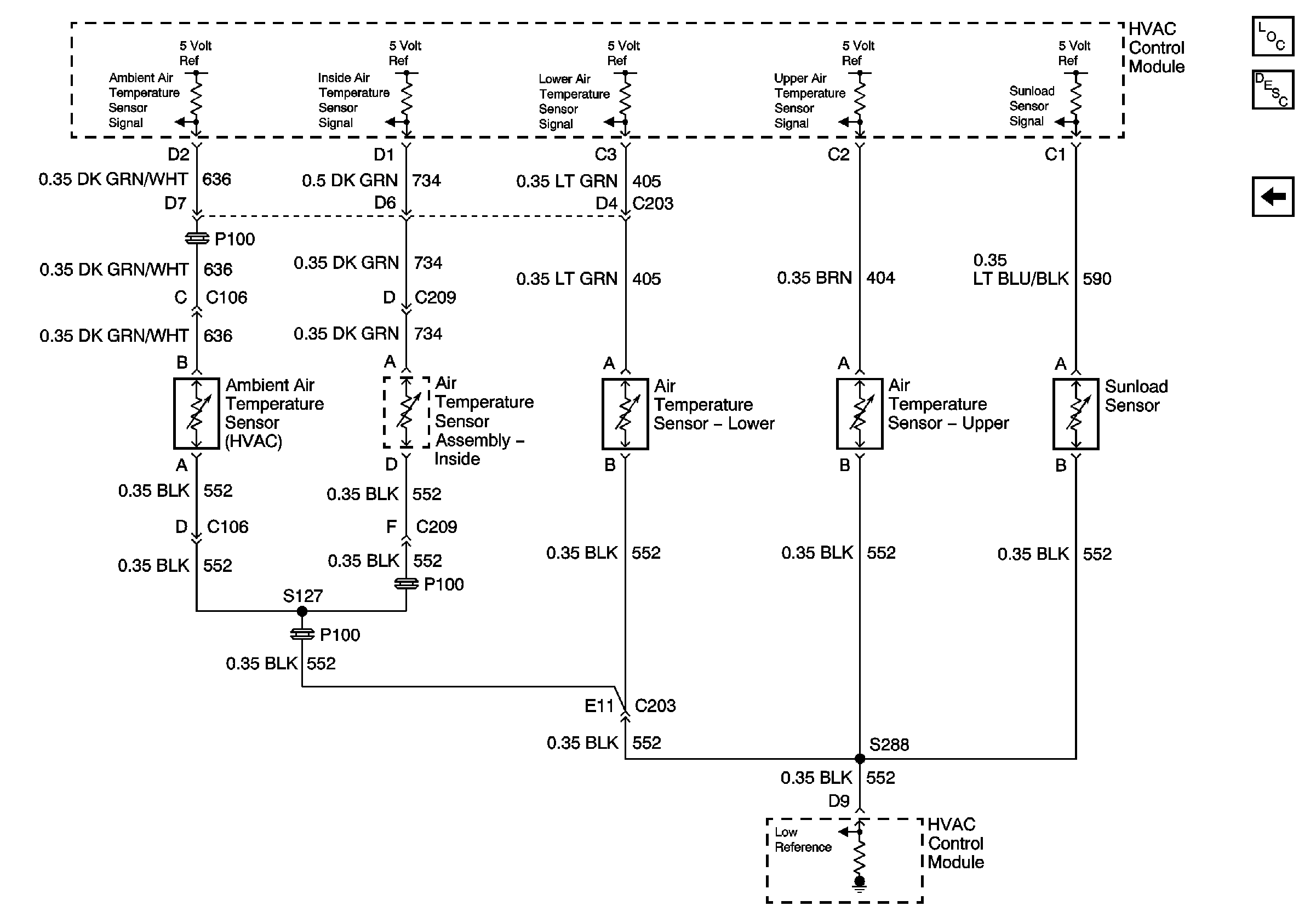
🢒 HVAC Control Module, Sunload Sensor, and Air Temperature Sensors
HVAC Control Module, Sunload Sensor, and Air Temperature Sensors
HVAC Control Module, Sunload Sensor, and Air Temperature Sensors
Master Electrical Component List
Air Temperature Description and Operation
HVAC Control Module, Air Temperature Actuator, Vacuum Control Assembly, Air Temperature Sensor - Inside, and G202