GM Service Manual Online
For 1990-2009 cars only
Makes
🢒
Chevrolet
🢒
2002
🢒
Blazer - 4WD - RHD
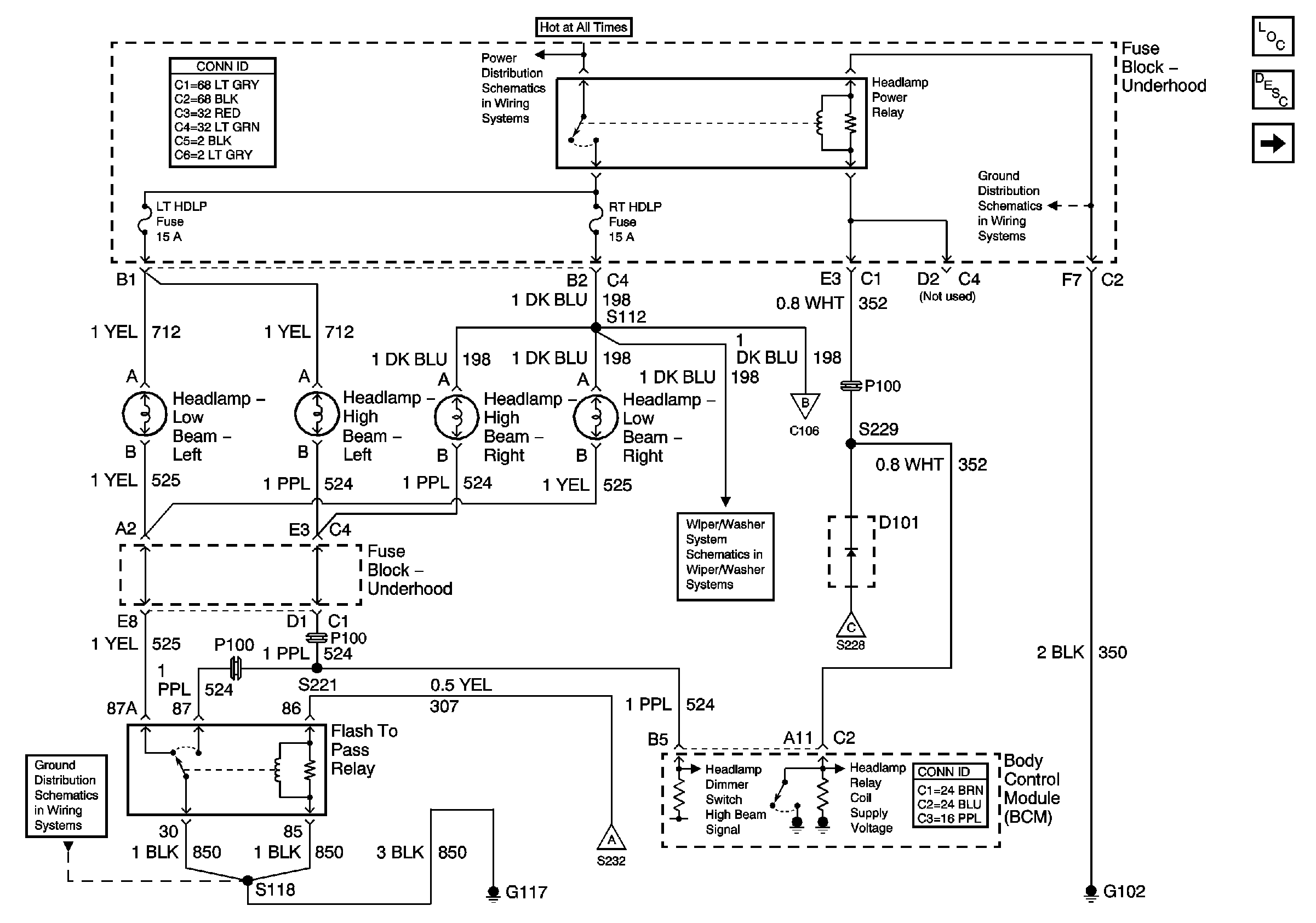
🢒 Power, Flash-to-Pass, and BCM
Power, Flash-to-Pass, and BCM
Power, Flash-to-Pass, and BCM
Master Electrical Component List
Exterior Lighting Systems Description and Operation
Power, Headlamp Switch, and Multifunction Switch
G117
B+ Bus Bar
Power, Headlamp Switch, and Multifunction Switch
Headlamp Washers
Power, Headlamp Switch, and Multifunction Switch
Power, Headlamp Switch, and Multifunction Switch
G102