GM Service Manual Online
For 1990-2009 cars only
Makes
🢒
Chevrolet
🢒
2002
🢒
Blazer - 4WD - RHD
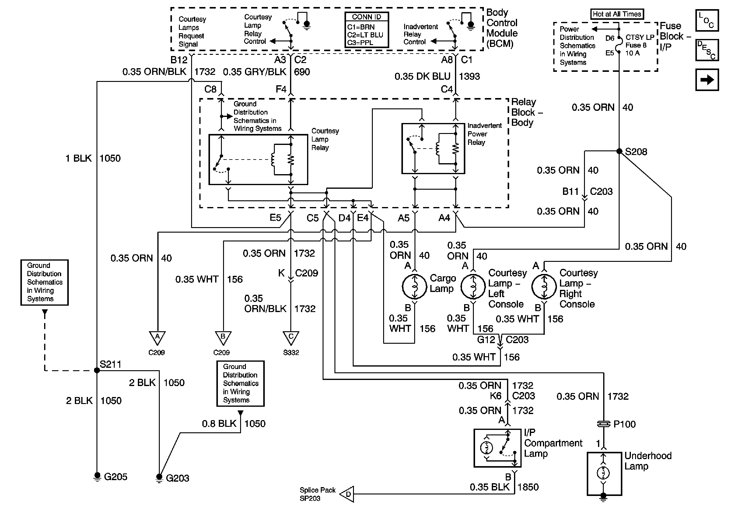
🢒 CTSY LP Fuse and Body Control Module (BCM)
CTSY LP Fuse and Body Control Module (BCM)
CTSY LP Fuse and Body Control Module (BCM)
Master Electrical Component List
Interior Lighting Systems Description and Operation
Body Control Module (BCM) and Grounds
STUD 2, INT BAT, CIGAR LTR, CTSY LP and PWR LKS Fuses
G203 and G205
G203 and G205
Body Control Module (BCM) and Grounds
Body Control Module (BCM) and Grounds
Body Control Module (BCM) and Grounds
Body Control Module (BCM) and Grounds