GM Service Manual Online
For 1990-2009 cars only
Makes
🢒
Chevrolet
🢒
2002
🢒
Blazer - 4WD - RHD
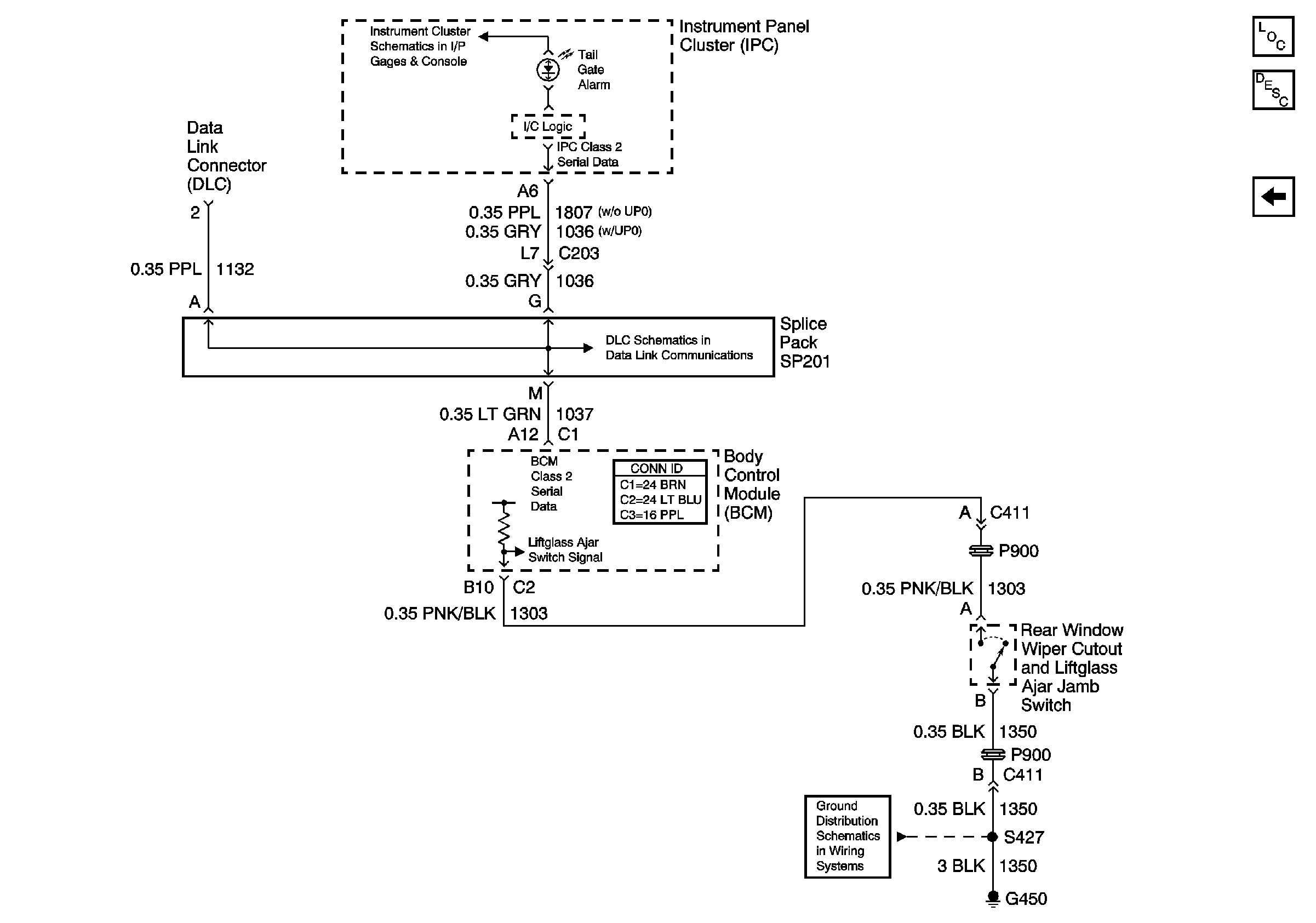
🢒 Gate Ajar Indicator
Gate Ajar Indicator
Gate Ajar Indicator
Master Electrical Component List
Rear Hatch/Gate Description and Operation Gate Ajar Ind
Liftglass Release Actuator and Switch
Data Link Connector (DLC), PCM and Engine Oil Pressure Gauge Sensor
Splice Pack SP201 and Modules
G450