GM Service Manual Online
For 1990-2009 cars only
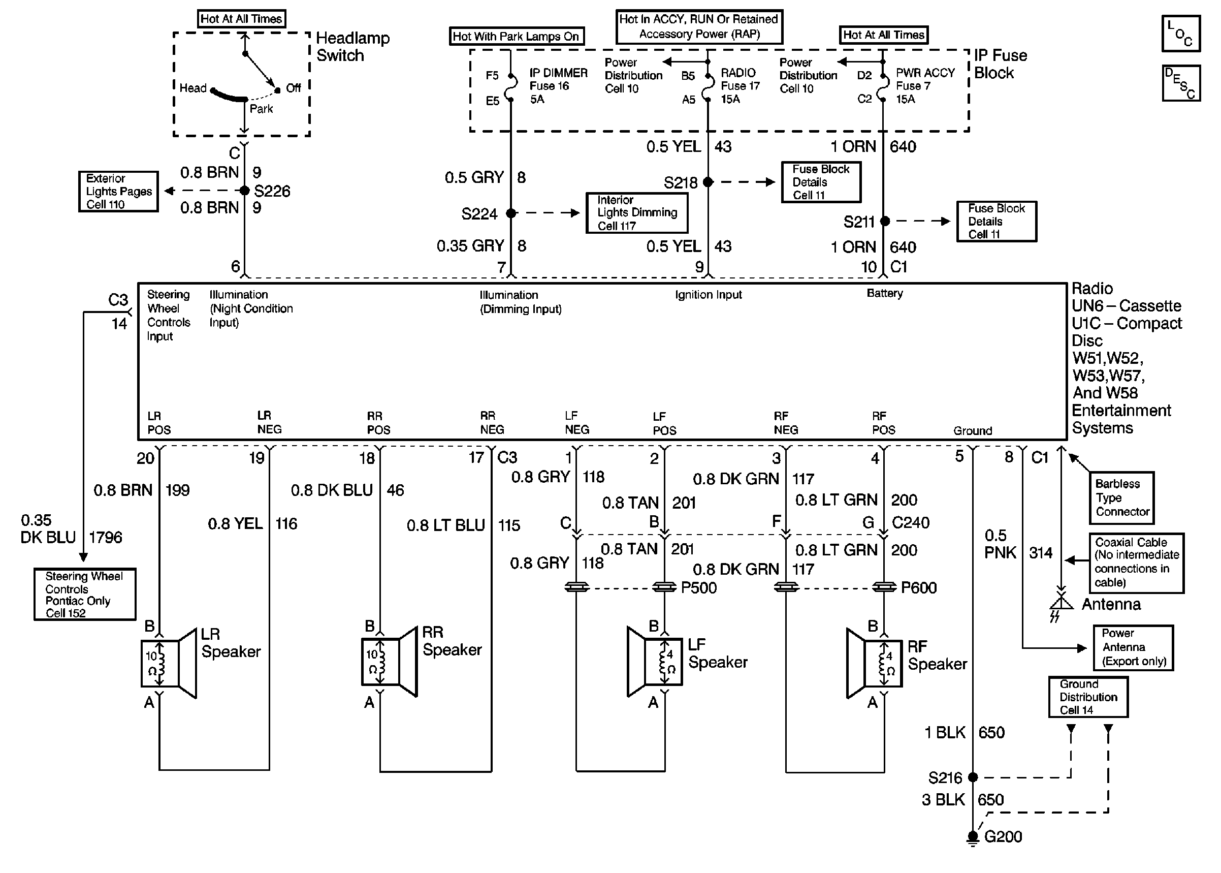
Figure 1:

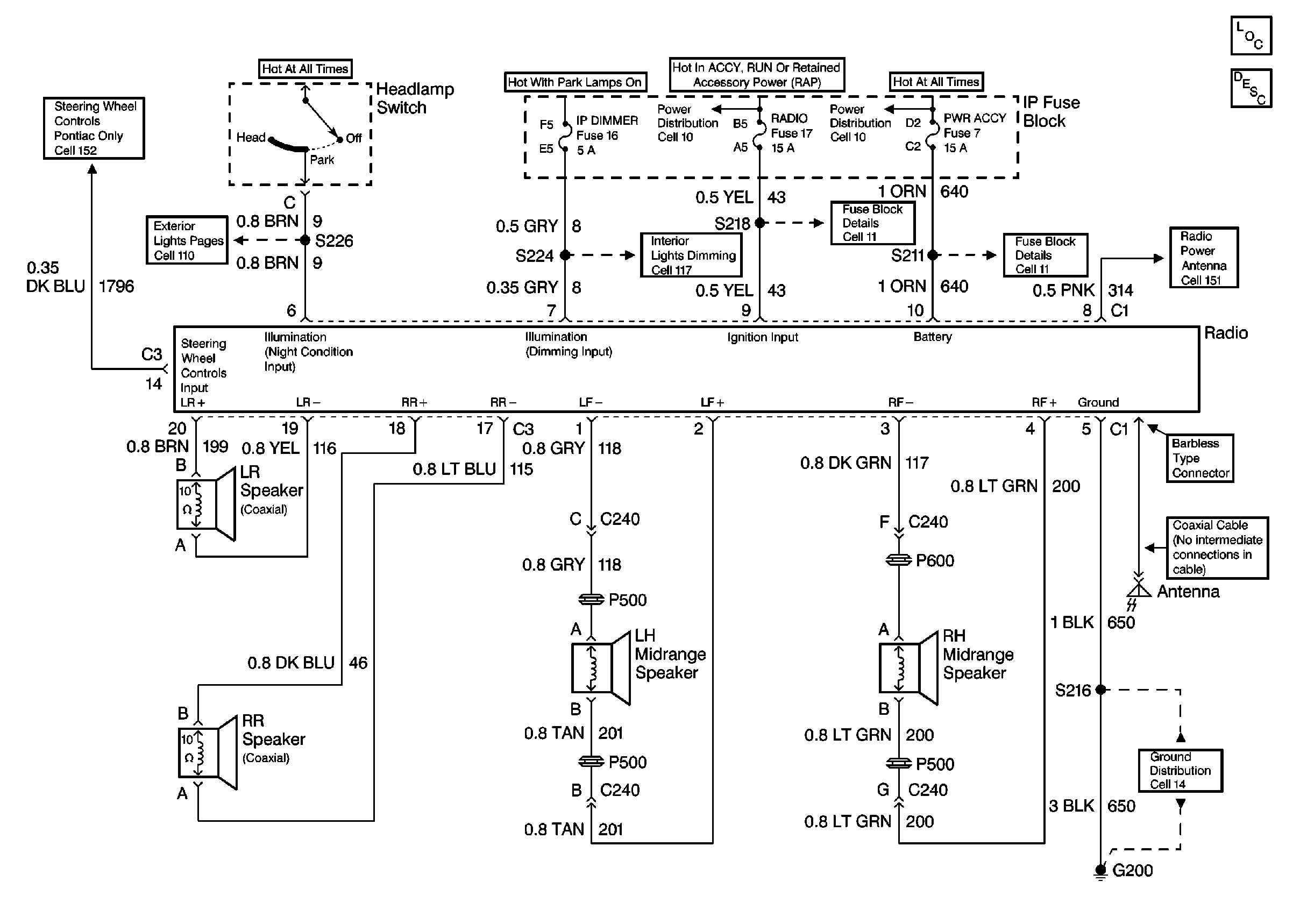
Cell 150: UL0, UM6, UN0 w/UQ0 or U62 (Chevrolet), and W52, W53 (Pontiac) Entertainment Systems


Object Number: 310936  Size: FS
Entertainment Components
Radio/Audio System Circuit Description
Chevrolet: Rear Turn Lamps, Tail/Stop Lamps, License Lamps Cell 110
Ignition Switch and IP Fuse Block
Fusible Links, IP Fuse Block, and Underhood Electrical Centers
Doors, PRNDL, Rear Fog Lamp Switch, Steering Wheel Controls
I/P Fuses 3, 14, 17 and Circuit Breaker 15
I/P Fuses 7, 9, 10 and 11
Cell 152
Cell 151: Pontiac Coupe With UW2, Pontiac Convertible With UW6
G200 DRL, HVAC, Rear Defog
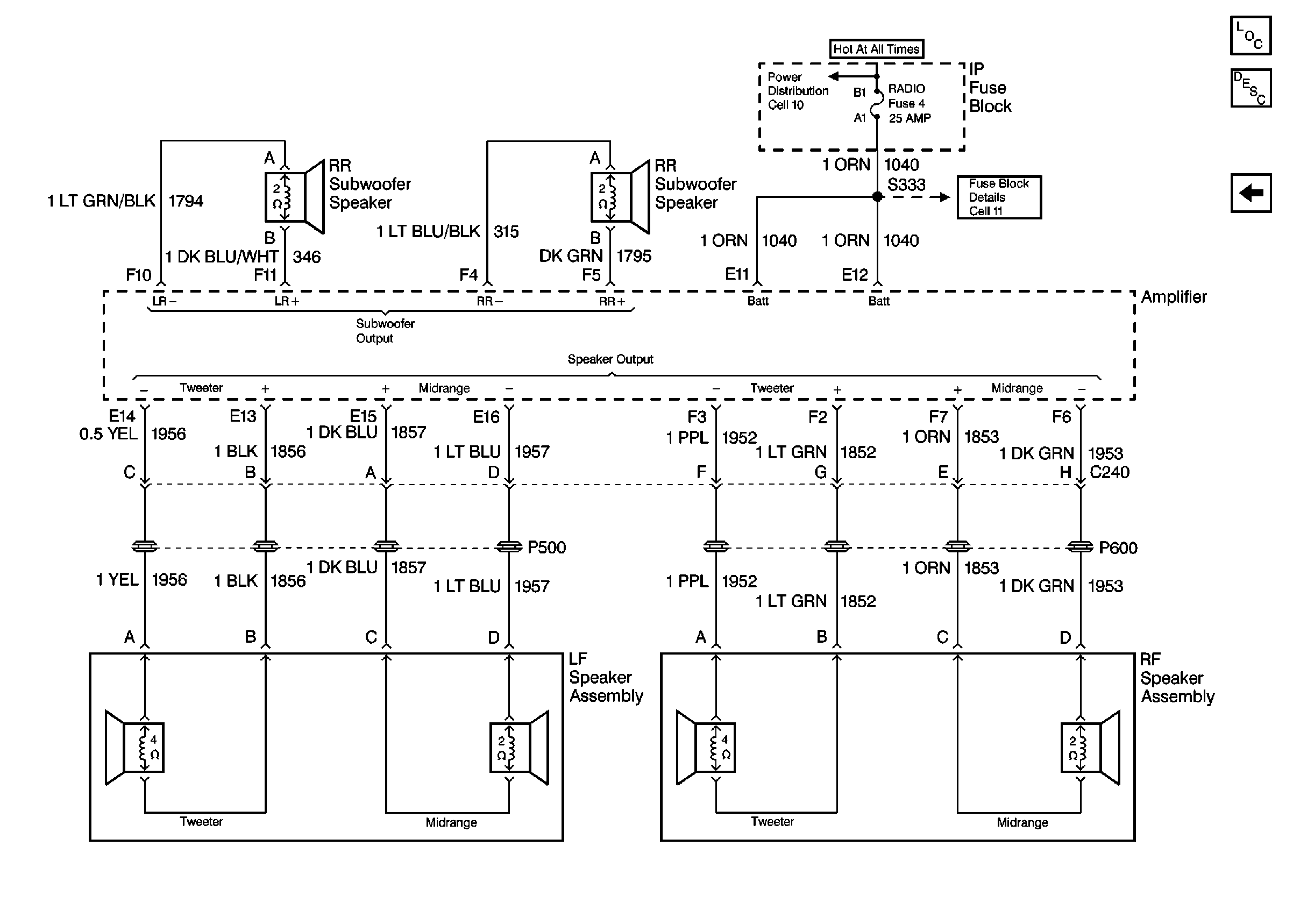
Figure 2:

Cell 150: UZ7 Chevrolet Coupe Radio, Amplifier, Extended Range Speakers


Object Number: 310937  Size: FS
Entertainment Components
Radio/Audio System Circuit Description
Cell 150: UZ7 Chevrolet Coupe Amplifier, Subwoofer and Front Speakers
Chevrolet: Rear Turn Lamps, Tail/Stop Lamps, License Lamps Cell 110
Fusible Links, IP Fuse Block, and Underhood Electrical Centers
Ignition Switch and IP Fuse Block
Doors, PRNDL, Rear Fog Lamp Switch, Steering Wheel Controls
I/P Fuses 7, 9, 10 and 11
I/P Fuses 3, 14, 17 and Circuit Breaker 15
G200 DRL, HVAC, Rear Defog
Gen Control, IAC , Check Gauges Lamp
Cell 152
Cell 151: Pontiac Coupe With UW2, Pontiac Convertible With UW6
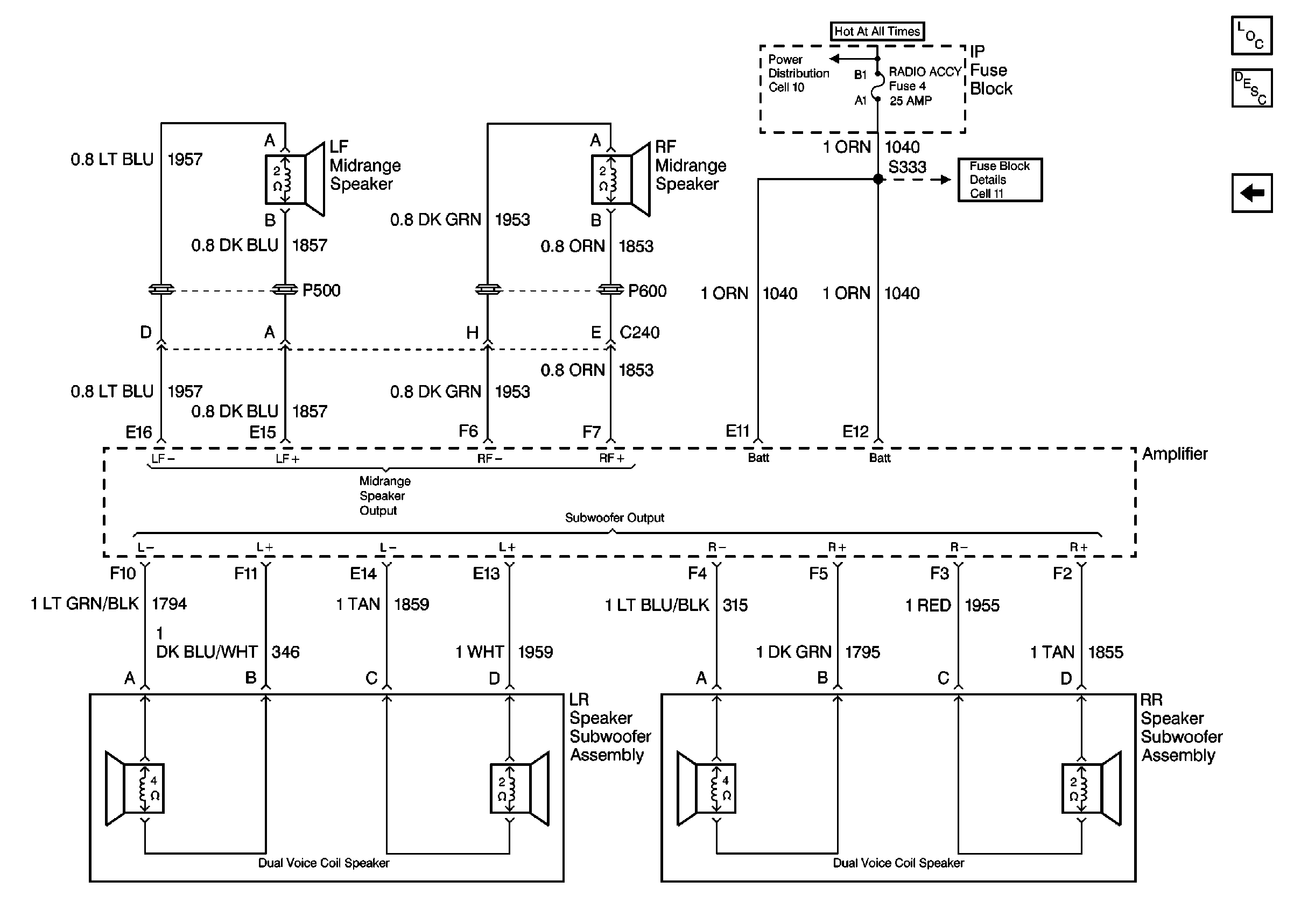
Figure 3:

Cell 150: UZ7 Chevrolet Coupe Amplifier, Subwoofer and Front Speakers


Object Number: 310938  Size: FS
Entertainment Components
Radio/Audio System Circuit Description
Cell 150: UZ7 Chevrolet Coupe Radio, Amplifier, Extended Range Speakers
Fusible Links, IP Fuse Block, and Underhood Electrical Centers
I/P Fuses 4, 8 and Circuit Breaker 12
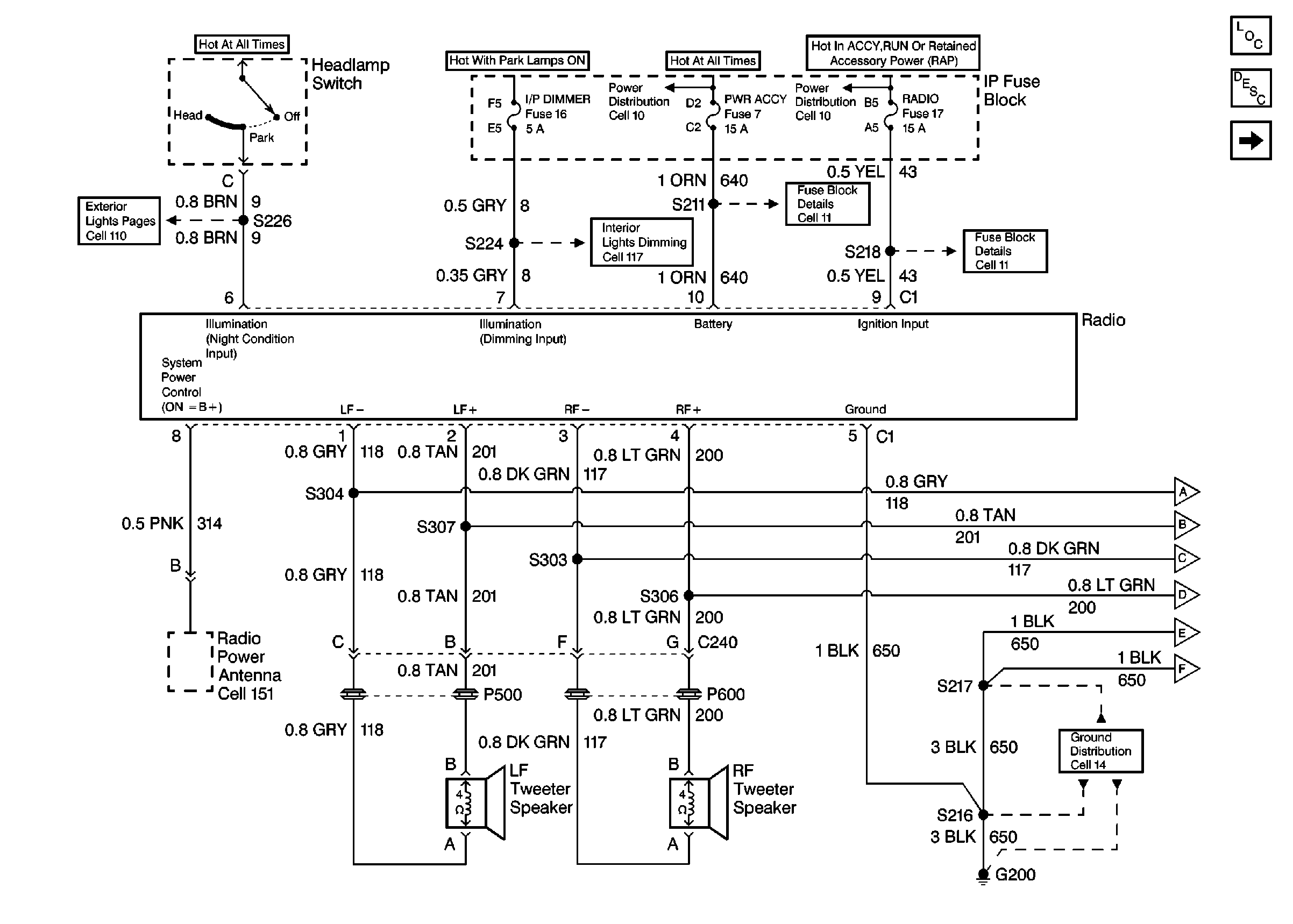
Figure 4:

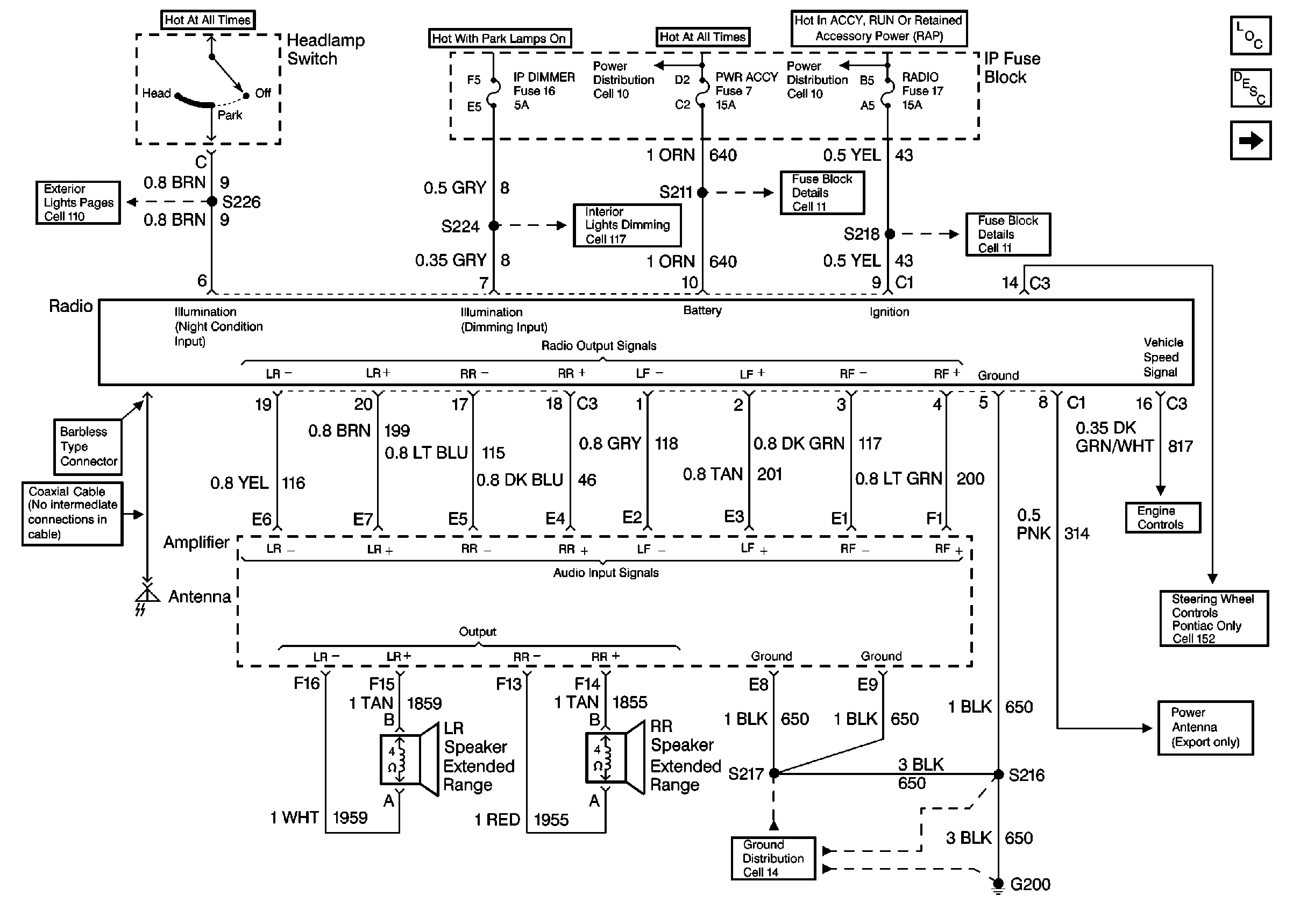
Cell 150: W54, W55 Pontiac Coupe Radio, Front Tweeter Speakers


Object Number: 310939  Size: FS
Entertainment Components
Radio/Audio System Circuit Description
Cell 150: W54, W55 Pontiac Coupe Radio, Amplifier, Rear Tweeter and Midrange Speakers
Chevrolet: Rear Turn Lamps, Tail/Stop Lamps, License Lamps Cell 110
Doors, PRNDL, Rear Fog Lamp Switch, Steering Wheel Controls
I/P Fuses 7, 9, 10 and 11
I/P Fuses 3, 14, 17 and Circuit Breaker 15
G200 DRL, HVAC, Rear Defog
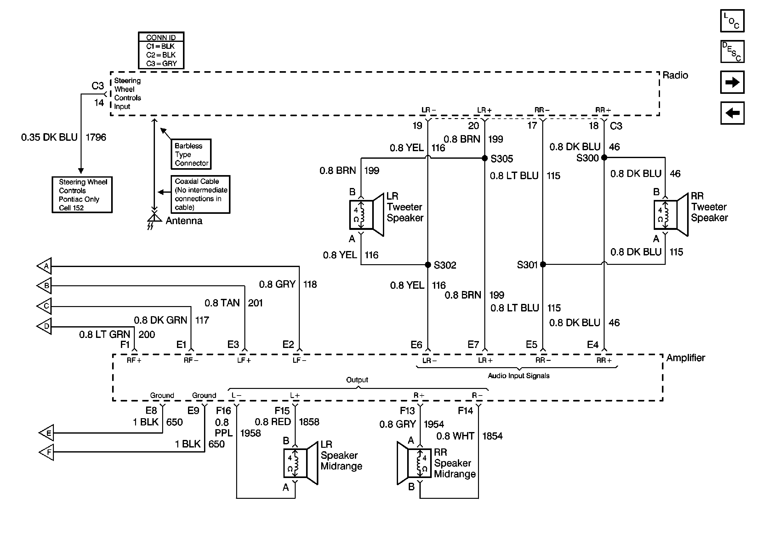
Cell 150: W54, W55 Pontiac Coupe Radio, Amplifier, Rear Tweeter and Midrange Speakers
Figure 5:

Cell 150: W54, W55 Pontiac Coupe Radio, Amplifier, Rear Tweeter and Midrange Speakers


Object Number: 310940  Size: FS
Entertainment Components
Radio/Audio System Circuit Description
Cell 150: W54, W55 Pontiac Coupe Amplifier, Front Midrange and Rear Subwoofer Speakers
Cell 150: W54, W55 Pontiac Coupe Radio, Front Tweeter Speakers
Cell 150: W54, W55 Pontiac Coupe Radio, Front Tweeter Speakers
Cell 150: W54, W55 Pontiac Coupe Radio, Front Tweeter Speakers
Cell 152
Figure 6:

Cell 150: W54, W55 Pontiac Coupe Amplifier, Front Midrange and Rear Subwoofer Speakers


Object Number: 310941  Size: FS
Entertainment Components
Radio/Audio System Circuit Description
Cell 150: W54, W55 Pontiac Coupe Radio, Amplifier, Rear Tweeter and Midrange Speakers
Fusible Links, IP Fuse Block, and Underhood Electrical Centers
I/P Fuses 4, 8 and Circuit Breaker 12
Figure 7:

Cell 150: Headlamp Switch, Radio, Front Midrange and Rear Speakers


Object Number: 310942  Size: FS
Entertainment Components
Radio/Audio System Circuit Description
Cell 152
Chevrolet: Rear Turn Lamps, Tail/Stop Lamps, License Lamps Cell 110
Ignition Switch and IP Fuse Block
Fusible Links, IP Fuse Block, and Underhood Electrical Centers
Doors, PRNDL, Rear Fog Lamp Switch, Steering Wheel Controls
I/P Fuses 3, 14, 17 and Circuit Breaker 15
I/P Fuses 7, 9, 10 and 11
Cell 151: Pontiac Coupe With UW2, Pontiac Convertible With UW6
G200 DRL, HVAC, Rear Defog
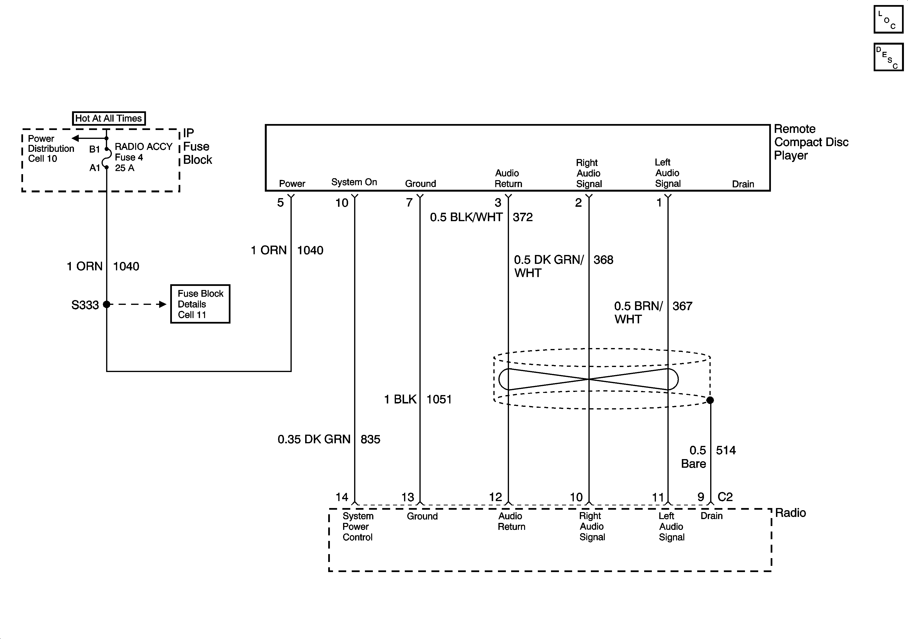
Figure 8:

Cell 150: Remote Compact Disc Player


Object Number: 310945  Size: FS
Entertainment Components
Radio/Audio System Circuit Description
Fusible Links, IP Fuse Block, and Underhood Electrical Centers
I/P Fuses 4, 8 and Circuit Breaker 12