GM Service Manual Online
For 1990-2009 cars only
Makes
🢒
Chevrolet
🢒
2007
🢒
Caprice WM
🢒
Body Systems
🢒
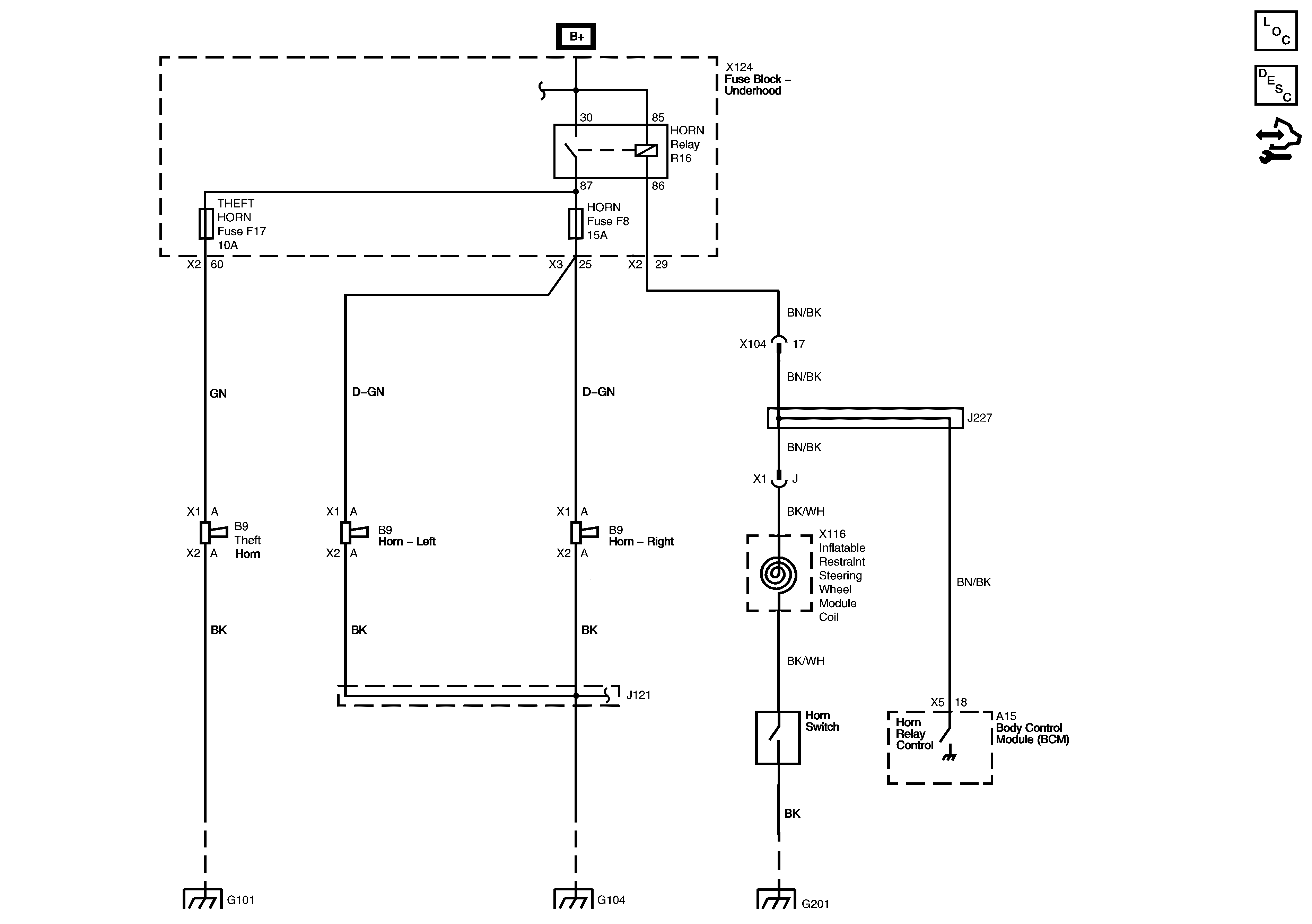
Horns
🢒 Horn Schematics
Horns, Theft Horn, and Horn Switch
Master Electrical Component List
Horns System Description and Operation
Control Module References
G101 and G102
G104
G201 - 1 of 2