GM Service Manual Online
For 1990-2009 cars only

HVAC Schematics RHD

Figure 1:

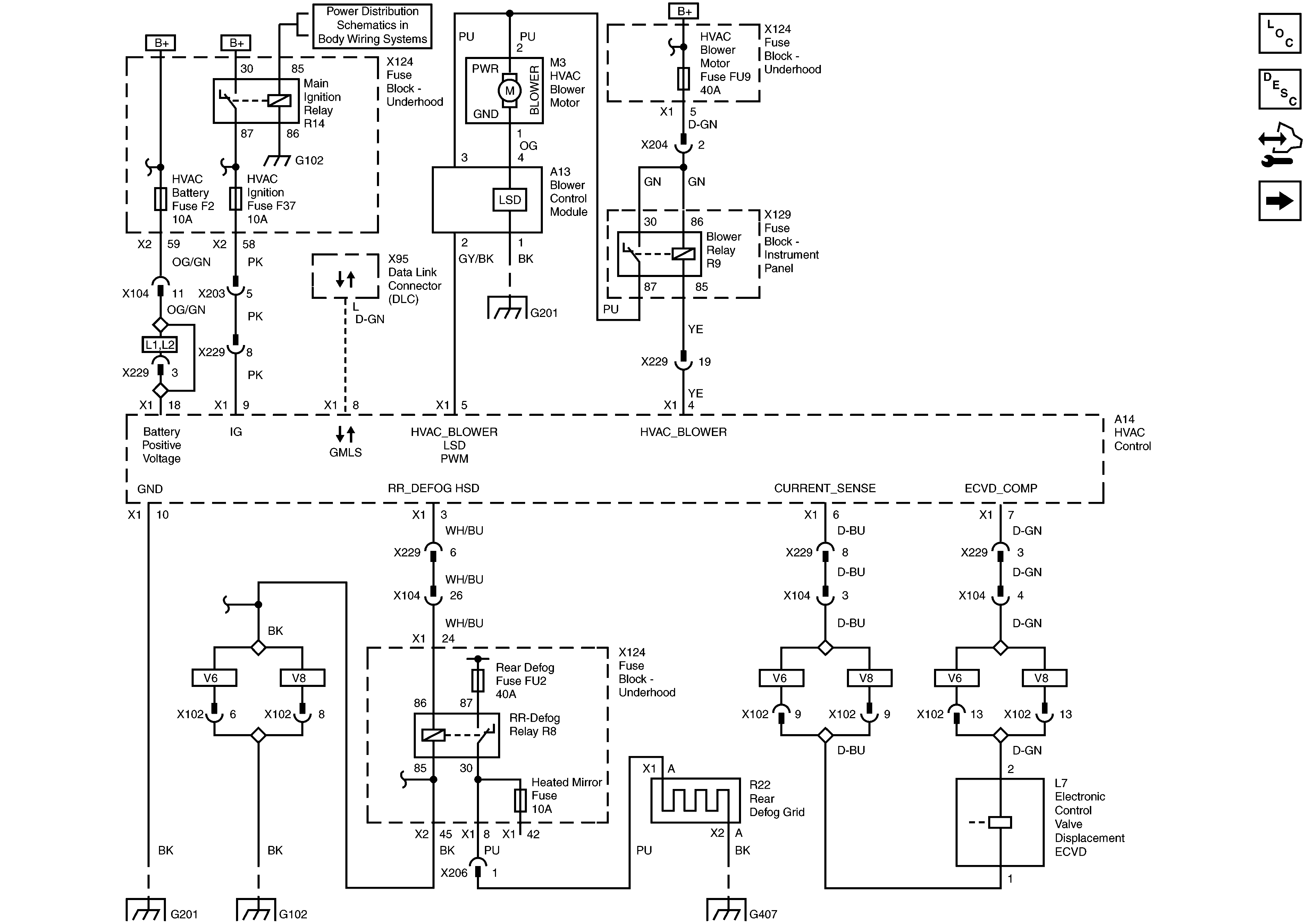
HVAC Module, Power, Ground, Serial Data, Inputs and Outputs


Object Number: 1958854  Size: FS
Master Electrical Component List
Air Delivery Description and Operation SWB
Control Module References
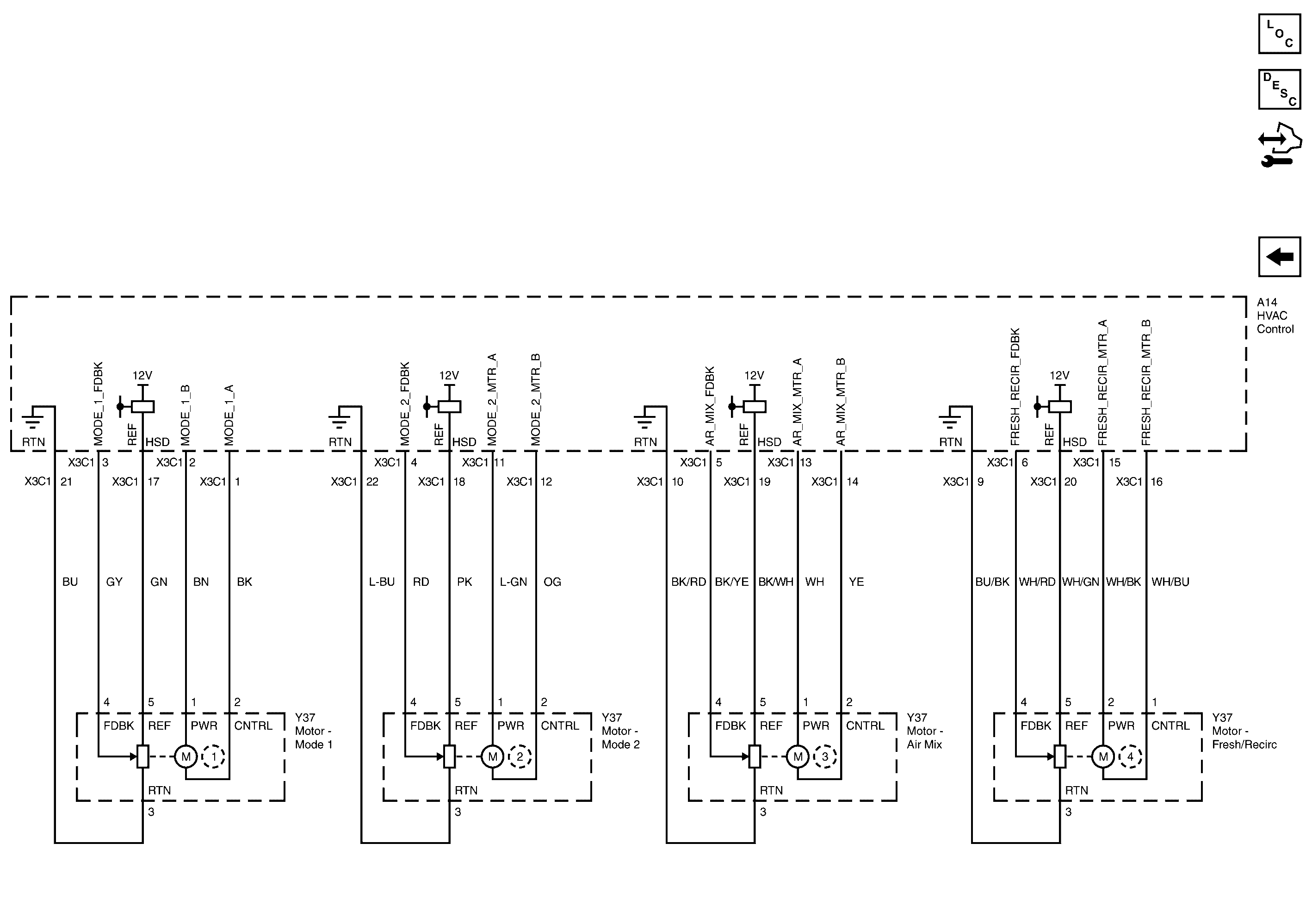
HVAC Actuators
G101 and G102
G305 - 2 of 2, G308 and G407
G202
Figure 2:

HVAC Actuators


Object Number: 1958857  Size: FS
Master Electrical Component List
Air Delivery Description and Operation SWB
Control Module References
HVAC Module, Power, Ground, Serial Data, Inputs and Outputs

HVAC Schematics LHD

Figure 1:

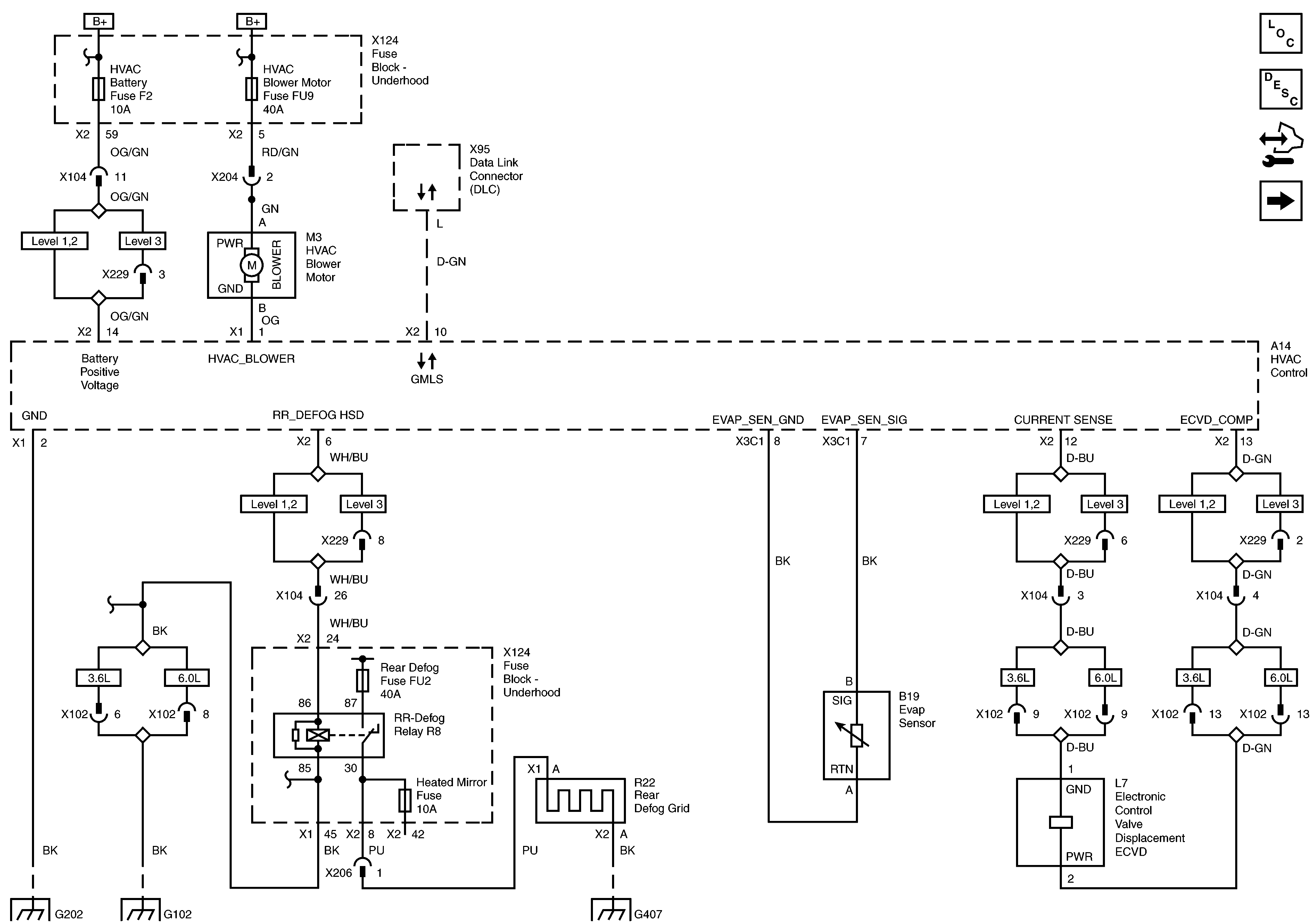
HVAC Module, Power, Ground, Serial Data, Inputs and Outputs


Object Number: 1958875  Size: FS
Master Electrical Component List
Air Delivery Description and Operation SWB
Control Module References
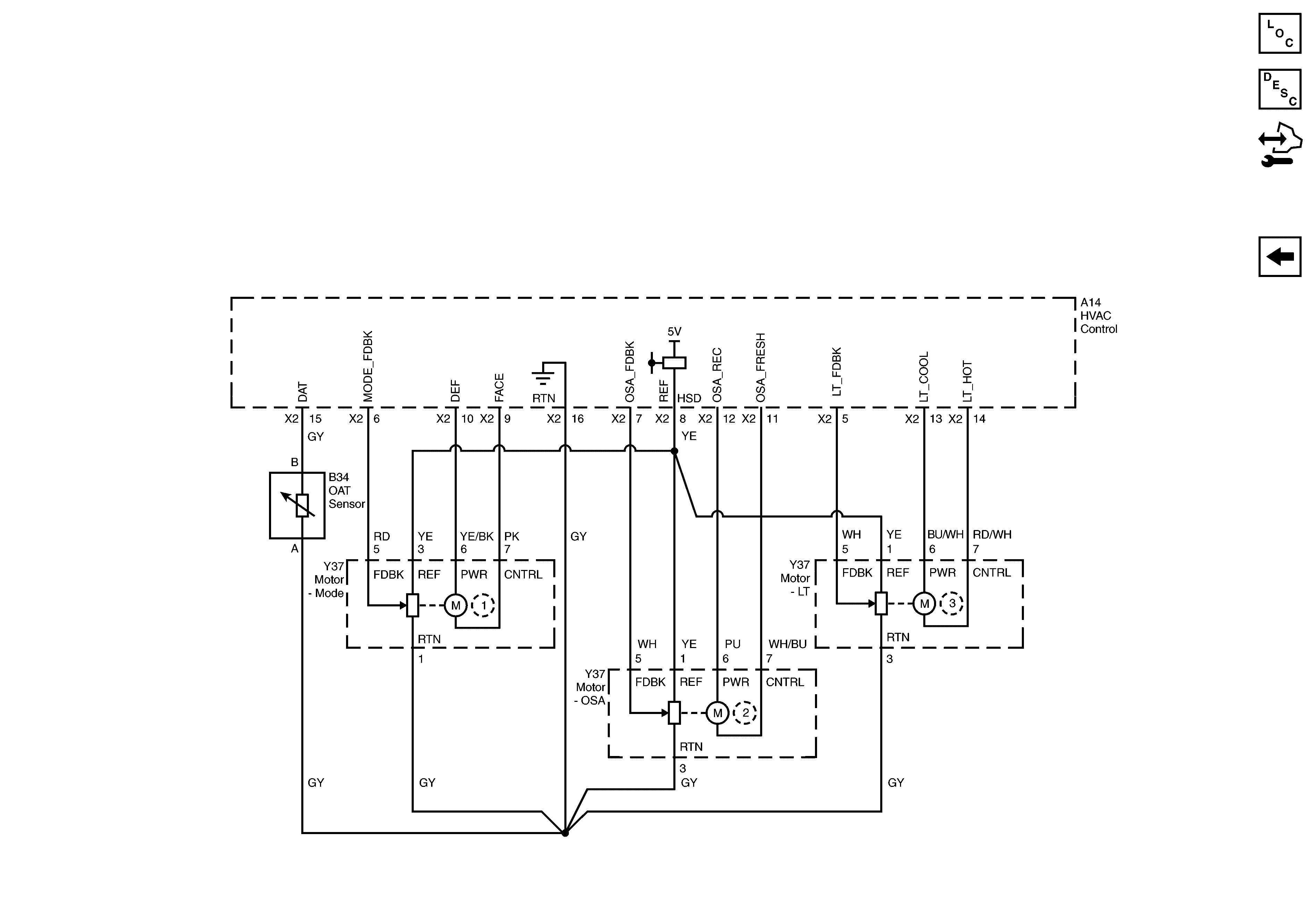
Outside Air Temperature Sensor and HVAC Actuators
G101 and G102
G305 - 2 of 2, G308 and G407
G202
Figure 2:

Outside Air Temperature Sensor and HVAC Actuators


Object Number: 1958878  Size: FS
Master Electrical Component List
Air Delivery Description and Operation SWB
Control Module References
HVAC Module, Power, Ground, Serial Data, Inputs and Outputs