GM Service Manual Online
For 1990-2009 cars only
Makes
🢒
Chevrolet
🢒
2007
🢒
Caprice WM
🢒 Bluetooth System
Bluetooth System
Bluetooth System
Master Electrical Component List
Cellular Telephone Description and Operation
Control Module References
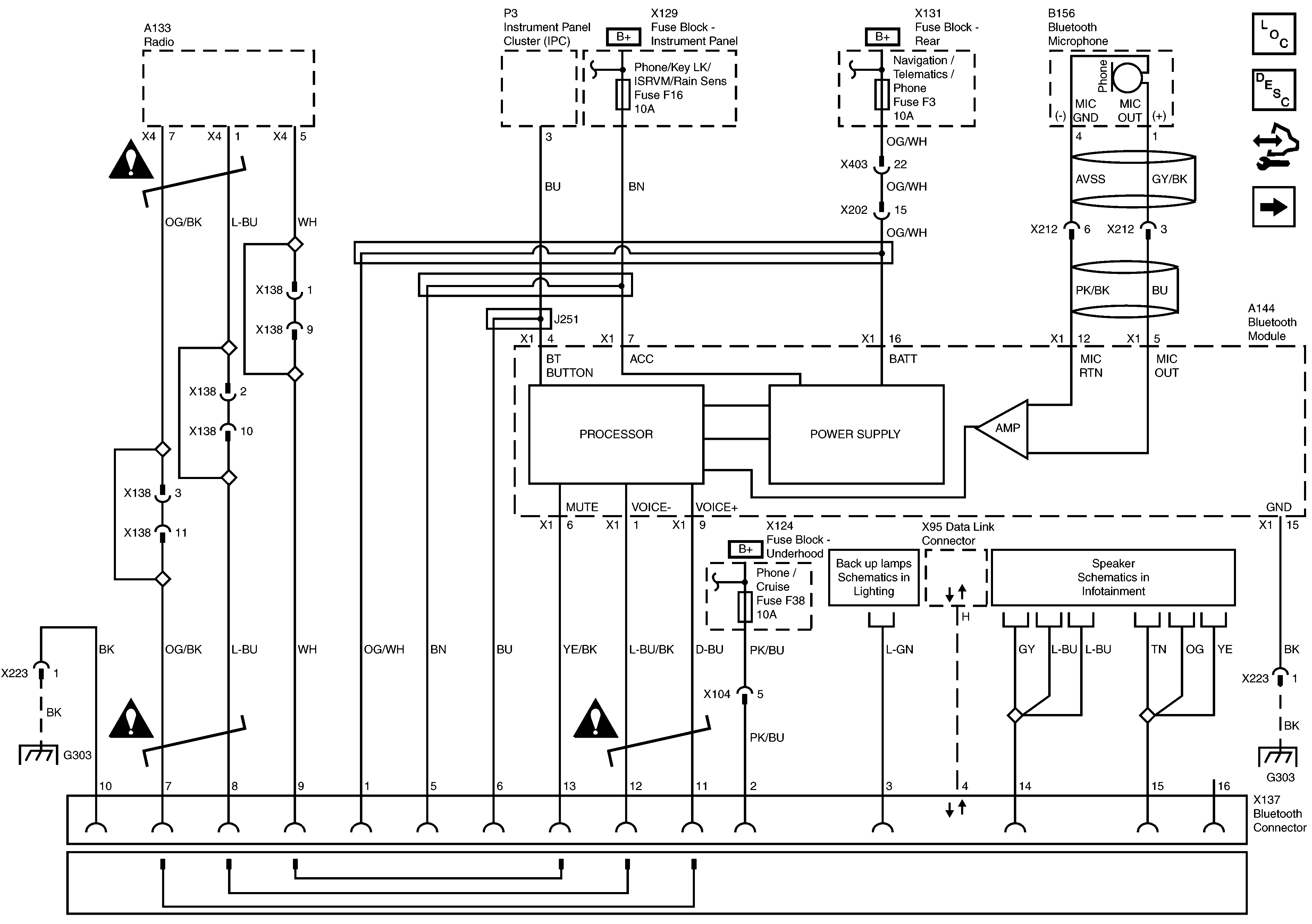
Bluetooth System (with Telematics)
G303 and G304 - 1 of 2
G303 and G304 - 1 of 2
Headlamp and Turn Signal Multifunction Switches and Ambient Light Sensors
Entertainment/Communication Schematic Icons
Entertainment/Communication Schematic Icons
Entertainment/Communication Schematic Icons