GM Service Manual Online
For 1990-2009 cars only
Makes
🢒
Chevrolet
🢒
2007
🢒
Caprice WM
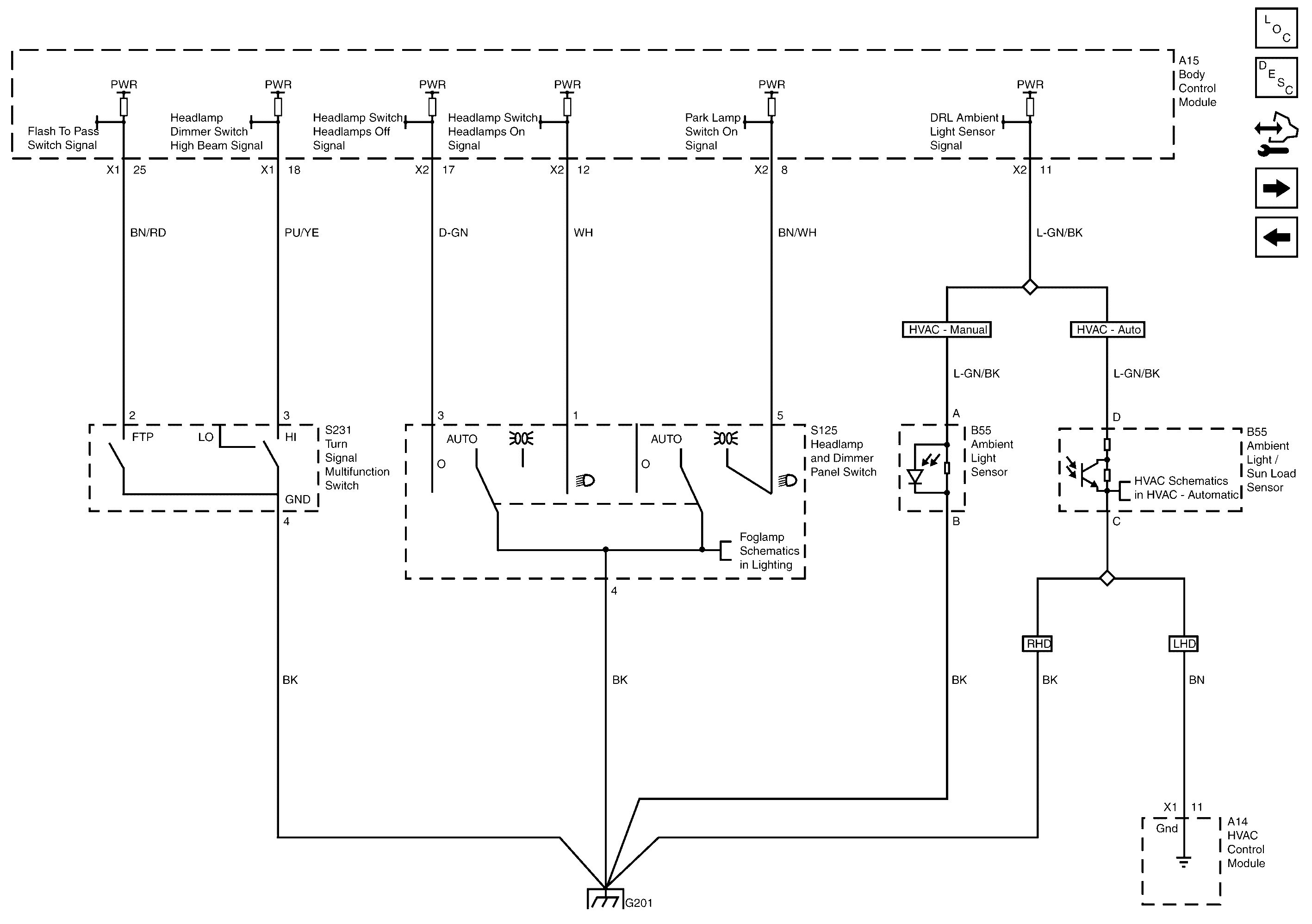
🢒 Headlamp and Turn Signal Multifunction Switches and Ambient Light Sensors
Headlamp and Turn Signal Multifunction Switches and Ambient Light Sensors
Headlamp and Turn Signal Multifunction Switches and Ambient Light Sensors
Master Electrical Component List
Exterior Lighting Systems Description and Operation CSV SWBHSV
Control Module References
Fog Lights and Fog Lights Switch Power and Ground
Headlamps Power and Ground
G201 - 1 of 2
HVAC Module, Power, Ground, Serial Data, Inputs and Outputs
Fog Lights and Fog Lights Switch Power and Ground