GM Service Manual Online
For 1990-2009 cars only
Makes
🢒
Chevrolet
🢒
2007
🢒
Caprice WM
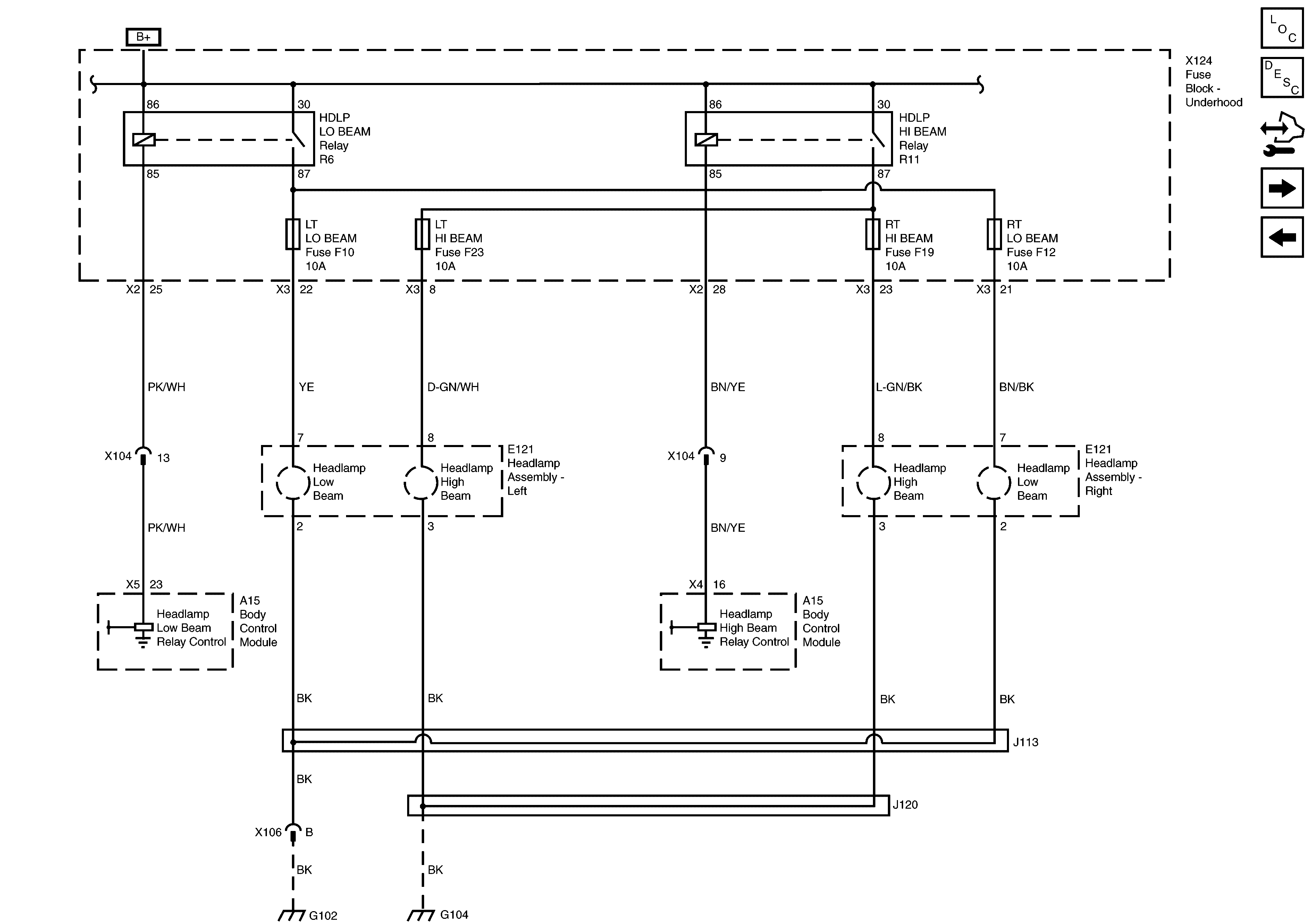
🢒 Headlamps Power and Ground
Headlamps Power and Ground
Headlamps Power and Ground
Master Electrical Component List
Exterior Lighting Systems Description and Operation CSV SWBHSV
Control Module References
Headlamps Power and Ground
G101 and G102
G104