GM Service Manual Online
For 1990-2009 cars only
Makes
🢒
Chevrolet
🢒
2007
🢒
Caprice WM
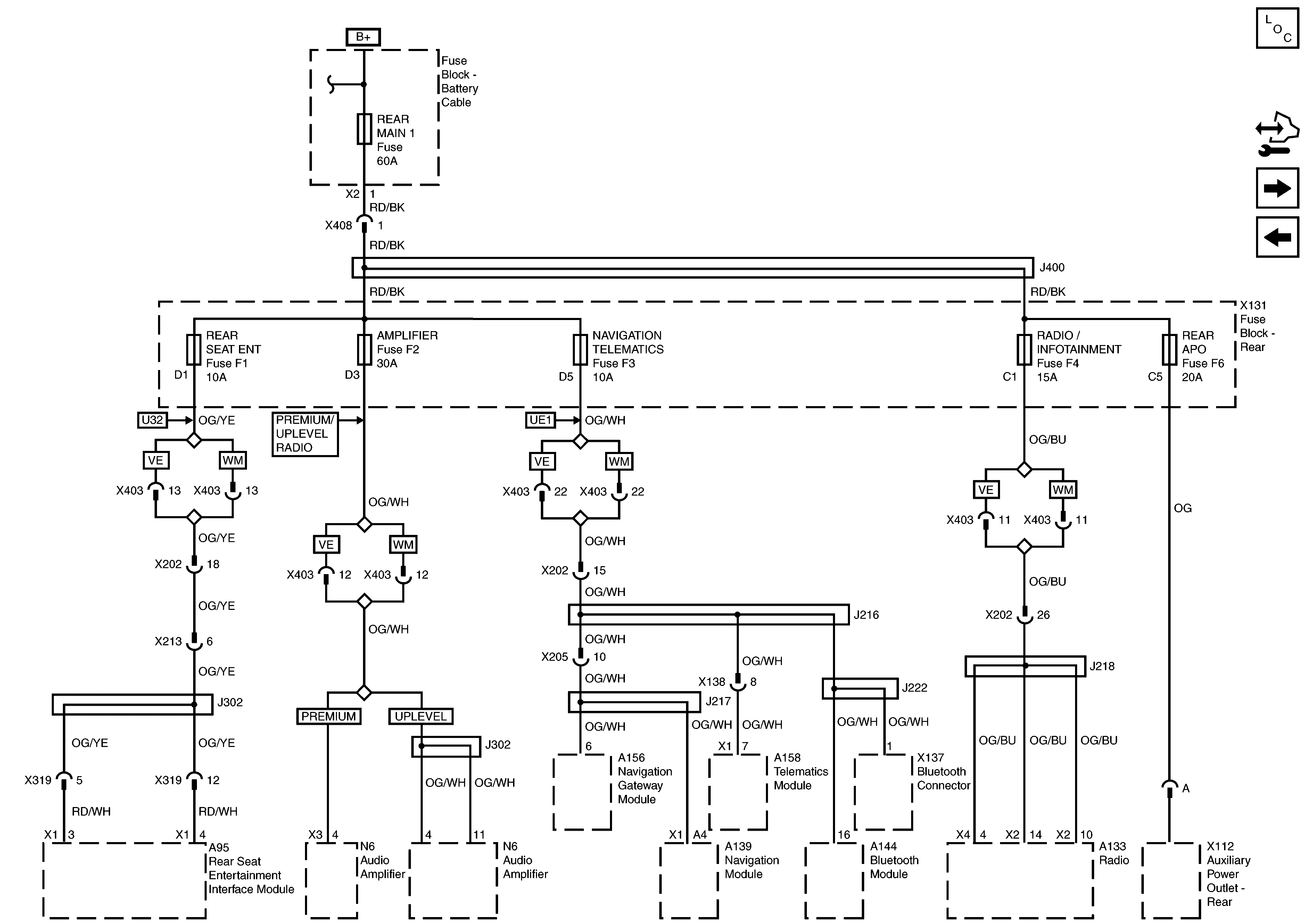
🢒 Amplifier, Navigation, Telematics, Radio/Infotainment, Rear Apo, Rear Main 1 and Rear Seat Ent Fuses
Amplifier, Navigation, Telematics, Radio/Infotainment, Rear Apo, Rear Main 1 and Rear Seat Ent Fuses
Amplifier, Telematics, Navigation, Radio/Infotainment, Rear APO, Rear Main 1 and Rear Seat Ent Fuses
Master Electrical Component List
Control Module References
ECM, Fuel Pump, Rear Main, RVC Sense and Trailer Fuses
ABS MTR, ABS Valves HVAC Bat, HVAC Blwr, RTD and TCM Fuses