GM Service Manual Online
For 1990-2009 cars only
Makes
🢒
Chevrolet
🢒
2007
🢒
Caprice WM
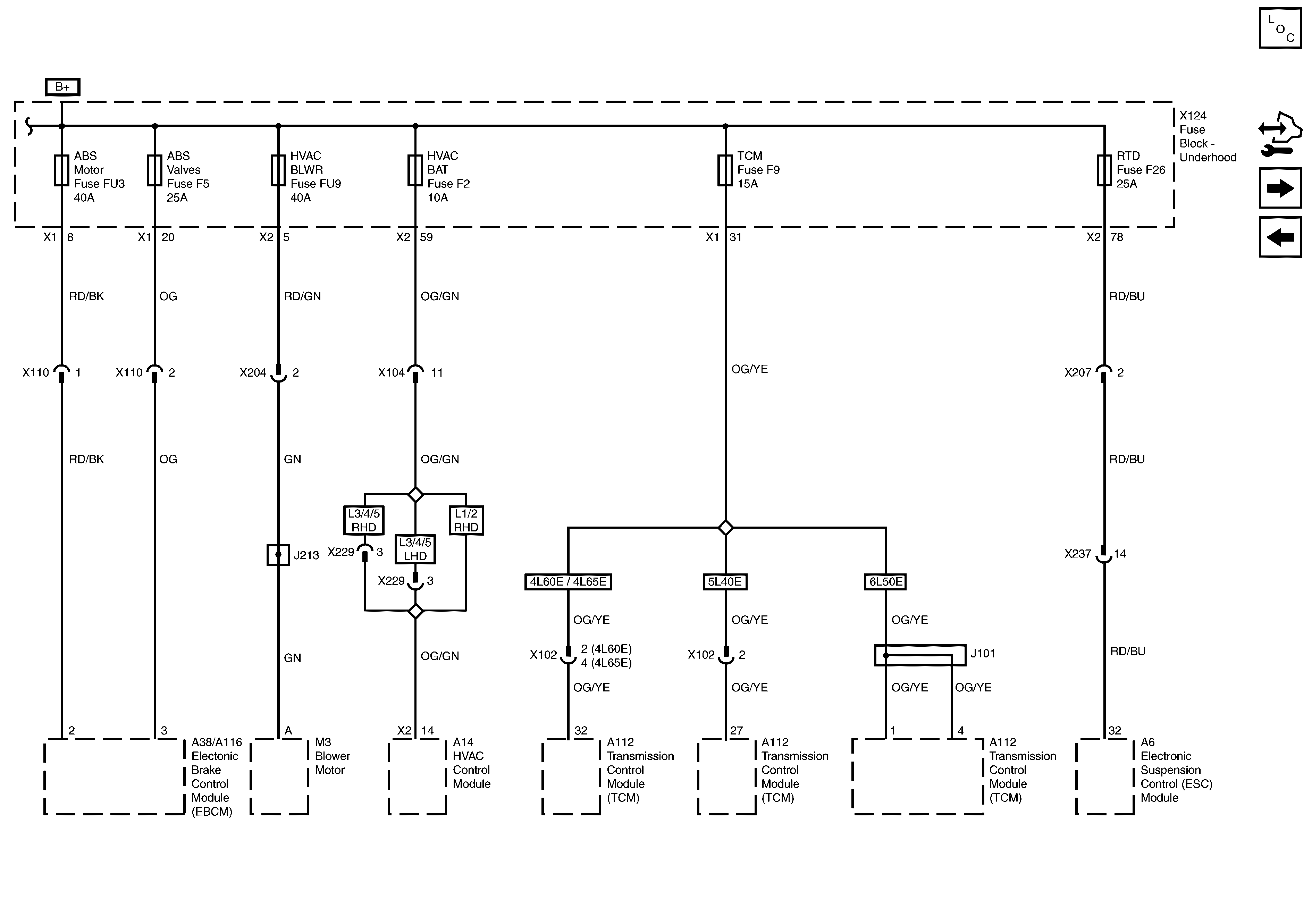
🢒 ABS MTR, ABS Valves HVAC Bat, HVAC Blwr, RTD and TCM Fuses
ABS MTR, ABS Valves HVAC Bat, HVAC Blwr, RTD and TCM Fuses
ABS MTR, ABS VALVES, HVAC BAT, HVAC BLWR, RTD and TCM Fuses
Master Electrical Component List
Control Module References
Amplifier, Navigation, Telematics, Radio/Infotainment, Rear Apo, Rear Main 1 and Rear Seat Ent Fuses
BATT MAIN 3, DOOR LOCKS, INADVERT PWR/LED DIM, SIR AND TRUNK RELEASE Fuses