GM Service Manual Online
For 1990-2009 cars only
Makes
🢒
Chevrolet
🢒
2007
🢒
Caprice WM
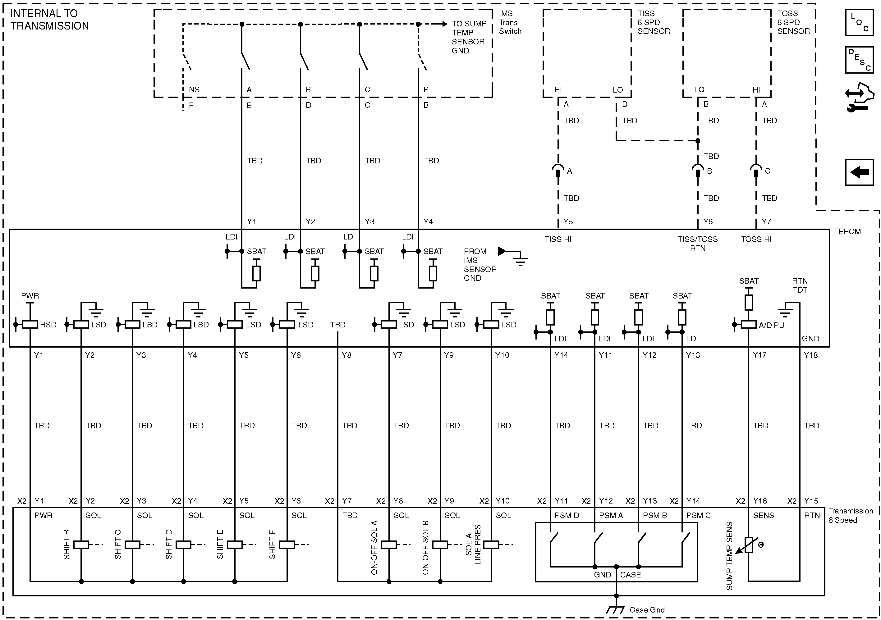
🢒 Transmission Internals
Transmission Internals
Transmission Internals
Master Electrical Component List
Definitions and Abbreviations
Control Module References
Shifter Assembly, Power/Economy Switch and Cruise Control Switch
TCM and Transmission, Power, Ground, Serial Data, Inputs and Outputs