GM Service Manual Online
For 1990-2009 cars only
Makes
🢒
Chevrolet
🢒
2007
🢒
Caprice WM
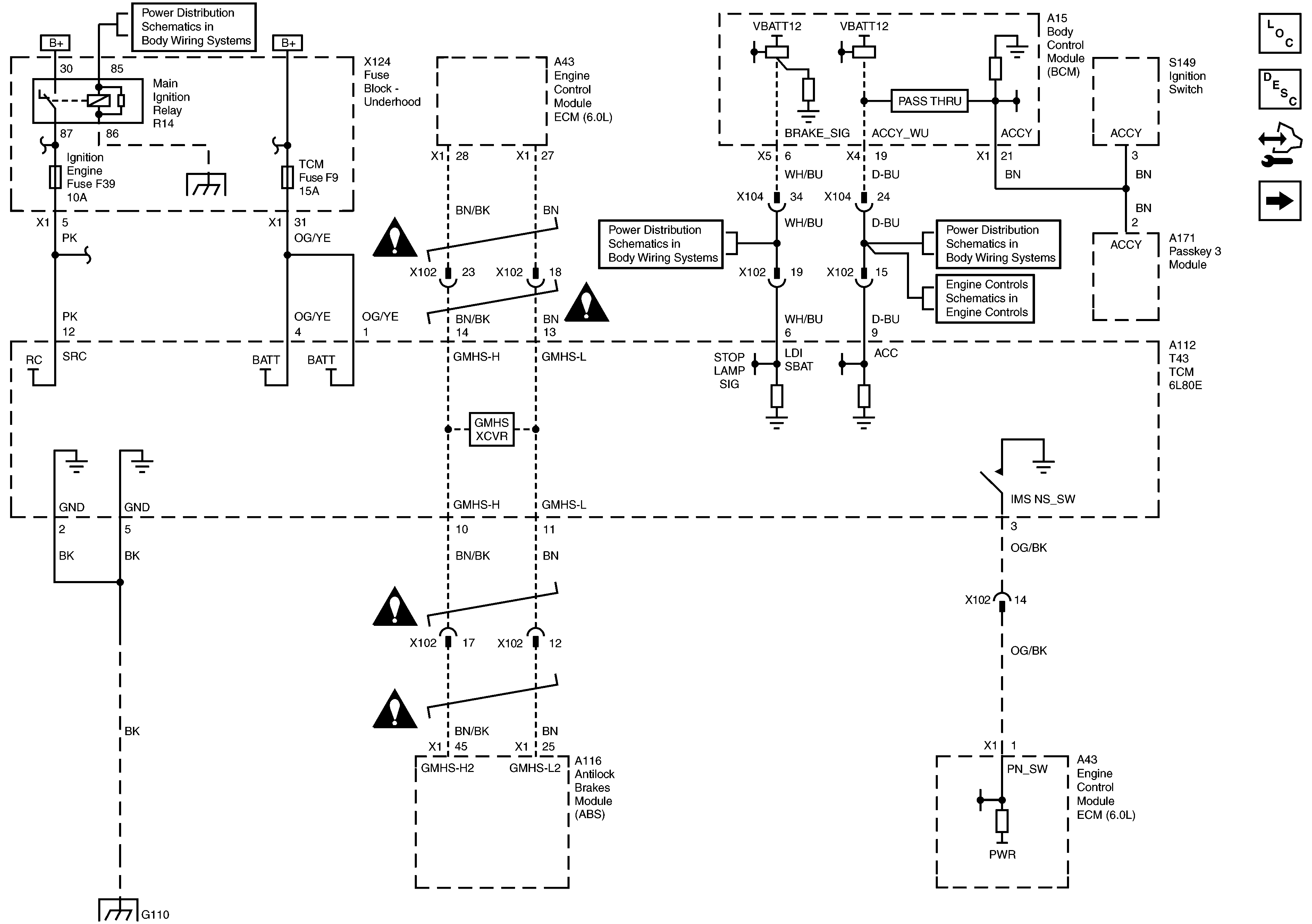
🢒 TCM and Transmission, Power, Ground, Serial Data, Inputs and Outputs
TCM and Transmission, Power, Ground, Serial Data, Inputs and Outputs
TCM and Transmission, Power, Ground, Serial Data, Inputs and Outputs
Master Electrical Component List
Definitions and Abbreviations
Control Module References
Transmission Internals
G103, G110, G111 and G112 (6.0L)
ECM Power, Ground and Serial Data
B+ Bus - 1 of 2
B+ Bus - 1 of 2
B+ Bus - 1 of 2