GM Service Manual Online
For 1990-2009 cars only
Makes
🢒
Chevrolet
🢒
2007
🢒
Caprice WM
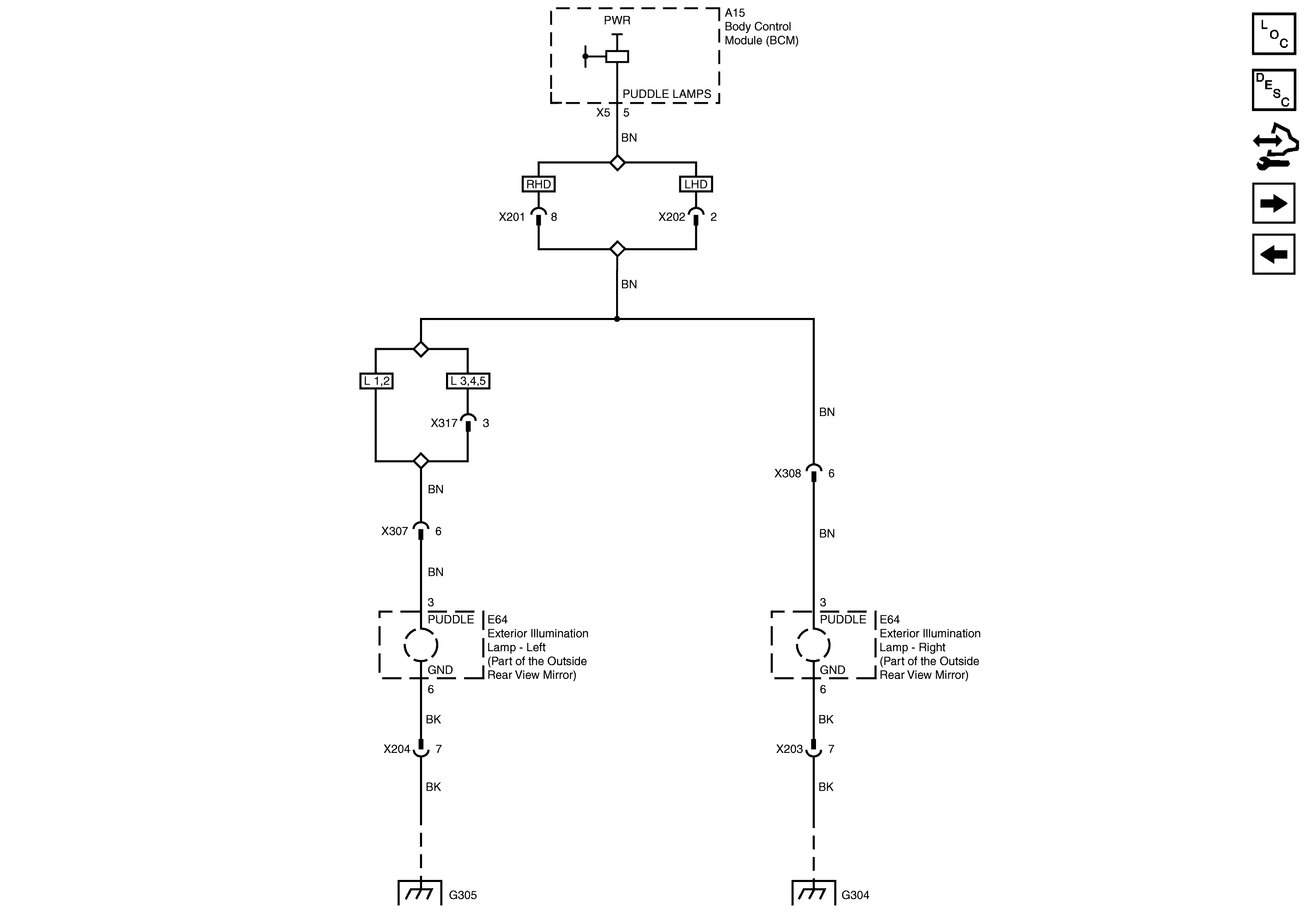
🢒 Exterior Illumination Lamps Power and Ground
Exterior Illumination Lamps Power and Ground
Exterior Illumination Lamps Power and Ground
Master Electrical Component List
Exterior Lighting Systems Description and Operation SWB
Control Module References
Backup Lamps Power and Ground
Front Fascia
G303 and G304 - 2 of 2 and G305 - 1 of 2
G303 and G304 - 1 of 2